电脑桌面
添加小米粒文库到电脑桌面
安装后可以在桌面快捷访问

数控车编程教程VIP免费

数控车编程教程_第1页
1/42
数控车编程教程_第2页
2/42
数控车编程教程_第3页
3/42
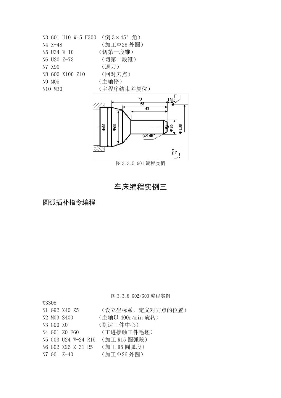
车床编程实例一 半径编程 图3.1.1 半径编程 %3110 (主程序程序名) N1 G92 X16 Z1 (设立坐标系,定义对刀点的位置) N2 G37 G00 Z0 M03 (移到子程序起点处、主轴正转) N3 M98 P0003 L6 (调用子程序,并循环 6 次) N4 G00 X16 Z1 (返回对刀点) N5 G36 (取消半径编程) N6 M05 (主轴停) N7 M30 (主程序结束并复位) %0003 (子程序名) N1 G01 U-12 F100 (进刀到切削起点处,注意留下后面切削的余量) N2 G03 U7.385 W-4.923 R8(加工 R8 园弧段) N3 U3.215 W-39.877 R60 (加工 R60 园弧段) N4 G02 U1.4 W-28.636 R40(加工切 R40 园弧段) N5 G00 U4 (离开已加工表面) N6 W73.436 (回到循环起点Z 轴处) N7 G01 U-4.8 F100 (调整每次循环的切削量) N8 M99 (子程序结束,并回到主程序) 车床编程实例二 直线插补指令编程 %3305 N1 G92 X100 Z10 (设立坐标系,定义对刀点的位置) N2 G00 X16 Z2 M03 (移到倒角延长线,Z 轴 2mm 处) N3 G01 U10 W-5 F300 (倒3×45°角) N4 Z-48 (加工Φ26 外圆) N5 U34 W-10 (切第一段锥) N6 U20 Z-73 (切第二段锥) N7 X90 (退刀) N8 G00 X100 Z10 (回对刀点) N9 M05 (主轴停) N10 M30 (主程序结束并复位) 图 3.3.5 G01 编程实例 车床编程实例三 圆弧插补指令编程 图 3.3.8 G02/G03 编程实例 %3308 N1 G92 X40 Z5 (设立坐标系,定义对刀点的位置) N2 M03 S400 (主轴以 400r/min 旋转) N3 G00 X0 (到达工件中心) N4 G01 Z0 F60 (工进接触工件毛坯) N5 G03 U24 W-24 R15 (加工 R15 圆弧段) N6 G02 X26 Z-31 R5 (加工 R5 圆弧段) N7 G01 Z-40 (加工Φ26 外圆) N8 X40 Z5 (回对刀点) N9 M30 (主轴停、主程序结束并复位 车床编程实例四 倒角指令编程 图3.3.10.1 倒角编程实例 %3310 N10 G92 X70 Z10 (设立坐标系,定义对刀点的位置) N20 G00 U-70 W-10 (从编程规划起点,移到工件前端面中心处) N30 G01 U26 C3 F100 (倒3×45°直角) N40 W-22 R3 (倒R3 圆角) N50 U39 W-14 C3 (倒边长为 3 等腰直角) N60 W-34 (加工Φ65 外圆) N70 G00 U5 W80 (回到编程规划起点) N80 M30 (主轴停、主程序结束并...

1、当您付费下载文档后,您只拥有了使用权限,并不意味着购买了版权,文档只能用于自身使用,不得用于其他商业用途(如 [转卖]进行直接盈利或[编辑后售卖]进行间接盈利)。
2、本站所有内容均由合作方或网友上传,本站不对文档的完整性、权威性及其观点立场正确性做任何保证或承诺!文档内容仅供研究参考,付费前请自行鉴别。
3、如文档内容存在违规,或者侵犯商业秘密、侵犯著作权等,请点击“违规举报”。

碎片内容

数控车编程教程

您可能关注的文档

确认删除?
VIP
微信客服
  • 扫码咨询
会员Q群
  • 会员专属群点击这里加入QQ群
客服邮箱
回到顶部