课题:数控机床概述 教学目的:数控机床概述 教学重点:认识数控车床 教学难点:无 教学方法:讲授法 教学学时:2学时 教学内容: ...
1 《数控车床》实训报告 姓名: 学号: 班级: 日期: 指导老师: 2 目 录 前言..................................................
数控车图 图一 图二 图三 图四 图五 图六 图七 图八 图九 图十 图十一 图十二 件 1 件 2 技术要求: 1、未注倒角1× 45...
《数控车削加工工艺与编程》课程整体教学设计(教改方案) 一 、课程设计的基本思路 1 、课程的性质和作用 本课程属于数控技术专业的...
- 1 - 火箭模型工艺品组合件加工 项目导入 本项目是火箭模型工艺品制作加工,火箭模型头部是由椭圆线所形成的内外回转曲面的薄壁件;...
1宏 程 序 设 计宏程序与子程序类似,对编制相同加工的操作可以使程序简化.同时宏程序中可以使用变量,算术和逻辑运算及转移指令,还可...
数控车法兰克系统编程格式及解析 用直径依次递增的回转零件的车削 G71 U W R G71 P Q U W F U: 每次进刀的背吃刀量 W:一般不...
数控车工国家职业标准 1 .1 职业名称 数控车工。 1 .2 职业定义 从事编制数控加工程序并操作数控车床进行零件车削加工的人员。 1...
1 《数控车削编程与加工》 教 案 2 数控车削编程与加工教案 项目序号 1 授课班级 授课学时 6 教学载体 机床 授课项目 名 称...
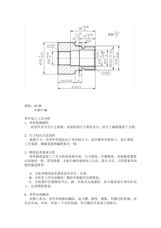
材料:45 钢 Φ40×48 零件加工工艺分析 1、零件轮廓解析 此零件各节点尺寸清楚,各部给的尺寸条件充分,给手工编程提供了方便。 2、...
数控车削工艺文件样图
1 实验二 数控车削加工编程(4学时) 实验目的: (1)学习数控车削加工编程过程; (2)数控车削零件编程练习。 一.数控车削加工编程...
数控车中级理论知识试卷 1 .单项选择(第 1题~第 160题。选择一个正确的答案,2 将响应的字母填入题被的括号中。每题 0.2分,3 满分...
〈 一 〉 、 N、 F、 T、 S 功 能 1. N 功 能 程 序 段 号 是 用 地 址 N 和 后 面 的 四 位 数 字 来 表...
FANUC 0-TD 系統 G 代碼命令 代碼組及其含義“模態代碼” 和 “一般” 代碼“形式代碼” 的功能在它被執行後會繼續維持,而 “一...
数控宏程序 FANUC 数控车 第一章 编程代码 ----------------------------------------------------------1 1.准备功能 G----------...
CGCNC-FANUC 仿真系统操作说明书杭州浙大辰光科技有限公司前言杭州浙大辰光科技有限公司是以浙江大学作为技术依托,一直致力于计算机辅助...
CAXA 数控车培训教程莱阳市职业中等专业学校数控车培训教程一.数控车培训计划日程表时间第一天阶段目标9:009:109:2010:3010:5011:1011:30...
毕业设计说明书 题 目 零件的数控车削加 工与编程 专 业 数 控 技 术 班 级 07 数控 2 班 学生姓名 葛 广 顺 指导教...
典型轴类零件的数控车加工工艺在数控机床上加工零件,与普通机床有所不同,不仅要考虑夹具、刀具、切削用量等常规工艺的选择,更要考虑对刀...

