电脑桌面
添加小米粒文库到电脑桌面
安装后可以在桌面快捷访问

数控车加工件图VIP免费

数控车加工件图_第1页
1/12
数控车加工件图_第2页
2/12
数控车加工件图_第3页
3/12
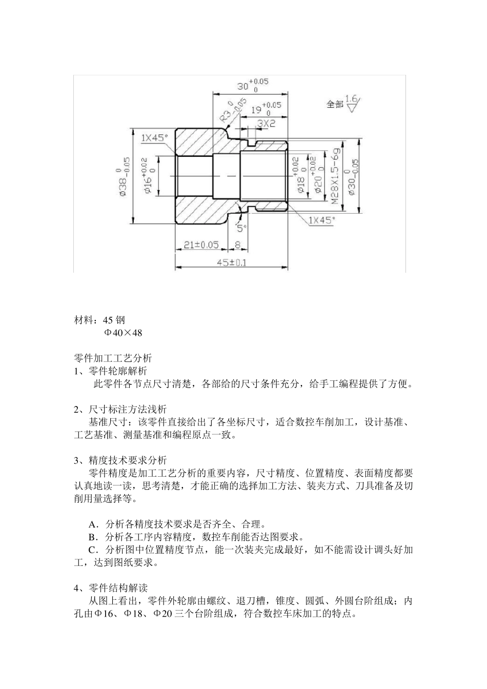
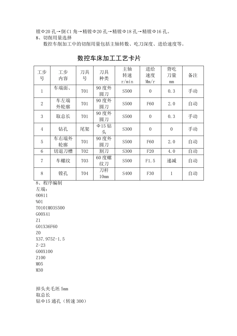
材料:45 钢 Φ40×48 零件加工工艺分析 1、零件轮廓解析 此零件各节点尺寸清楚,各部给的尺寸条件充分,给手工编程提供了方便。 2、尺寸标注方法浅析 基准尺寸:该零件直接给出了各坐标尺寸,适合数控车削加工,设计基准、工艺基准、测量基准和编程原点一致。 3、精度技术要求分析 零件精度是加工工艺分析的重要内容,尺寸精度、位置精度、表面精度都要认真地读一读,思考清楚,才能正确的选择加工方法、装夹方式、刀具准备及切削用量选择等。 A.分析各精度技术要求是否齐全、合理。 B.分析各工序内容精度,数控车削能否达图要求。 C.分析图中位置精度节点,能一次装夹完成最好,如不能需设计调头好加工,达到图纸要求。 4、零件结构解读 从图上看出,零件外轮廓由螺纹、退刀槽,锥度、圆弧、外圆台阶组成;内孔由Φ16、Φ18、Φ20 三个台阶组成,符合数控车床加工的特点。 5、 零 件 毛 坯 工 艺 分 析 由 于 毛 坯 尺 寸 的 限 定 , 这 个 工 件 要 两 次 装 夹 才 能 完 成 。 A、 从 零 件 的 技 术 精 度 、 表 面 精 度 的 要 求 考 虑 , 这 个 工 件 应 先 外 后 内 加 工 成型 。 B、 外 轮 廓 先 左 后 右 , 两 次 装 夹 才 能 完 成 。 C、 钻 孔 、 镗 孔 可 分 开 加 工 , 因 为 图 纸 上 没 有 位 置 精 度 要 求 。 6、 量 具 、 刀 具 准 备 做 好 以 上 案 头 工 作 后 , 零 件 将 实 施 加 工 。 加 工 前 根 据 图 纸 尺 寸 精 度 要 求 , 需备 好 检 测 量 具 。 该 零 件 量 具 配 备 如 下 : 钢 尺 : 0-----300 1 把 外 径 千 分 尺 : 25-----50 1 把 内 径 量 表 : 18-----35 2 把 内 径 千 分 尺 : 0-----25 1 把 环 规 : 18 1 个 20 1 个 根 据 零 件 金 属 材 料 的 要 求 , 领 取 相 对 应 的 刀 具 。 该 零 件 应 准 备 的 刀 具 如 下 : 刀 具 准 备 卡 片 产 品 名 称 代 号 M-0921 零 件 名 称 轴 零 件图 号 SX-04 序 号 刀 具号 刀 具 规 格 名 称 数 量 加 工 表 面 备 注 1 T01 YT90 度 外 圆 刀 1 粗 车 外 轮 廓 2 T02 YT90 度 外 圆 刀 1 精 车...

1、当您付费下载文档后,您只拥有了使用权限,并不意味着购买了版权,文档只能用于自身使用,不得用于其他商业用途(如 [转卖]进行直接盈利或[编辑后售卖]进行间接盈利)。
2、本站所有内容均由合作方或网友上传,本站不对文档的完整性、权威性及其观点立场正确性做任何保证或承诺!文档内容仅供研究参考,付费前请自行鉴别。
3、如文档内容存在违规,或者侵犯商业秘密、侵犯著作权等,请点击“违规举报”。

碎片内容

数控车加工件图

您可能关注的文档

确认删除?
VIP
微信客服
  • 扫码咨询
会员Q群
  • 会员专属群点击这里加入QQ群
客服邮箱
回到顶部