建筑设计必知理论2111.有空调的建筑外表面积要小;窗户面积要小;连续开机的建筑,其围护结构内侧宜选用重质材料;外墙颜色要浅112.设备层...
2012兰州中考一诊物理试卷点评及备考策略(建议)物理试题点评●兰州十九中高级教师韩才孝:试题与去年诊断及中考试题相比,在严格遵循课程标...
2012学年第一学期大班月保教重点工作提示一.培养目标9月份10月份11月份12月份1月份1、有基本的生活自理能力,养成良好睡眠、饮食、排泄、...
2012春季柏树中学理科综合教研组柏树中学2012级化学中期教学测试题第Ⅰ卷(请将该题答案填在第Ⅱ卷对应的表格内)可能用到的元素的相对原子...
机密★启用前2012年湖北省黄石市初中毕业生学业考试文科综合(地理部分)姓名准考证号注童事项:1.本试卷分为试题卷和答题卡两部分。考试时...
第2课时气体摩尔体积在化学实验中,需要量取1molH2来做实验,如何量取1molH2?对于气体来说,我们宏观量取的通常不是质量而是体积,那么1mo...
四川剑门关高级中学高一级2010-2011秋第三次月考语文试题(命题人王国忠)(考试时间:150分钟总分150分)第Ⅰ卷一、基础知识选择题。(每...
2012中考英语模拟试题(一)第一卷一、听力略二、选择填空(每小题1分,共15分)()26.Myuncleisaworker.He_______machineseveryday.A.mendB.m...
作业名称:工程结构抗震2012春第二套作业出卷人:SA作业总分:100通过分数:60学员姓名:学员成绩:100标准题总分:100标准题得分:100详细...
2012学年第二学期班级区角观察记录表班级:大二班日期区角名称幼儿游戏情况存在的问题调整措施调整后情况反馈教师3月8日农工商超市最近小朋...
密封线内请勿答题班级姓名2013年~2014年学年度第二学期期中考试卷八年级物理命题人:陆仲利【说明】:本试卷共100分,考试时间100分钟。题...
2012年秋八年级第一次月考生物试题命题范围:第一章命题人:邱昭文温馨提示:请将答案写在答题卡上。一.单项选择题(每小题1分,共15分,请...
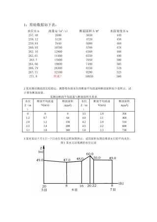
1:原始数据如下表:水位H/m流量Q/(m³/s)断面面积A/㎡水面宽度B/m257.4826903650449259.1251204720458259.8476405080469260.9310700576047...
2012最新小学英语新课标习题2012最新小学英语新课标习题在义务教育阶段开设英语课程能够为提高我国________,培养具有________和________的...
第3课时物质的量在化学实验中的应用1.了解物质的量浓度的含义。2.掌握物质的量浓度的有关计算。3.掌握配制一定物质的量浓度溶液的方法。...
2012年中考模拟英语试卷听力部分(共25小题,计25分)Ⅰ.听对话,选择图片。你将听到5段小对话,请根据你所听到的对话,选择与其内容相符的...
卖火柴的小女孩鳌头镇第二中心小学李少云((丹麦丹麦))安徒生安徒生安徒生(1805—1875):丹麦童话作家,被称为“世界童话之王”。童年生活...
读书笔记2012、3、28开始陈青云作品一、鬼堡黑黝黝颤栗臃肿丰神似玉窗棂趔趄不前蛛丝密布,霉气扑鼻,积尘盈寸毒如蛇蝎踯躅惨绝人寰愧怍美...
物理教学反思物理是一门很重要的学科,但是“物理难学”的印象可能会使不少学生望而却步。低年级的物理教学首先是要正确的引导,让学生顺利...
2012~2013学年度滑集小学关爱留守儿童实施方案为认真落实我区教育民生工程,根据省教育厅、省财政厅《农村留守儿童之家建设实施办法》和省...

