下载后可任意编辑公司部门负责人述职述廉报告 各位领导、同志们: 根据上级的要求和公司党委的安排,我在这里对自己一年来的履职及党风廉...
下载后可任意编辑公司部门经理半年工作总结开头语 部队义务兵半年总结开头语【一】 1. 时间飞逝,转眼间入伍已有半年。回顾历程,往事一...
下载后可任意编辑公司部门个人年终工作总结 2024加深对部门职责的了解并在以往的工作中尽早完成自己的职责所在,实际上根据以往的经验可以...
下载后可任意编辑公司部门团委组织委员竞聘稿【团委委员的竞聘稿】篇一:团委委员的竞聘稿 尊敬的各位领导、各位同事: 大家好!今日,在...
下载后可任意编辑公司部门工作个人年终工作总结 2024公司部门工作个人年终工作总结 20XX(一) 回顾即将过去的 20xx 年,采购部成员和...
下载后可任意编辑公司财务部门 2024 年度工作总结公司财务部门 20XX 年度工作总结(一) 在各部门同事们的大力支持和积极配合下,在财...
下载后可任意编辑公司财务部门年终工作总结报告工作总结频道! 【篇一】公司财务部门年终工作总结报告 不知不觉,XX 年又要结束了,仿佛...
下载后可任意编辑公司财务部门年度总结今年以来,本人在公司的正确领导下,在同事们的支持帮助下,紧紧围绕公司的进展方向,在为全公司提供...
下载后可任意编辑公司财务部门年度工作总结模板为你准备了《公司财务部门年度工作总结模板》希望可以帮到你! 【篇一】公司财务部门年度工...
下载后可任意编辑公司客服部门邀请社会监督管理制度公司客服部门邀请社会监督管理制度 公司客服部门邀请社会监督管理制度 服务质量社会监...
下载后可任意编辑公司四月份部门工作总结 近两个月我在公司领导及同事们的关怀与帮助下完成了各项工作,在思想觉悟方面有了更进一步的提高...
下载后可任意编辑*****公司****部人员工资包干协议甲方:********公司 (以下简称甲方)乙方: (以下简称乙方) 依照国家法律法规,本...
下载后可任意编辑公司业务部门个人工作计划 2024 业务部门工作计划的展开对于公司的进展而言无疑能够带来不错的效果,正是因为在部门员工...
工商管理英语学 院:经济管理学院班 级:工商管理112姓 名:谢 清 敏学 号:202400634202指导老师:邵 芳下载后可任意编辑公共部门...
下载后可任意编辑《公共部门人力资源管理形成性考核册》答案第一次作业1、 郭某被辞退的真正原因是跟科室关系处理不协调.外科主任动员全科...
战略投资部部门职能一、部门基本信息部门名称战略投资部部门编号部门负责人战略投资部经理部门分管领导岗位设置投资发展部经理,项目策划岗...
百度文库 - 让每个人平等地提升自我11 篇一 : 投标部年度工作总结2015 年度工作总结时光荏苒 ,岁月如梭 ,紧张忙碌的2015年已经...
第 1 页 共 16 页技术部门年终工作总结技术部门年终工作总结(共10 篇) ,WTT希望对你的学习工作能带来参考借鉴作用。在过去的 20...
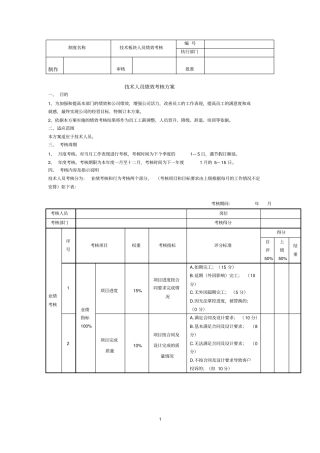
1 制度名称技术板块人员绩效考核编 号执行部门制作审核批准技术人员绩效考核方案一、 目的1、为加强和提高本部门的绩效和公司绩效,增强...
技术部门工作总结篇一: XX年度技术管理部工作总结XX年度技术管理部工作总结一年来,在公司关怀领导和全体员工及项目部的支持配合下,技术...

