电子元器件基础知识--电阻 电容的品牌大全 1、 请列举您知道的电阻、电容、电感品牌(最好包括国内、国外品牌)。 电阻: 美国:AVX、...
固定电阻 (1) 符号 (2) 电阻器型号命名方法 电阻器的型号命名方法根据GB2471-81,见表B301。 表B301 电阻器型号的命名方法 第一部...
再谈电阻、电容、三极管等电子元件基础 第一章:基本元件 第一节 电阻器 电阻,英文名 resistance,通常缩写为 R,它是导体的一种基...
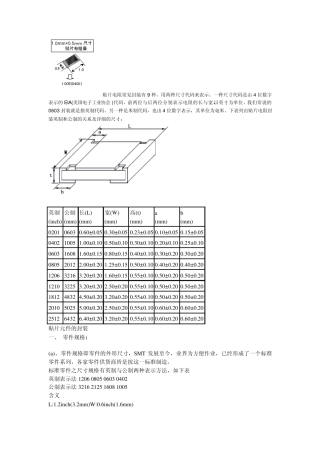
直插式电阻电容封装与尺寸图解 之前介绍过贴片式电阻电容封装与功率映射关系,本文看一下直插式电阻电容封装尺寸,由于直插式无源器件体积...
电 阻 电 容 封 装 知 识 前 言 : 电 容 是 表 征 电 容 器 容 纳 电 荷 的 本 领 的 物 理 量 , 电 容...
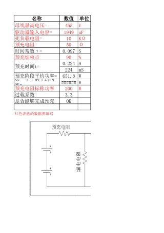
插贴组合1组合2插贴组合9组合2组合3组合4组合5组合6组合1R 1//R 2//R 3//R 4 0.09696R 1+R 2103.3R 1+R 2+R 3+R 4 2103.4组合3...
一、电阻焊焊接原理 电阻焊焊接原理:焊件组合后通过电极施加压力,利用电流通过接头的接触面及邻近区域产生的电阻热进行焊接的方法称为电...
电阻焊用电极
①电阻焊原理简介1:1:什么叫电阻焊什么叫电阻焊什么叫电阻焊??电阻焊是将被焊工件压紧于两电极之间电阻焊是将被焊工件压紧于两电极之间,,并...
电阻焊测试题
电阻焊接的基本知识(一) 来源: 发布时间:2008-08-30 点击次数:1242 1、概述 电阻焊是指将焊件组合后,通过电极对其施加压力,利用电流...
第 1 页 共 9 页 1 .应用范围: 本标准是吸收国外及国内的焊接工艺标准,结合公司实际情况,为规范本公司在电阻焊接工艺方面的技术...
电阻焊工艺技术指导文件
浙江琳丰电器有限公司 文件编号 : LF-QP-402 制定部门: 技质部 作 业 文 件 版本:第 A/0 版 生效日期:2017/5/10 电 阻 ...
1 、 电阻点焊的主要工艺参数有——焊接电流、焊接时间、电极压力、电极端面尺寸 2 、 常用的电阻焊焊点强度破坏性检验方法有——撕破...
1 目录 第一章 系统综述 ..........................................................................................................
I 计算机课程设计名称: 电阻炉温度控制系统 课程设计任务书 学生姓名 专业班级 学号 题 目 电阻炉温度控制系统 课题性质 工程...
课 程 设 计 题 目 电阻炉微型计算机温度控制系统的设计 学 院 自动化 专 业 自动化 班 级 1103 姓 名 萨楚拉 指导教师...
课程设计任务书 课程设计名称 计算机控制技术课程设计 专业班级 (学生人数) 计算机控制技术 指导教师 本学期承担相应课程教学任务...
第三节 电阻温度计及二次仪表 一.填空题 1.标准铂电阻温度计的结构包括感温元件(电阻体)、内外引线、保护管和接线排叉等四部分。 2....

