武汉市华天电力自动化有限责任公司 1 接触电阻检测仪说明书 由于输入输出端子、测试柱等均有可能带电压,在插拔测试线、电源插座时,会...
接地装置冲击接地电阻与工频接地电阻的换算
水平接地体计算公式垂直接地体计算公式接地模块计算公式离子接地极计算公式闭合接地网计算公式多个接地体并联公式 接地体并联电阻公式序号...
第一章 总则 第1 .0 .1 条 电力装置接地设计必须认真执行国家的技术经济政策,并应做到:保障人身与设备安全、供电可靠、技术先进和...
接地电阻的测量 一、仪器设备的选用 目前通用的测接地电阻的仪器有接地电阻摇表ZC29B-2 和钳形接地电阻测试仪ETCR2000B+。当测量单个设...
接地电阻的影响因素及降阻措施 一、影响电阻(率)的因素 接地的介质主要有土壤、混凝土和水三种,最常用的接地是将作为接地极的导体置于...
第 1 页 共 7 页 编号:Q/NDL ZY 0304/003-2005 接 地 电 阻 测 量 标 准 化 作 业 指 导 书 编写: 年 月 日 ...
目录 一、概述 接地电阻测量意义 ...................................................................................................
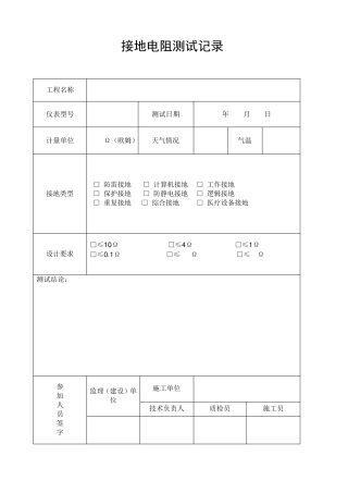
接地电阻测试记录 工程名称 仪表型号 测试日期 年 月 日 计量单位 Ω(欧姆) 天气情况 气温 接地类型 □ 防雷接地 □ 保护...
以下是引用片段: 以下是引用czy01在2009-8-18 10:19:00的发言: 大家好 我刚接触安装这块 想请问大家 屋面防雷接地的电阻怎么测试?...
- 1 - 接地电阻测试方法(带图) 一、接地电阻测试要求: a. 交流工作接地,接地电阻不应大于4Ω; b. 安全工作接地,接地电阻不应...
*****电力建设第一工程公司 作 业 指 导 书 工程名称 协联电厂2×125MW 机组安装工程 文件编号 性 质 专 业 调试 一般: ...
南京民盛电子仪器有限公司 产品使用说明 1 接地电阻系列测试仪使用说明 第一节 MS2520A MS2520C接地电阻测试仪使用说明 一、概 述...
接 地 电 阻 测 试 仪 常 用 知 识 解 答 1. 定义 地 电 流 : 在 大 地 或 在 接 地 极 中 流 过 的 电...
杭 州 威 格 电 子 科 技 有 限 公 司 1 一 、 概 述 接 地 电 阻 测 试 仪 是 用 来 测 量 电 气 设 备...
N 第 1 页 共 13 页 接地电阻测试仪CS-2678说明书 N 第 2 页 共 13 页 ● 测试时间、测试电流和接地电阻值同时显示 ● ...
接地电阻智能监测系统 解 决 方 案 二〇一五年十月 - 2 - 目 录 一、 系统概述 ..............................................
计量标准技术报告 计 量 标 准 名 称 接地电阻表检定装置 计量标准负责人 李 文 昌 建标单位名称(公章) 沧州市计量测试所 ...
单一接地体的对地电压曲线及接触电压 接触电动势和接触电压 接触电动势是指接地电流自接地体流散,在大地表面形成不同电位时,设备外壳与...
接地摇表使用方法说明及接地电阻测试标准 接地摇表使用方法说明及接地电阻测试标准 接地摇表又叫接地电阻摇表、接地电阻表、接地电阻测试...

