电脑桌面
添加小米粒文库到电脑桌面
安装后可以在桌面快捷访问

电阻、电容、二极管、IC等规格、封装、尺寸

电阻、电容、二极管、IC等规格、封装、尺寸_第1页
1/9
电阻、电容、二极管、IC等规格、封装、尺寸_第2页
2/9
电阻、电容、二极管、IC等规格、封装、尺寸_第3页
3/9
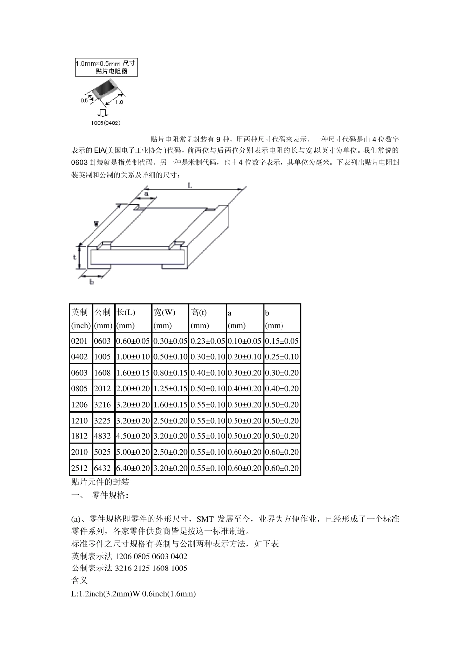
贴片电阻常见封装有9 种,用两种尺寸代码来表示。一种尺寸代码是由4 位数字表示的EIA(美国电子工业协会)代码,前两位与后两位分别表示电阻的长与宽,以英寸为单位。我们常说的0603 封装就是指英制代码。另一种是米制代码,也由4 位数字表示,其单位为毫米。下表列出贴片电阻封装英制和公制的关系及详细的尺寸: 英制 (inch) 公制 (mm) 长(L) (mm) 宽(W) (mm) 高(t) (mm) a (mm) b (mm) 0201 0603 0.60± 0.05 0.30± 0.05 0.23± 0.05 0.10± 0.05 0.15± 0.05 0402 1005 1.00± 0.10 0.50± 0.10 0.30± 0.10 0.20± 0.10 0.25± 0.10 0603 1608 1.60± 0.15 0.80± 0.15 0.40± 0.10 0.30± 0.20 0.30± 0.20 0805 2012 2.00± 0.20 1.25± 0.15 0.50± 0.10 0.40± 0.20 0.40± 0.20 1206 3216 3.20± 0.20 1.60± 0.15 0.55± 0.10 0.50± 0.20 0.50± 0.20 1210 3225 3.20± 0.20 2.50± 0.20 0.55± 0.10 0.50± 0.20 0.50± 0.20 1812 4832 4.50± 0.20 3.20± 0.20 0.55± 0.10 0.50± 0.20 0.50± 0.20 2010 5025 5.00± 0.20 2.50± 0.20 0.55± 0.10 0.60± 0.20 0.60± 0.20 2512 6432 6.40± 0.20 3.20± 0.20 0.55± 0.10 0.60± 0.20 0.60± 0.20 贴片元件的封装 一、 零件规格: (a)、零件规格即零件的外形尺寸,SMT 发展至今,业界为方便作业,已经形成了一个标准零件系列,各家零件供货商皆是按这一标准制造。 标准零件之尺寸规格有英制与公制两种表示方法,如下表 英制表示法 1206 0805 0603 0402 公制表示法 3216 2125 1608 1005 含义 L:1.2inch(3.2mm)W:0.6inch(1.6mm) L:0.8inch(2.0mm)W:0.5inch(1.25mm) L:0.6inch(1.6mm)W:0.3inch(0.8mm) L:0.4inch(1.0mm)W:0.2inch(0.5mm) 注: a、L(Length):长度; W(Width):宽度; inch:英寸 b、1inch=25.4mm (b)、在(1)中未提及零件的厚度,在这一点上因零件不同而有所差异,在生产时应以实际量测为准。 (c)、以上所讲的主要是针对电子产品中用量最大的电阻(排阻)和电容(排容),其它如电感、二极管、晶体管等等因用量较小,且形状也多种多样,在此不作讨论。 (d)、SMT 发展至今,随着电子产品集成度的不断提高,标准零件逐步向微型化发展,如今最小的标准零件已经到了 0201。 二、常用元件封装 1...

1、当您付费下载文档后,您只拥有了使用权限,并不意味着购买了版权,文档只能用于自身使用,不得用于其他商业用途(如 [转卖]进行直接盈利或[编辑后售卖]进行间接盈利)。
2、本站所有内容均由合作方或网友上传,本站不对文档的完整性、权威性及其观点立场正确性做任何保证或承诺!文档内容仅供研究参考,付费前请自行鉴别。
3、如文档内容存在违规,或者侵犯商业秘密、侵犯著作权等,请点击“违规举报”。

碎片内容

电阻、电容、二极管、IC等规格、封装、尺寸

小辰3+ 关注
实名认证
内容提供者

出售各种资料和文档

相关文档

确认删除?
VIP
微信客服
  • 扫码咨询
会员Q群
  • 会员专属群点击这里加入QQ群
客服邮箱
回到顶部