第1页共10页编号:时间:2021年x月x日书山有路勤为径,学海无涯苦作舟页码:第1页共10页06年4月上半月1600元-2500元LCD市场剖析五一黄金周...
第1页共12页编号:时间:2021年x月x日书山有路勤为径,学海无涯苦作舟页码:第1页共12页引言液晶(LCD)显示是近年来发展最快的显示技术之...
第1页共14页编号:时间:2021年x月x日书山有路勤为径,学海无涯苦作舟页码:第1页共14页LCD市场推广计划(含预算分析)一、方案概述与市场...
第1页共12页编号:时间:2021年x月x日书山有路勤为径,学海无涯苦作舟页码:第1页共12页LCD控制IC技术趋势与市场分析2002-10-14LCD控制IC随...
基于CMMB电视手机的LCD背光功耗优化和实现申请上海交通大学工学硕士学位论文基于CMMB电视手机的LCD背光功耗优化和实现学校代码:10248作者...
第1页共8页编号:时间:2021年x月x日书山有路勤为径,学海无涯苦作舟页码:第1页共8页DELL服务器LCD信息代码DELL服务器LCD信息代码的意思:...
第1页共14页编号:时间:2021年x月x日书山有路勤为径,学海无涯苦作舟页码:第1页共14页LCD市场推广计划(含预算分析)一、方案概述与市场...
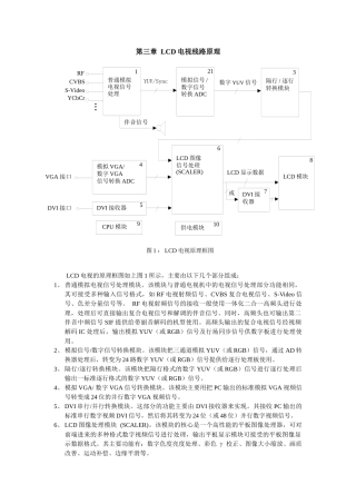
RFCVBSYCbCr图1:LCD电视原理框图DVI接收器LCD模块隔行/逐行转换模块数字YUV信号·S-Video··普通模拟电视信号处理YUV/Sync模拟信号/数字...
引言液晶(LCD)显示是近年来发展最快的显示技术之一。我们公司液晶电视的生产、销售正在全面上涨。国内同行也在向液晶电视生产转移。已经...
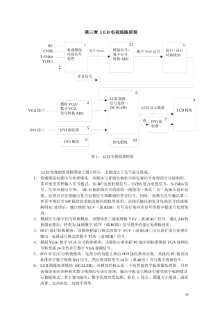
RFCVBSYCbCr图1:LCD电视原理框图DVI接收器LCD模块隔行/逐行转换模块数字YUV信号·S-Video··普通模拟电视信号处理YUV/Sync模拟信号/数字...
LCD市场推广计划(含预算分析)一、方案概述与市场分析1.方案内容:1)不打性能战、不打价格战,专打服务战,以服务树品牌,提出“五年保修...
06年4月上半月1600元-2500元LCD市场剖析五一黄金周的到来,而在四月份液晶显示器市场已经开始预热,多家厂商展开了形式各样的促销活动,相...
DELL服务器LCD信息代码DELL服务器LCD信息代码的意思:E1114TempAmbient系统周围环境温度超出允许范围。E1116TempMemory内存已超过允许温度...
LCD市场推广计划(含预算分析)一、方案概述与市场分析1.方案内容:1)不打性能战、不打价格战,专打服务战,以服务树品牌,提出“五年保修...
LCD控制IC技术趋势与市场分析2002-10-14LCD控制IC随着LCDMonitor市场的扩张,其需求亦随之增加,根据工研院经资中心的统计,2001年LCD控制I...
申请上海交通大学工学硕士学位论文基于CMMB电视手机的LCD背光功耗优化和实现学校代码:10248作者姓名:赵景新学号:1080379191第一导师:王...
更多企业学院:《中小企业管理全能版》183套讲座+89700份资料《总经理、高层管理》49套讲座+16388份资料《中层管理学院》46套讲座+6020份...
第1页共9页编号:时间:2021年x月x日书山有路勤为径,学海无涯苦作舟页码:第1页共9页技术要求1、液晶拼接大屏投标方提供的整套大屏幕液晶...
第1页共9页编号:时间:2021年x月x日书山有路勤为径,学海无涯苦作舟页码:第1页共9页技术要求1、液晶拼接大屏投标方提供的整套大屏幕液晶...
主题:文件编号:WE005文件版本:A设备预防保养作业指导书页次:01本页版次:0******目录******项目内容页次目录01/75修订履历...

