班主任了解学生情况报告表班级了解日期被了解的学生姓名性别年龄其他了 解 方 法和 简 单 经过了 解 的 结果 ( 包 括家 庭 ...
培训时间xxx 年 9 月培训地点学校阅览室培训类型集中学习人各班主任学习内容:好习惯带出好班级建设一个好班级非一日之功。一个好的班级...
班主任工作会议记录时间:201 6年 9 月地点:会议室主持人:张百忠主要内容:学校丰富内涵促进展,老师提升素养树形象,办人民满意得教育1...
玻璃幕墙 分项工程施工技术交底记录 GD-C1-328□□□单位(子单位)工程名称分部/子分部(或系统/子系统)施工单位项目负责人项目技术负...
特种设备文件和记录管理制度1 为有效控制与公司特种设备有关的文件和记录,确保文件和记录法律规范管理,制定本制度2 文件管理2.1 职责2...
物业管理制度及记录目录1业主公约2物业使用手册3质量手册4文件控制程序5质量记录控制程序6物业管理方案编制程序7服务要求评审程序8米购控制...
装修现场记录编号: 版本:表格生效期:序号:业主姓名业主电话施施工场地点施工单位项目负责人负责人电话巡视时间装修管理人员记录检查人备注
物业各系统安全操作检查记录年 月\日期系统、 名称、、、\周周检查日期系统检查情况及处理结果检查人检查日期系统检查情况及处理结果检查...
炼油企业操作规程与操作记录管理规定操作规程管理规定第 1 条管理职责1.生产中心是操作规程的归管理单位,主要负责:(1)确定操作规程的...
火灾情况记录起火时间年 月 日 时 分起火部位起火原因直接经济损失元间接经济损失元死亡人受伤人发现起火经过:责任及处理情况:今后预...
( 钢筋笼 )检验批质量检验记录表编号:单位工程天津港南疆港区中部矿石堆场工程三标段—堆场工程分部工程附属构筑物分项工程桩基施工检验...
漏电保护器检测记录表 A Q-C12-08工程名称: 河间市大川世纪城商品房15楼 编号:保护设备名 称塔吊设备编号0 1额定功率2 3K...
2025 年 11 月 23 日 首次病程记录患者:甘德武,男,48 岁,因“间断便血 5 月,加重 2 天”入院,其病史特点如下:1、患者系中年男性...
混凝土见证取样记录工程名称鑫源御香山一期二标段工程施工单位河南天河建设工程有限公司见证单位河南科维达工程管理有限公司样品名称取样地...
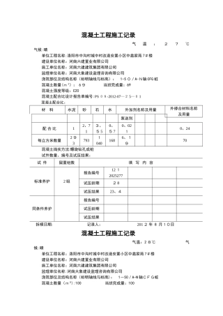
混凝土工程施工记录气温:27℃ 气候:晴单位工程名称:洛阳市中沟村城中村改造安置小区中鑫家苑 7#楼建设单位名称:河南六建置业有限公...
混凝土施工原始记录工程名称施工时间桩号及部位检验时间天气气温(°C)检查项目设计要求检查实测砼设计标号(Mpa )砼施工配合比(kg/m3...
混凝土搅拌记录编号:03-001 SGJL Ⅴ-2工程名称Xxxxxxx结构部位xxxxxxxx砼使用单位xxxxxxxxxx委托单编号/砼数量(m3)4、5配合比编号HP1206...
表 2、5 混凝土坍落度检测记录工程名称:XDG-2025-21 号地块开发建设项目 B 块 B-2 组团 1 标段 编 号: 混凝土浇筑部位浇筑方量...
GB50204-2025 目录号:4.1.10.4.23 共(检验批) 混凝土原材料检验批质量验收记录 第临窗独坐,静心听得风在吹,树在摇,是一种悠闲的平静...
混凝土养护情况记录工程名称: ×× 商务大厦 工程负责人: 李项目 技术负责人: 王技术 编 制 人: 赵资料 工程技术资料分目录表工...

