郑州市第五中学高中体育与健康课程 实施方案 ( 2011 年—2014 年) 郑州市五中学 2011 年 5 月 郑州市第五中学高中体育与健康...
免费获取郑多燕减肥操全套视频教程请加QQ:858981566 1、拟定目标 为什么想要减肥?____________________________ 标准体重是___...
1、拟定目标 为什么想要减肥?____________________________ 标准体重是_____公斤 肥胖度______% PS:标准体重=(身高-100)*...
通州区第六中学学生体质健康提升行动方案 2014 年12 月制定 为贯彻教育部颁发的《国家体质健康标准》,落实北京市教委以及通州区教委有...
透析病人健康宣教手册 一、血液净化治疗流程 按时就诊→指定窗口挂号,缴费→更换专用病号服、室内拖鞋→测量体重、体温、血压、脉搏→医...
适用职业健康安全和环境保护法律法规 合规性评价记录表 山东万达建安股份有限公司 二0 一一年八月 适用职业健康安全和环境保护法律法...
1 远红外线与健康长寿 太阳是万物生长之源,宇宙间如果没有太阳,地球早已毁灭,人如果长年不见阳光就无法生存下去。阳光、空气、水、磁...
近几年中国医疗健康行业发展投资报告 本报告对2006-2008年中国创投市场医疗健康行业投融资情况进行了统计;对投资行为按照融资事件、兼并...
下载后可任意编辑建筑工程施工职业健康管理制度及措施(一)、职业健康管理目标严格遵照集团公司“三标一体”及 XXX 公司“六位一体”程...
下载后可任意编辑广西重点项目-旅游健康产业(一期工程)项目可行性讨论报告编制单位:北京智博睿投资咨询有限公司0下载后可任意编辑本报告...
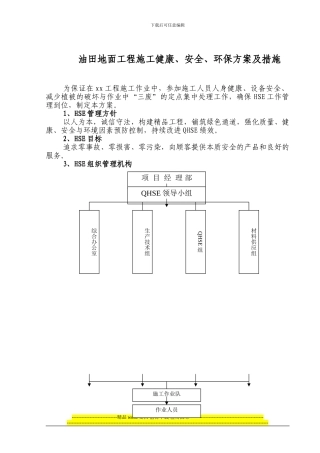
下载后可任意编辑油田地面工程施工健康、安全、环保方案及措施为保证在 xx 工程施工作业中,参加施工人员人身健康、设备安全、减少植被的...
下载后可任意编辑 广州供电局有限公司 2024 年第二批配网基建项目工程(白云局第 3、4 标段)工程安全、职业健康和环境管理策划书批 ...
下载后可任意编辑地铁一期工程控制中心安全生产、文明施工、环境保护、职业健康施工方案一.工程概况1.地铁一期工程控制中心位于哈尔滨市南...
下载后可任意编辑一、编制依据1.1 施工合同文件;1.2 施工组织设计文件;1.3 施工图纸文件;1.4 《建筑施工安全技术标准》JGJ59-99《建...
500kV 淮蚌双回线淮河大跨越工程安全文明健康环境监理工作细则江苏省宏源电力建设监理有限公司500kV 淮蚌线淮河大跨越工程项目监理部2024...
下载后可任意编辑本 页 为作 品 封面 , 下载 后 可以 自 由编 辑 删除 , 欢迎下载!!! 精 品文档1【精品 word 文档...
精品文档保证食品安全的规章制度1.经营场所(1))从业人员健康管理制度;(2))从业人员培训管理制度;(3))食品安全自检自查与报告制...
职 业 健 康 评 估 内 容精品好资料 -如有侵权请联系网站删除精品好资料 -如有侵权请联系网站删除请提供以下资料:1. 企业基本情...
用人单位职业健康检查委托协议深职院合约第()号甲方(委托方): ___________________________________ 地址: _____________________...
学习 -----好资料更多精品文档答卷名称: 2017 年全民健康信息化调查 - 医院答卷人:丹东振安区医院答卷人机构:振安区医院基本信息填...

