粘土包坡施工工艺流程图材料准备路基中线及水平测量检查路基各部尺寸整修边坡路基包土清理表面撒种草籽竣工验收
广 东 省 电 站XX 大 坝 工 程XX主坝开挖施工方案编制: 审核: 审定: 批准: 中国 有限公司 工程施工项目部二O 一O 年五...
广 东 省 抽 水 蓄 能 电 站上 水 库 大 坝 工 程上水库主坝填筑施工方案编制: 审核: 批准: 中国 有限公司 工程施工...
粘土心墙坝填筑监理实施细则11.1 总 则(1)本细则依据合同文件、国家及行业的有关施工技术法律规范和工程验收法律规范编制。(2)本细则...
浅析公路建设中高液限粘土路堤填筑技术浅析公路建设中高液限粘土路堤填筑技术 摘要:近年来随着我国公路事业的迅猛进展,越来越多的路线穿...
文滩水利枢纽粘土心墙坝毕业设计说明书目录第一章 工程概论.................................................1第二章:设计的基本资料及...
两种不同粘土含量岩心油水相对渗透率曲线的常规特征参数和分形维数变化规律两种不同粘土含量岩心油水相对渗透率曲线的常规特征参数和分形维...
陕西省公路建设通用表格陕蒙高速公路路基粘土包边施工自检表路检表 38★合同段工程名称桩号或部位检查日期检查项目设计值实测值合格率(%...
陕西省公路建设通用表格陕蒙高速公路路基粘土包边施工检查表路检表 35★合同段工程名称桩号或部位检查日期检查项目设计值实测值合格率(%...
《粘土手工坊》校本课程纲要课程名称粘土手工坊单 位郑州中学第三附属小学设计人张露适用年级二、三年级总课时数32课程类型校本选修艺术类...
砌筑工程(粘土多孔砖)一、准备工作:1、提前做好皮数杆;标高高差超过 2 厘米时,应先用细石砼进行找平。2、砌筑部位的灰渣及杂物应清...
目录1 编制目得......................................................................................................................
水利水电工程粘土心墙坝施工组织设计
幼儿粘土教案(3 页)Good is good, but better carries it.精益求精,善益求善。韩国粘土详案课时时间:2 小时课时次数:第一次课时...
第八章 心墙粘土灌浆8、1 概述本工程大坝心墙及冲洪积层灌浆造孔 1407m,粘土灌浆 1407m。8、2 粘土灌浆施工(1)灌浆原则稀浆开路,浓浆...
中班超轻粘土制作活动计划(2 页)Good is good, but better carries it.精益求精,善益求善。中班超轻粘土制作活动计划 2025.9—202...
粘土及其他土砂石开采政府立项批地项目可行性讨论报告核心提示:粘土及其他土砂石开采项目投资环境分析,粘土及其他土砂石开采项目背景和进...
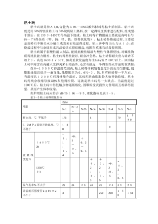
粘土砖粘土砖就是指A l203含量为3 0%一 40%硅酸铝材料得粘土质制品。粘土砖就是用 50%得软质粘土与 50%硬质粘土熟料,按一定得粒度要...
粘土及其他土砂石开采政府立项批地项目可行性讨论报告核心提示:粘土及其他土砂石开采项目投资环境分析,粘土及其他土砂石开采项目背景和进...
目 录一、粘土语言...................................................................................................................

