收费标准江苏省建设工程质量检测和建筑材料试验收费标准检测项目单位收费标准备 注检测项目单位收费标准备 注混凝土配合比设计(抗压)项...
1 / 4 环保水质监测项目收费标准编号监测项目计费单位监测方法收费标准(元)备注1-1 浊度元 /项比浊法7.50 1-2 色度元 /项铂钴...
精品资料关于开发建设项目水土保持咨询服务费用计列的指导意见各有关单位:为规范开发建设项目水土保持方案编制、监理、监测、评估、咨询等...
关于印发《山东省资产评估收费管理办法》和《山东省资产评估服务收费标准》的通知鲁价费发〔 2010〕253 号各市物价局、财政局:为规范资...
《工程勘察设计收费标准》(2002年修订本)工程设计收费标准2002修订版
国际工程常用英汉词汇汇编页脚内容 1水利水电工程设计收费标准说明一、本定额按正常条件进行编制, 其设计内容和设计深度均应符合有关规...
2014《城市规划设计收费标准》、《建筑设计收费标准》一、《城市规划设计收费标准》(一)、 2001 年国家计委《关于放开和下放部分商品和...
1 / 4 民办幼儿园收费标准备案表幼儿园名称地址办学许可证号开办时间法定代表人经办人联系电话办园规模(在园幼儿数)年招生人数办园等...
下载后可任意编辑公证收费标准 一、证明法律行为标额1、 证明土地使用权出让、转让, 房屋转让、买卖及股权转让(1) 500,000 元以下部...
交通建设工程现场检测和工程材料试 (检 )验收费项目及标准表一、交通建设工程现场检测收费项目及标准⒈路基检 测 项 目平整度压实度弯...
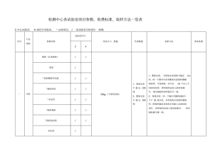
检测中心各试验室项目参数、收费标准、取样方法一览表Z-中心试验室, A-康巴什试验室,*- 必检项目,√ -各试验室可检项目/参数序号产品...
*欧阳光明*创编 2021.03.07 *欧阳光明*创编 2021.03.07 工程设计收费标准 欧阳光明( 2021.03.07) 1 总 则 1.0.1 工程设计收费...
目录 欧阳光明( 2021.03.07) 国家计委、建设部关于发布《工程勘察设计收费管理规定》的通知2 工程勘察设计收费管理规定 3 工程勘察...
2020 最新国家工程设计收费标准 工程勘察设计收费标准 2002 年修订本 国家发展计划委员会 建设部 国家计委、建设部关于发布《工程勘...
2 0 2 0 年最新工程勘察设计收费标准 ( 总 6 9 页 ) 本 页 仅 作 为文档封面,使用时可以删除 This docu ment is for...
2017建筑工程检测收费标准
2017年安徽省综合医疗服务类收费标准
编号修理项目普通中档高档备 注FDJ-01大修发动机180022002600不含外加工费及清洗材料费FDJ-02中修发动机100014001800不含外加工费及清洗材...
1 附 件 湖南省建设工程质量检测收费项目和收费标准 序 号 检 测 项 目 计 费 单 位 收 费 标 准 ( 元 ) 备 注 (...
下载后可任意编辑 通信工程勘察设计收费标准一、总则1.根据国家计委、建设部关于发布《工程勘察设计收费管理规定》的通知 (计价格[2024]...

