协议编号:深水井工程承包协议发包方(建设单位)承包方(施工单位)签订日期企业等级:施工壹级证书号:G安徽省工商行政管理局安徽省建设...
水井维修施工协议甲方:蒲县乔家湾乡乔家湾初级中学校乙方:甲方将水井维修工程委托乙方施工,为明确工程内容及技术经济责任,保证工程质量...
深水井施工协议发包方:(如下简称甲方)承包方:(如下简称乙方)根据《中华人民共和国建筑法》和《中华人民共和国协议法》的有关内容及国...
晋江市湖光路片区安顿房工程降水井劳务分包协议地块项目部降水井劳务分包协议发包方:晋江市湖光路片区地块安顿房工程项目部(如下简称甲方...
大水井小学消防安全应急预案为应对学校突发火灾事故,及时、有序、高效地做出相应处理,保证全校师生的人身生命安全,最大限度减少学校的损...
大水井小学特种设备安全应急预案江东乡大水井小学特种设备使用安全应急预案为增强我校特种设备安全工作的意识,维护学校师生人身安全和财产...
取水井清理排查和电子标识认证工作开展情况汇报为深入落实省、市工作要求,按照省、市的统一安排部署,针对取水井清理排查和电子标识认证工...
东方特钢50万吨不锈钢改造工程基坑支护工程降水井施工方案中国二十冶东方特钢轧钢工程项目经理部二零零八年六月1基坑支护工程降水井施工方...
水濂山明凯科技设计中心一期3号楼1-13轴基坑降水施工方案一、工程概况工程名称明凯科技设计中心(一期3号艺展廊、5号实验楼、59号地下室、6...
降水井封堵施工工法一、前言在长三角地区,土层以粉砂土居多,适宜用降水井降水。在地下室施工阶段,为降低地下水位,降水要求是按设计要求...
地下车库集水井设计与潜污泵选择近年来,由于住宅楼盘的高档化及私车拥有量的增加,在地下修建一层或多层地下停车库,几乎成了各个楼盘竞相...
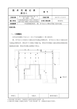
技术交底记录表C2-1编号工程名称南宁市轨道交通**号线工程(玉洞~西津)**站交底日期2015年11月25日施工单位**建设集团有限公司南宁市轨道...
地下室排水沟,集水井做法一:集水坑;集水井平面位置说明,如下图标注为集水坑二,其它为集水坑一。二、地下室排水沟三、车道挡水沟见JS-B-24
○○○○工程地下室底板降水井点封闭防水封堵施工方案一、工程概况及编制依据二、施工准备三、工艺流程一、工程概况工程名称:○○○○地下...
中学生文明礼仪常识仪表是指人的容貌,是一个人精神面貌的外观体现。清洁卫生是仪容美的关键,是礼仪的基本要求。不管长相多好,服饰多华贵...
芒市江东乡大水井小学森林防火应急预案为应对学校突发火灾事故,及时、有序、高效地做出相应处理,保证全校师生的人身生命安全,最大限度减...
路基检查井、沉砂井施工方案一、工程概况本工程检查井、沉砂井施工包括雨水检查井、沉砂井。路基排水采用排水管、雨水检查井、排水沉泥井的...
连接井报验申请表工程名称:宜都市陆城城乡路改造工程编号:致:宜昌宏业工程项目管理有限公司(监理单位)我单位已完成了工作,现报上该工程报...
基坑降水井及降水工程施工方案目录一编制依据.............................................1二工程概况...................................
1、施工前按设计要求放样,放出井位中心点和浇筑位置,并复核基础面高程、平面尺寸是否符合要求。2、钢筋工程(1)进场钢筋符合设计和规范...

