风管与配件制作工程检验批质量验收记录表(金属风管)GB50243—2002 (Ⅰ) 080101□□ 080201□□ 080301□□ 080401□□ 080501□...
空调区的气流组织和空调风管系统课件REPORTING目 录• 空调区气流组织概述• 空调风管系统基本知识• 空调区气流组织的优化方法• 空...
金属矩形风管薄钢板法兰连接技术应用概况本工程地下室及屋面各种类型风管数量约为3700 米,均采用金属矩形风管薄钢板法兰连接技术。该技术...
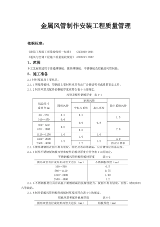
金属风管制作安装工程质量管理依据标准:《建筑工程施工质量验收统一标准》 GB50300-2001《通风与空调工程施工质量验收规范》 GB50243-20...
目 录目 录.........................................................................................................................
(二)双面彩钢酚醛复合风管制作安装施工工艺及主要技术措施1、施工工艺流程准备工作 j 风管制作 j 风管连接 j 吊装 j 检测2、操作...
附件:一、無風管冷氣機「強制性能源效率標示與檢查方式」座談會議程:主持人:工研院能環所楊秉純組長時間:98年10月8日上午10時00分...
空调区的气流组织和空调风管系统通用课件目录•空调区气流组织概述•空调风管系统介绍•空调区气流组织的优化方法•空调风管系统的维护与管...
共板法兰(TDF)风管制作及安装流程主讲人:吴秋成内容提要:●风管制作设备简介●风管制作流程●风管板材连接形式,法兰连接方式介绍●共板法...
风管设计课程大金(中国)投资有限公司技术部研修课PPT06012A大金风管机介绍空调机室外空气室外空气滤网阀门回风室内消声弯头送风口阀门阀门...
送(回)风系统风量的测定和调整方法目前国内使用的风量调整方法有流量等比分配法、基准风口调整法和逐段分支调整法等。由于每种方法都有其...
风管漏光检测记录表C6-39编号00#工程名称江西惠苑宾馆暖通改造工程试验日期2012年月日系统名称一层风系统工作压力(Pa)300Pa系统接缝总长...
青建集团股份公司专项施工方案山东省第23届运动会指挥中心桥架、风管及水管防火封堵施工方案批准:审核:编制:青建集团股份公司二O一二年...
风管集中加工与分散加工的优缺分析地铁机电安装中风管加工到达一定数量后,项目经理部将面临风管加工方案的选择问题,现就xx地铁2号线机电...
风管与部件加工制作与连接(系列帖之二)1.加工阶段简介1)准备阶段:准备工作主要包括绘制加工草图、选料、配备好加工机具和人员、安排好运...
精心整理中央空调风管安装也是非常重要的影响因素。家用中央空调的适用对象一般为住宅、别墅等建筑,因此它的风管系统的安装与中央空调的安...
0废气收集系统风量计算•包括的种类有全面通风量、局部通风量的计算,其中内容有余热量、余湿量、有害物及事故通风量计算排气罩选取•排气...
重庆俊豪ICFC项目不锈钢风管专项施工方案编制:审核:批准:fSm中建二局安装工程有限公司ChinaConstructionSecondEngineeringBureauInstalla...
风管制作规范一、所有风管及其配件的制作、安装必须符合《通风与空调工程施工质量验收规范》(GB50243-2002)、及国家建材和质量保证体系并...
、特点为了无法兰连接风管的板面和法兰为一体,又称“共板法兰”。其主要特点有成型快、外形美观、质量有保证,可以形成流水作业;减轻风管...

