精品文档---下载后可任意编辑浙建监 A5 地基验槽 报验申请表工程名称: 苍南县马站赤岭头垃圾卫生填埋场—综合楼 编号: 致: 郑州...
精品文档---下载后可任意编辑地基验槽记录表工程名称: 工程编号:质基表 1工程部位开挖时间验槽日期完成时间项次项 目验 收 情 况1...
隐蔽工程验收记录 (地基验槽) 编号:DJYC-001 YBJLⅠ-1 单位工程名称 子变压器基础及构支架 分部(子分部)工程名称 地基工程 工程...
基槽(坑)开挖验槽记录年月日工 程 名 称结 构 形 式项次12345织金县八步街道办事处瓜种居委会村级组织活动阵地规范化建设工程砌体...
基坑支护工程验收专题会议纪要工程名称:海晟 2014xp04 地块项目编号 : 001会议时间会议地点会议签到一、工程概况2016 年 08 月 0...
表 C.0.48地基验槽(复验)记录质控(建)表 C.0.48共页第页工程名称验槽部位施工单位验槽日期年月日地质土质情况基槽尺寸标高持力层设计...
隐蔽工程报验单工程名称:华能徐州铜山风电场一期工程编号: JSDJ-01TJ(01)-A16-001 致:西北电力工程监理公司华能徐州铜山风电场一期...
下载后可任意编辑基坑验槽会议纪要范文 基坑验槽会议纪要范本 所有建(构)筑物基坑均应进行施工验槽。基坑挖至基底设计标高并清理后,施工...
老工勘教你如何验槽验槽工作, 尤其是岩土专业的技术人员验槽细致与否,是关系到整个建筑安全的关键。每一位工程技术人员,对每一个基槽,...
下载后可任意编辑老勘察工程师教你如何验槽老勘察工程师教你如何验槽老勘察工程师教你如何验槽 验槽工作, 特别是岩土专业的技术人员验槽...
验 槽 记 录施工单位:中国水利水电第五工程局有限公司工程名称及部位子长县红石峁水库工程建设征地移民安置工程西二巷道一段土方开挖验...
基底验槽的内容有哪些?钎探的目的方法是什么?基底验槽主要有基坑尺寸、土质是否符合设计要求、标高是否符合要求等。本工艺标准适用于建筑...
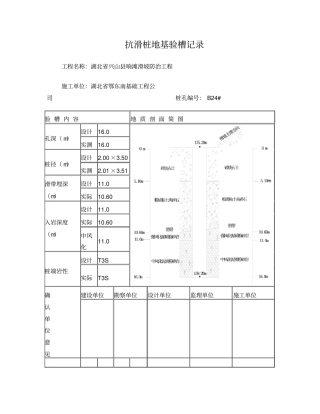
抗滑桩地基验槽记录工程名称:湖北省兴山县响滩滑坡防治工程施工单位:湖北省鄂东南基础工程公司桩孔编号: B24# 验 槽 内 容地 质 ...
管沟验槽记录 工程名称 石嘴山市集污管网延伸改造工程 验收日期 验收部位 沟槽0+000—0+300 施工日期 内容及简图: 本段沟槽土质粘...
地基验槽 报审表 表:DJH-B-07 工程名称: 国电吐鲁番大河沿风电二期49.5MW 工程 编号:GDQS-TLFDHYⅡ-SDAT-DJYC-01 致:甘肃华研水电...
隐蔽工程验收记录 (地基验槽) 编号:02-01-01-02-01-01 YBJLⅠ-1 单位(子单位)工程名称 土建工程(逆变器室) 分部(子分部)工程...
SG-T089 地 基 验 槽 记 录 施工单位: 工程名称及部位 验收日期 基壁土层分布情况及走向(附示意图) 槽底土质、岩层或地基处...
地 基 验 槽 记 录 表C1 编 号:01 工程名称 冠城美立方工程(林荫大道二号线工程安置区5#楼) 日 期 年 月 日 轴线部位 ...
地 基 验 槽 ( 复 验 ) 记 录 质控(建)表4.1.5.1 共 页 第 页 工程名称 福建医科大学附属第二医院东海院区一期建设项...
地基验槽记录 工程编号 090005-1004 工程名称 宝钢三号高炉大修工程铁1 标 验收日期 基壁土层分布情况及走向 4BF向2BF送粉管道改造...

