电脑桌面
添加小米粒文库到电脑桌面
安装后可以在桌面快捷访问

地基验槽隐蔽工程验收记录VIP免费

地基验槽隐蔽工程验收记录_第1页
1/15
地基验槽隐蔽工程验收记录_第2页
2/15
地基验槽隐蔽工程验收记录_第3页
3/15
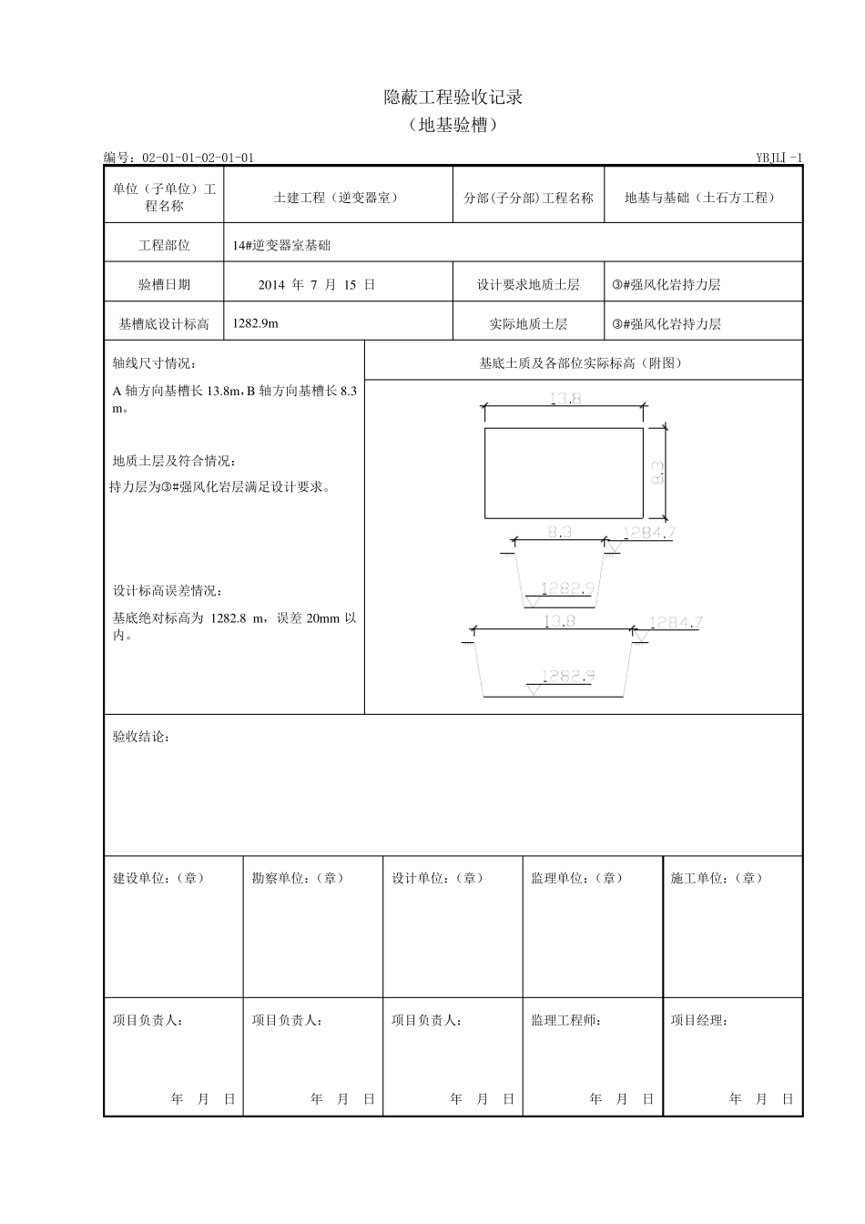
隐蔽工程验收记录 (地基验槽) 编号:02-01-01-02-01-01 YBJLⅠ-1 单位(子单位)工程名称 土建工程(逆变器室) 分部(子分部)工程名称 地基与基础(土石方工程) 工程部位 14#逆变器室基础 验槽日期 2014 年 7 月 15 日 设计要求地质土层 #强风化岩持力层 基槽底设计标高 1282.9m 实际地质土层 #强风化岩持力层 轴线尺寸情况: A 轴方向基槽长 13.8m,B 轴方向基槽长 8.3 m。 地质土层及符合情况: 持力层为#强风化岩层满足设计要求。 设计标高误差情况: 基底绝对标高为 1282.8 m,误差 20mm 以内。 基底土质及各部位实际标高(附图) 验收结论: 建设单位:(章) 勘察单位:(章) 设计单位:(章) 监理单位:(章) 施工单位:(章) 项目负责人: 年 月 日 项目负责人: 年 月 日 项目负责人: 年 月 日 监理工程师: 年 月 日 项目经理: 年 月 日 隐蔽工程验收记录 (地基验槽) 编号:02-01-01-02-01-02 YBJLⅠ-1 单位(子单位)工程名称 土建工程(逆变器室) 分部(子分部)工程名称 地基与基础(土石方工程) 工程部位 17#逆变器室基础 验槽日期 2014 年 7 月 16 日 设计要求地质土层 #强风化岩持力层 基槽底设计标高 1283.68 实际地质土层 #强风化岩持力层 轴线尺寸情况: A 轴方向基槽长13.7m,B 轴方向基槽长8.1m。 地质土层及符合情况: 持力层为#强风化岩满足设计要求 设计标高误差情况: 基底绝对标高为1283.68m,误差±20mm 以内。 基底土质及各部位实际标高(附图) 验收结论: 建设单位:(章) 勘察单位:(章) 设计单位:(章) 监理单位:(章) 施工单位:(章) 项目负责人: 年 月 日 项目负责人: 年 月 日 项目负责人: 年 月 日 监理工程师: 年 月 日 项目经理: 年 月 日 隐蔽工程验收记录 (地基验槽) 编号:02-01-01-02-01-03 YBJLⅠ-1 单位(子单位)工程名称 土建工程(逆变器室) 分部(子分部)工程名称 地基与基础(土石方工程) 工程部位 18#逆变器室基础 验槽日期 2014 年 7 月 14 日 设计要求地质土层 #强风化岩持力层 基槽底设计标高 1284.19 实际地质土层 #强风化岩持力层 轴线尺寸情况: A 轴方向基槽长13.4m,B 轴方向基槽长9.0m。 地质土层及符合情况: 持力层为#强风化岩持力层满足设计要求。 设计标高误差情况:...

1、当您付费下载文档后,您只拥有了使用权限,并不意味着购买了版权,文档只能用于自身使用,不得用于其他商业用途(如 [转卖]进行直接盈利或[编辑后售卖]进行间接盈利)。
2、本站所有内容均由合作方或网友上传,本站不对文档的完整性、权威性及其观点立场正确性做任何保证或承诺!文档内容仅供研究参考,付费前请自行鉴别。
3、如文档内容存在违规,或者侵犯商业秘密、侵犯著作权等,请点击“违规举报”。

碎片内容

地基验槽隐蔽工程验收记录

确认删除?
VIP
微信客服
  • 扫码咨询
会员Q群
  • 会员专属群点击这里加入QQ群
客服邮箱
回到顶部