第1页共8页◎第2页共8页八年级生物上册识图题151210六、综合题(题型注释)1.下图表示青蛙的生殖和发育过程,请回答问题。(1)青蛙个体发...
平法识图与钢筋算量经典试题23411.混凝土保护层是指()。A.纵筋中心至截面边缘的距离。B.纵筋外缘至截面边缘的距离。C.箍筋中心至截面边...
11.光学显微镜结构示意图(1)要使看到的物像更清晰,应轻微调节的结构是[]。(2)物镜是指图中的[]。(3)取显微镜时,手握显微镜的部位应是...
在生物教学中培养学生的识图能力(完整资料).doc
钢结构识图培训讲义第一章识图基础一、投影及三视图三视图:正视图(上左)、侧视图(上右)、俯视图(下)三视图在使用是不一定完整,可能...
内部资料,请勿外传1初中生物会考复习资料(二)识图篇1、写出该光学显微镜的各结构名称,并简单描述其作用。2、写出下面动植物细胞的结构...
建筑识图培训资料第一部分建筑施工图的概念一、什么是建筑施工图建筑施工图就是在建筑工程上所用的,一种能够十分准确地表达出建筑的外形轮...
《建筑识图与工程技术》第一篇建筑识图[+]第一章工程制图的基本规定[+]了解《制图标准》的有关规定(图幅、图线、字样、比例、材料图例、尺...
建筑识图培训资料第一部分建筑施工图的概念一、什么是建筑施工图建筑施工图就是在建筑工程上所用的,一种能够十分准确地表达出建筑的外形轮...
专题(一)读图、识图、用图|专题训练|一、选择题[2019·海南]读“我国某古村落等高线地形图”,完成1~2题。图ZT1-141.文化古庙所处的地形部位...
安装工程中给排水识图室内给排水系统的组成:室内给水系统的给水方式:管道敷设方式:1、给水管道有两种敷设方式:明装和暗装;2、室内排水...
八年级生物下册识图题姓名:_____________1.下图表示青蛙的生殖和发育过程,请回答问题。(1)青蛙个体发育的起点是。属于生殖。(2)雌雄...
八年级下册总复习题型必杀250题专练02(识图题)1.请根据图示回答问题:(1)图中操作步骤是在生产实践中常见的_____________方式,属于___...
1/24专题二识图题类型一、显微镜的结构1.显微镜是初中生物重要的观察工具,图甲为显微镜的结构示意图,图乙为显微镜的目镜和物镜图,利用你...
平法识图答案.doc
一、编制前的准备工作:(应具备的几个条件)1、完整的施工图:包括基本图和详图。A、基本图包括图纸目录、施工图说明、设备材料表、流程图、...
重庆科创职业学院授课方案(教案)系别:建筑学院教研室:土木工程教研室科目:建筑设备与识图建筑工程管理ZK1501-02,班级:建筑工程ZK140...
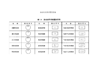
一、管道轴测图画法举例根据立面图平面图画轴测图口诀:根据立面图画:上下左右不变,前后变成45°线注意:64立面图有误二、问答题1、简述...
第一节安装工程识图一、编制前的准备工作:(应具备的几个条件)1、完整的施工图:包括基本图和详图。A、基本图包括图纸目录、施工图说明、设...
《安装工程制图识图与CAD》教学大纲一、课程的性质和任务本课程是楼宇智能化工程技术专业的技术基础课。本课程分为安装工程制图识图与CAD两...

