第1页共11页编号:时间:2021年x月x日书山有路勤为径,学海无涯苦作舟页码:第1页共11页一、内容提要:1、建筑识图与建筑设计2、建筑构造二...
第1页共12页编号:时间:2021年x月x日书山有路勤为径,学海无涯苦作舟页码:第1页共12页尺寸标注的四要素:尺寸界线、尺寸线、尺寸起止符号...
初中生物会考识图填空题精选1、根据右图的植物细胞结构示意图回答(1)、图中①是,它有保护和作用。(2)、图中②的功能除保护以外,还能...
第1页共38页编号:时间:2021年x月x日书山有路勤为径,学海无涯苦作舟页码:第1页共38页第8章建筑施工图8.1概述8.1.1房屋的类型及组成1.房...
第1页共13页编号:时间:2021年x月x日书山有路勤为径,学海无涯苦作舟页码:第1页共13页《建筑制图与识图》教案本节主要内容:剖面图的形成...
第1页共7页编号:时间:2021年x月x日书山有路勤为径,学海无涯苦作舟页码:第1页共7页河南工程技术学校《建筑构造》教学大纲适用:二年制中...
第1页共32页编号:时间:2021年x月x日书山有路勤为径,学海无涯苦作舟页码:第1页共32页目录一.共有建筑面积的区分及分摊方法示例...........
第1页共17页编号:时间:2021年x月x日书山有路勤为径,学海无涯苦作舟页码:第1页共17页【建筑工程钢筋识图入门】——建工、监理、造价的同...
第1页共108页编号:时间:2021年x月x日书山有路勤为径,学海无涯苦作舟页码:第1页共108页学习目标:了解建筑制图的任务与学习方法,掌握常...
第1页共38页编号:时间:2021年x月x日书山有路勤为径,学海无涯苦作舟页码:第1页共38页第8章建筑施工图8.1概述8.1.1房屋的类型及组成1.房...
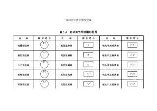
自动化仪表识图及安装
第1页共21页编号:时间:2021年x月x日书山有路勤为径,学海无涯苦作舟页码:第1页共21页第一部分建筑施工图的概念一、什么是建筑施工图建筑...
第1页共12页编号:时间:2021年x月x日书山有路勤为径,学海无涯苦作舟页码:第1页共12页尺寸标注的四要素:尺寸界线、尺寸线、尺寸起止符号...
第1页共12页编号:时间:2021年x月x日书山有路勤为径,学海无涯苦作舟页码:第1页共12页第2页共12页第1页共12页编号:时间:2021年x月x日书...
第1页共10页编号:时间:2021年x月x日书山有路勤为径,学海无涯苦作舟页码:第1页共10页识图一、填空题1、三角板是用来画(铅垂)线和(特...
一、CAD基础知识二、宿舍楼平面图三、宿舍楼立面图四、宿舍楼剖面图五、建筑行业就业形势论文第一节AutoCAD的基础知识CAD是ComputerAdideDe...
第1页共10页编号:时间:2021年x月x日书山有路勤为径,学海无涯苦作舟页码:第1页共10页第一章管道施工图识读1.设计规范要求,暖气支管不得...
建筑识图与房屋建筑工程一、单项选择题1、关于构造柱的说法正确的是A.构造柱可锚入地圈梁内B.构造柱下设基础C.构造柱无须和墙体连接D....
(一)1.先看现场平面布置图,了解工程概况及周围建筑对本工程的影响。2.再看施工组织,大概了解工程的具体施工情况。3.看施工结构图和建筑图...
建筑工程钢筋识图入门一、箍筋表示方法:⑴φ10@100/200(2)表示箍筋为φ10,加密区间距100,非加密区间距200,全为双肢箍。⑵φ10@100/200(...

