电脑桌面
添加小米粒文库到电脑桌面
安装后可以在桌面快捷访问

建筑识图,房产必看VIP免费

建筑识图,房产必看_第1页
1/32
建筑识图,房产必看_第2页
2/32
建筑识图,房产必看_第3页
3/32
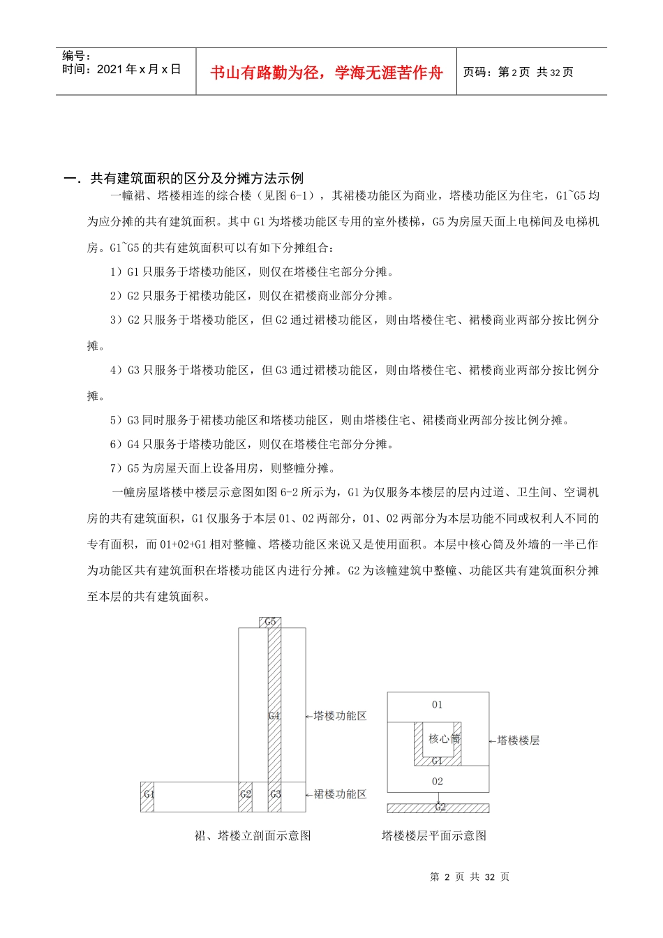
第1页共32页编号:时间:2021年x月x日书山有路勤为径,学海无涯苦作舟页码:第1页共32页目录一.共有建筑面积的区分及分摊方法示例............................................................................................1二.应分摊共有建筑面积的优先级........................................................................................................2三.共有建筑面积处理的一般原则........................................................................................................3四.共有建筑面积分摊计算的检核..........................................................................................................3五、共有建筑面积分摊模型....................................................................................................................3六、房产面积计算过程与分摊示例........................................................................................................5七、房产面积测算中预测面积与实测面积差异的处理......................................................................28第2页共32页第1页共32页编号:时间:2021年x月x日书山有路勤为径,学海无涯苦作舟页码:第2页共32页一.共有建筑面积的区分及分摊方法示例一幢裙、塔楼相连的综合楼(见图6-1),其裙楼功能区为商业,塔楼功能区为住宅,G1~G5均为应分摊的共有建筑面积。其中G1为塔楼功能区专用的室外楼梯,G5为房屋天面上电梯间及电梯机房。G1~G5的共有建筑面积可以有如下分摊组合:1)G1只服务于塔楼功能区,则仅在塔楼住宅部分分摊。2)G2只服务于裙楼功能区,则仅在裙楼商业部分分摊。3)G2只服务于塔楼功能区,但G2通过裙楼功能区,则由塔楼住宅、裙楼商业两部分按比例分摊。4)G3只服务于塔楼功能区,但G3通过裙楼功能区,则由塔楼住宅、裙楼商业两部分按比例分摊。5)G3同时服务于裙楼功能区和塔楼功能区,则由塔楼住宅、裙楼商业两部分按比例分摊。6)G4只服务于塔楼功能区,则仅在塔楼住宅部分分摊。7)G5为房屋天面上设备用房,则整幢分摊。一幢房屋塔楼中楼层示意图如图6-2所示为,G1为仅服务本楼层的层内过道、卫生间、空调机房的共有建筑面积,G1仅服务于本层01、02两部分,01、02两部分为本层功能不同或权利人不同的专有面积,而01+02+G1相对整幢、塔楼功能区来说又是使用面积。本层中核心筒及外墙的一半已作为功能区共有建筑面积在塔楼功能区内进行分摊。G2为该幢建筑中整幢、功能区共有建筑面积分摊至本层的共有建筑面积。裙、塔楼立剖面示意图塔楼楼层平面示意图第3页共32页第2页共32页编号:时间:2021年x月x日书山有路勤为径,学海无涯苦作舟页码:第3页共32页上述两图分别表示了共有建筑面积整幢分摊、功能区分摊、层分摊的情况,无论层次多复杂的共有建筑面积,其分摊计算均可由以上说明推算而出。二.应分摊共有建筑面积的优先级分摊共有建筑面积的优先级按服务范围由大到小、由整体到局部的顺序依次递减,即按照整幢、功能区间及功能区内、层间及层内、户等逐级分摊,整幢共有面积优先级最高,层内多户共有面积优先级最低。按照应分摊共有建筑面积的优先级高低,优先级低的共有建筑面积必须参与分摊优先级高的共有建筑面积。共有建筑面积的分摊,执行按比例分摊的原则,由上而下依次进行,即先分摊幢共有建筑面积,然后分摊功能区间和功能区内共有建筑面积,再分摊层间和层内共有建筑面积,最后把共有建筑面积分摊至套或户。三.共有建筑面积处理的一般原则a)协议优先原则有合法的分割文件或协议时,以协议为准进行分摊计算;无分割文件或协议时,一般根据房屋公共建筑面积的使用功能,按与公共面积相关的房屋的套内(专有)建筑面积的比例进行分摊计算。分割文件或协议应由公共建筑空间的所有相关权利人共同签署,协议内容不能侵犯公共利益和第三方利益,否则不能视为有效的分割协议。协议对产权分割的部位和分割方式应明确、一致且无异议,必要时该分割协议还需经公证。该协议应...

1、当您付费下载文档后,您只拥有了使用权限,并不意味着购买了版权,文档只能用于自身使用,不得用于其他商业用途(如 [转卖]进行直接盈利或[编辑后售卖]进行间接盈利)。
2、本站所有内容均由合作方或网友上传,本站不对文档的完整性、权威性及其观点立场正确性做任何保证或承诺!文档内容仅供研究参考,付费前请自行鉴别。
3、如文档内容存在违规,或者侵犯商业秘密、侵犯著作权等,请点击“违规举报”。

碎片内容

建筑识图,房产必看

您可能关注的文档

确认删除?
VIP
微信客服
  • 扫码咨询
会员Q群
  • 会员专属群点击这里加入QQ群
客服邮箱
回到顶部