下载后可任意编辑出口冷冻菠菜种植技术规程与菠菜质量标准12024 年 5 月 29 日下载后可任意编辑22024 年 5 月 29 日下载后可任意...
下载后可任意编辑冷冻肉类供货合同供货方(甲方):*******酒店 受货方(乙方): 根据《中华人民共和国合同法》及其他有关法律法规的规...
手术中快速冷冻切片标本送检考核评分标准操作者名字总分操作项目操 作 内 容标准分扣分目的及时送检快速冷冻切片标本,为手术提供治疗方...
赛默飞世尔科技有限公司旗下赛默飞世尔科技 高速冷冻离心机 Sorvall ST16R 使用说明书 【说明书编制日期】2011 年 2 月 【版本号...
下载后可任意编辑中国冷冻水产品产业进展态势及主要产区产量分析 我国是世界上最大的水产养殖生产国,水产品产量保持持续增长.水产品加工...
建设项目环境影响报告表项目名称:农产品冷链物流中心建设项目建设单位(盖章) :浙江茂阳农产品配送有限公司绍兴市环球环境保护科学设计...
精子冷冻贮存 6 .1 引言 精子冷冻保存是男科实验室工作中的一个重要组成部分,特别对不孕不育门诊的男科实验室来说。 从19世纪40年代...
深度冷冻法生产氧气及相关气体 安全技术规程 1范围 本规程规定了工业氧气及相关气体的生产(含设计、制造、安装、改造、维修)、储存、...
+\ 深度冷冻法生产氧气及相关气体安全技术规程 目 次 前言 1 范围 2 规范性引用文件 3 术语和定义 4 基本要求 5 生产运...
简介: ·本文根据赛诺市场研究公司监测全国 45 个主要城市 306 家大中型空调卖场的零售数据整理而成。 ·本文涉及所有数据仅来自赛...
培养细胞的冷冻 Polge 等人(1949)发现了甘油对低温下贮存的细胞具有保护作用,他们仍然以精子进行研究发现,加入甘油能够大大提高贮存...
冷冻食品行业分析报告
冷冻电子显微镜技术 冷冻电子显微镜技术在20 世纪70 年代时提出,经过近10 年的努力,在80 年代趋于成熟,近年来已经进入了快速发展的...
冷冻机组操作规程 第1 页 共10 页 编号: 第 1 次修改 1 、主题内容与适用范围: 本规程规定了冷冻机组的工作原理、准备工作,...
◎冷冻式干燥机用途 4、 空压机连续运转但压力低、现场用气量过大 原因三、干燥机蒸发温度过低 冷冻系统制冷剂泄漏 干燥过滤器堵塞 ...
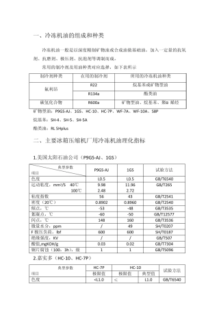
一、冷冻机油的组成和种类 冷冻机油一般是以深度精制矿物油或合成油做基础油,加入一定量的抗氧剂、抗磨剂、极压剂、抗泡剂等调制而成。 ...
冷冻式干燥机工作原理、操作事项及维护保养 1、冷冻式干燥机系统流程图 2、工作原理 ※潮湿高温的压缩空气流入前臵冷却器(高温型专用)...
◎冷冻干燥机原理 日常保养项目 开机前须检查机台背面冷凝器是否干净,以免散热不良。 开机前检查安全装置是否可靠。 机台运行10~20分...
冷冻式干燥机基础知识 发布时间:2010-4-15 关注次数:924 冷 冻 式 干 燥 机 培 训 手 册 空气的基础知识 Ø 什么叫空气? ...
1 冷冻干燥技术及其在食品工业中的应用 ——胡亚楼 1.冷冻干燥食品的概念 干燥是保持物质不致腐败变质的方法之一。冷冻干燥(Freeze D...

