范文 范例 指导参考word 版 整理安全专项维护保养施工方案报审表GDAQ21103 工程名称: 2011 年中国联通广东广州白云通讯机房新建工...
施工升降机维修保养记录工程名称维修保养日期检杳项目 「检查内容及要素检查结果维修记录电梯结构 部分吊笼钢结构无变形、开焊、裂纹、破...
施工升降机维修保养、检查记录表工程名称漯河市长申玉项目一期工程(3#地)B-20#楼设备型号使用单位林州市二建集团建设有限公司检查结果代...
监-30 -□□奉贤区南桥新城18 单元 06-D-01 区域地块工程监 理 实 施 细 则(施工升降机)内容提要 :专业工程特点监理工作流...
完美 WORD 格式专业知识 分享建筑施工升降机管理及维修保养制度使用单位:中建四局第三建筑工程有限公司2016 年 10 月 23 日完美 ...
仅供参考 [整理 ] 第 1 页 共 5 页安全管理文书施工升降机的管理措施及安全使用日期: __________________单位: ______________...
1 / 3 施工升降机每日班前安全检查、运行记录表 ( 年月)工程名称:永馨园北区四标段9#住宅楼施工单位:河南国龙矿业建设有限公司设备...
施工升降机的安全使用(2 )丈量相邻标准节的主柱对接处的错位阶差是否小于0.8mm;(3 )检查导轨架、附墙架等金属结构有无变形、漏焊裂...
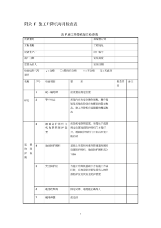
1 附录 F 施工升降机每月检查表表 F 施工升降机每月检查表设备型号备案登记号工程名称工程地址设备生产厂出厂编号出厂日期安装高度安...
仅供参考 [整理 ] 第 1 页 共 5 页安全管理文书施工升降机楼层平台及防护棚施工方案日期: __________________单位: __________...
施工升降机班长考试卷第 1 页 共 5 页施工升降机班长考试卷考试时间: 120 分钟 (总分 100 分) 姓名年龄操作证号所在项目本职工...
施工升降机检验内容及标准施工升降机安全检查内容及标准1.作业人员操作人员1.1※a. 操作人员必须持证上岗;b. 操作人员应熟练掌握 “施...
施工升降机日常维护保养记录使用单位成中投资集团出厂编号4 备案编号川QK-S-1404-00333工程名称金沙家园设 备 型号SC200/200操作人序号...
施工升降机每日班前安全检查、运行记录表工程名称:设备名称: #施工升降机设备型号:年月项目日期1 234567891011121314151617181920简 ...
精心整理施工升降机安装、拆卸、附着、加节施工方案一、编制依据:本方案主要依据本工程施工图图纸、施工组织设计、施工总平面图、施工升降...
SC200/200 施工升降机常见故障及处理方法常见电气故障及故障分析1 保护开关 QF跳闸电缆内部损伤、短路或相线接地。2保护开关 QF2、QF3...
旁站监理记录表GD220240□□单位(子单位)工程名称:旁站日期:年月日旁站气候:晴、雨、阴旁站监理的部位或工序:xxx 施工升降机安装.旁...
中国建筑项目管理表格分项工程交底卡表格编号CSCEC8B-EQ-B20504工程名称青浦区重固镇福贸路北侧16-13农贸市场项目楼栋号本工程分项工程名称...
施工升降机拆除安全技术交底工程名称博文院 1#楼施工单位河北建设集团股份有限公司交底时间接受交底单位施工电梯拆除人数5 人根据我公司...
实用文档1 一、设备概况统一编号:生产厂家:规格型号:安装时间:使用地点:拆卸时间:拆卸高度: m 附墙次数:道拆卸单位:拆卸负责人...

