***花园烟道供货、安装合同 合同编号:甲 方:深圳***房地产开发有限公司乙 方:深圳市***新型建材有限公司甲乙双方根据平等互利的原则...
等截面水泥烟道沿程阻力的讨论摘 要:通过对等截面水泥烟道模型沿程阻力的实验讨论得到烟道内壁绝对粗糙度 K 值,从而为烟道系统设计提...
作 业 指 导 书工程名称:XXXX 电厂工程1作业项目名称:烟道支架(#1)工程结构施工目 录 1. 适用范围2. 编制依据3. 工程概况及...
( 修 )中 国 xx 电 厂烟 道 改 造 施 工 方 案编 制 : 审 核 : 批 准 : 目 录一 . 编 制 说 明 及 依...
作 业 指 导 书编 号:HF35-JZ-05-02工程名称:XXXX 热电联产项目一期工程 A 标段作业项目名称:烟道支架及平台施工编制单位:安徽...
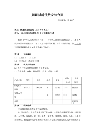
烟道材料供货安装合同 合同编号:NO.007需方:XX 建筑有限公司 【以下简称甲方】供方: XX 水泥制品有限公司 【以下简称乙方】根据《...
烟道重点检查一览表项目/期数: 标段/栋号: 检查人: 检查日期: 序号重要工序(部位)检查细项检查内容部分检查摘要部位检查记录关闭...
烟道系统安装方案1.1 脱硫烟气系统烟道安装重约 410t,烟道截面尺寸为 5600×4780mm。烟道为业主散件供货,现场组合拼装成段进行吊装。...
归档编号:C2-5-3烟(风)道工程检查记录图纸编号: 检查日期:工程名称苏水南路开发商品住宅楼施工单位抚顺宏泰建筑工程公司建设单位新...
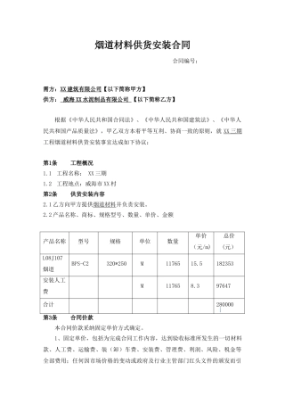
烟道材料供货安装合同 合同编号:需方:XX 建筑有限公司 【以下简称甲方】供方: 威海 XX 水泥制品有限公司 【以下简称乙方】根据《...
烟囱烟道施工方案一、概况:烟囱和烟道是本工程建设工程中的一个构筑物工程项目,本项目工程布置于一期建设工程范围内,是个砖砌体构筑物,...
湘潭万达广场项目 C 组团烟道安装施工方案编制: 审核: 审批: 中国建筑第二工程局有限公司目 录一、编制依据........................
1.编制目的为确保混凝土烟道内衬的施工质量、进度、安全,为客户提供满意的产品。特编制混凝土烟道内衬施工作业指导书。2. 适用范围本作业...
招标编号:********发电有限责任公司二期#3、#4 机组的烟气脱硫技改工程烟道改造及临时烟囱制作、安装招标文件****工程有限公司2008 年 ...
河北国华**发电厂一期工程2×600MW 火电机组烟道钢结构等招(议)标文件2025 年 5 月 工程概况1.1 河北国华**发电厂位于***。本项目...
******电厂烟道支架上部钢结构工程制作工艺编制单位:********批 准:***审 核: ***编 制: ***编制日期:****年*月*日一、工程概况...
****置业有限公司变压式烟道安装施工管理记录编号:GT/QR-ZS-01 REV.0单位工程名称: 部位:检查(管理)项目检查或验收内容(标准)分管...
变压式烟道应用指引一、住宅排气道工作原理住宅排气道是一种能够排除厨房中烹调产生油烟或卫生间污浊气味的共用管道制品。它由竖向排气干管...
一、工程概况1-1XX 电厂是 XX 华润电力有限公司建设和经营的一座大型火力发电厂,位于 XX省 XX 市北郊的铜山县柳新镇,厂址北靠京杭...
兰乔国际城 17#楼工程厨房烟道工程施 工 方 案 编 制:_______________ 审 核:_______________ 批 准:________________ 项目...

