电脑桌面
添加小米粒文库到电脑桌面
安装后可以在桌面快捷访问

烟道供货安装合同2

烟道供货安装合同2_第1页
1/6
烟道供货安装合同2_第2页
2/6
烟道供货安装合同2_第3页
3/6
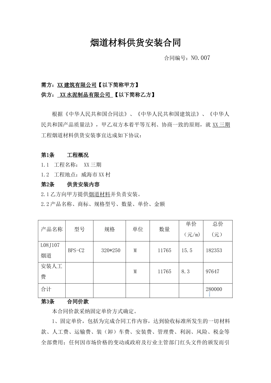
烟道材料供货安装合同 合同编号:NO.007需方:XX 建筑有限公司 【以下简称甲方】供方: XX 水泥制品有限公司 【以下简称乙方】根据《中华人民共和国合同法》、《中华人民共和国建筑法》、《中华人民共和国产品质量法》,甲乙双方本着平等互利、协商一致的原则,就 XX 三期 工程烟道材料供货安装事宜达成如下协议: 第1条工程概况1.1工程名称: XX 三期1.2工程地点:威海市 XX 村 第2条供货安装内容2.1 乙方向甲方提供烟道材料并负责安装。2.2 产品名称、商标、规格型号、数量、单价、金额产品名称型号规格单位数量单价(元/m)总价(元)L08J107烟道BPS-C2 320*250 M 1176515.5182353安装人工费 M 117658.397647合计 280000第3条合同价款本合同价款采纳固定单价方式确定。1、固定单价,包括为完成合同工作内容,达到验收标准所发生的一切材料款、人工费、运输费、装(卸)车费、安装费、管理费、利润、风险、税金等全部费用;任何因市场价格的变动或政府及行业主管部门红头文件的颁发而引起的乙方的实际支出的增减,均视为乙方已经事先充分估量并已经列入合同单价之中。在整个合同实施期间,合同单价不作任何调整。2、材料的抽检、复检检测等费用由乙方承担。结算量:以验收通过的实际供货安装数量为结算量。第4条价款支付结算方式:乙方根据甲方签收的材料单及施工三方签证结算。价款支付方式:烟道安装完工验收合格支付货款的 80%,余下 20%在安装完工验收合格后 6 个月支付余款。第5条产品质量要求乙方供应的全部材料及安装的产品质量根据国家相关质量标准和技术指标执行。第6条供货方式、时间、地点等要求6.1 供货时间:以甲方电话(电话/传真/书面)通知为准,甲方提前 48 小时通知乙方送货及现场安装,乙方将合同签署的烟道材料负责运输到甲方指定的施工场地现场,甲方需保证有足够的场地保证车辆进出及堆放。施工场地现场收货人郑贤晃,联系电话 1514006508。6.2 供货地点:威海市 XX 村 XX 三期项目部 ,材料到达交货地点后,甲乙双方、监理单位及施工单位应根据本合同约定的质量标准,及时对货物进行初步验收经验收后,乙方将货物交给甲方。甲方如对乙方所供产品质量存有异议,需在货到现场后 3 天内以书面形式提出。6.3 如甲方未按规定提出书面异议的视为所交产品符合合同规定;如乙方在接到甲方书面异议后,应在 3 日内负责处理,否则即视为甲方提出的异议和处理意见合理,应立即予以退货或换...

1、当您付费下载文档后,您只拥有了使用权限,并不意味着购买了版权,文档只能用于自身使用,不得用于其他商业用途(如 [转卖]进行直接盈利或[编辑后售卖]进行间接盈利)。
2、本站所有内容均由合作方或网友上传,本站不对文档的完整性、权威性及其观点立场正确性做任何保证或承诺!文档内容仅供研究参考,付费前请自行鉴别。
3、如文档内容存在违规,或者侵犯商业秘密、侵犯著作权等,请点击“违规举报”。

碎片内容

烟道供货安装合同2

您可能关注的文档

文森传品+ 关注
实名认证
内容提供者

一家传播文化教育的小店,资料丰富,随意挑选。

确认删除?
VIP
微信客服
  • 扫码咨询
会员Q群
  • 会员专属群点击这里加入QQ群
客服邮箱
回到顶部