1366第二部分施工工序工程检刚方法标准将单桩竖向极限承载力除以安全系数为2,即得单桩竖向承载力标准值Rko(八)开始试验的时间:预制桩在砂...
摘要浅述钻孔灌注桩基础主要施工质量问题的防治摘要钻孔灌注桩基础属隐蔽工程,且影响其质量的因素较多,如不抓住重点进行有效防控,就有可...
管桩基础施工1一般规定1.1管桩基础施工前,应完成下列准备工作:1、组织有关单位会审图纸。2、调查施工区域及毗邻的地下管线及建(构)筑物,...
中国联通河池市通信生产楼工程施工组织设计方案中国联通河池市通信生产楼工程施工方案一、工程概况本工程为框架结构五层、人工挖孔桩基础,...
、旋挖成孔灌注桩基施工本工程桩基础采用旋挖机械成孔灌注桩,共配置8台SR200D旋挖钻机。1、旋挖桩施工流程旋挖桩的施工工艺流程见下图。定...
人工挖孔桩基础验收时应提交的资料:1、桩成孔记录;2、桩施工记录;3、钢筋笼加工、安装、隐蔽检验批验收记录;4、灌注桩混凝土浇筑记录;...
6.3.1人工挖孔桩1.人工挖孔桩施工顺序:场地整平→放线→定桩位→挖第一节桩孔土方→支模浇筑第一节护壁→在护壁上二次校测标高及桩十字轴...
桩基础施工控制要点提要:本文结合工程建设标准强制性条文,总结桩基工程施工监理中旁站、巡视、平行检验的实践活动特点。浅述加强地基基础...
桩基础常见工程质量事故⑴、打(压)桩工程质量常见事故及原因分析:①单桩承载力低于设计要求常见原因有以下四种:(A)桩沉人深度不足;(...
安全设施计算软件(2012)PKPM软件出品塔吊四桩基础的计算书依据《塔式起重机混凝土基础工程技术规程》(JGJ/T187-2009)。一.参数信息塔吊型号...
钻孔压浆桩基础施工方案1、定桩位:根据设计图纸、施工组织设计,本着有利于保护已施工桩,以及孔土和废浆外运及钢筋笼、碎石内运方便等综...
腿蚃虿艿芁蒅羇芈莄蚁袃芇薆蒄衿芆芆蝿螅袃莈薂蚁袂蒀螇羀袁膀薀袆袀节螆螂罿莅蕿蚈羈蒇莁羆羈膆薇羂羇荿蒀袈羆蒁蚅螄羅膁蒈蚀羄芃蚃罿羃莅...
桩基础设计实例一、设计资料:建筑场地资料同任务书。建筑地基的土层分布情况及各土层物理、力学指标见表1。土层编号土层名称层底埋深(m)...
管桩基础质量事故韵几个典型案例王离广东省土木建筑学会摘要:列举了九个在广东地区施工实施阶段发生过的管桩基础质量事故典型案例,分析了...
广丰县下溪镇西溪公共租赁住房桩基础旋挖机施工方案编制任红兴职务施工员审核余涛职务项目经理批准陈亚中职务技术负责人江西饶州建设工程有...
第第44章桩基础章桩基础本章教学目标:本章教学目标:11了解桩基础的使用,熟悉桩基础的设计内了解桩基础的使用,熟悉桩基础的设计内容、设...
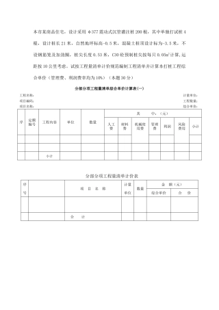
本市某商品住宅,设计采用φ377震动式沉管灌注桩200根,其中单独打试桩4根,设计桩长21米,自然地坪标高-0.5米,混凝土桩顶设计标为-3.5米...
1/3三门峡海关物流中心桩基础工程施工项目投标人资格审查表招标人:三门峡市城市建设投资开发有限公司联系电话:代理机构:三门峡市助帮招...
SG—T030桩基础工程质量文件汇总表序号料名资称份数1打试桩记录12桩基础施工记录13预制桩合格证14人工挖孔灌注桩验槽记录或地基处理工程质...
kV输电线路工程灌注桩基础施工方案2————————————————————————————————作者:—————————————...

