纺织工业非织造布*******中心沈阳某钢结构厂房屋面及墙体施工工艺 1 采纳的板型及连接方式(1) HV-760 型屋面板压型板型号有效覆盖宽...
高层剪力墙结构中剪力墙墙体布置详解上节课进行的内容中,对高层剪力墙结构的抗震等级、体型等有了一个大体的认识,本节课就基于上节课的前...
既有住宅建筑墙体节能改造方法的讨论既有住宅建筑墙体节能改造应根据既有住宅建筑外观造型、饰面材料及其坚固程度等具体情况,在充分的技术...
新型砌块墙体性能讨论新型砌块墙体比传统黏土砖墙体更容易产生裂缝。通过对砌块墙体裂缝产生的原理、影响因素等深化分析,从墙体变形角度提...
新型墙体材料(页岩砖)应用及施工技术一、工程概况:本工程内隔墙采纳 MU5 页岩空心砖砌筑,由于层高较高(一般 6~8m,最高处 10m)、...
学院餐厅项目刚性发泡水泥轻质墙体施工方案目 录一、 刚性发泡水泥轻质墙体与传统加气块隔墙的优越性对比二、 工程概况三、 方案执行标...
探讨建筑节能与墙体保温探讨建筑节能与墙体保温 摘 要:墙体保温施工技术在建筑节能中发挥着越来越重要的作用。本文在概述了墙体保温材料...
承重墙体砌砖工程 1) 所有标砖或空心砖砌筑前必须浇水润湿,严禁干砖上墙。 2) 砖墙与组合柱交接处留三进三出直槎,进出要标准整齐,以...
多层砌体房屋墙体温度裂缝的几种措施分析多层砌体房屋墙体温度裂缝的几种措施分析 【摘要】本文主要对墙体裂缝形成的原因进行了深化的探讨...
多层住宅混凝土多孔砖墙体裂缝控制摘 要:目前,存在一些多层住宅墙体裂缝的发生。为了保证工程质量,使广阔用户得到满意,减少裂缝对住宅...
多层住宅墙体节能施工技术解决我国当前建筑节能技术存在的重点问题,形成几项有有用价值的新的节能技术,并建成一个有特色的、设备基本配套...
安全节能 防患未然建筑节能大势所趋、方兴未艾,利在当代、功在千秋。目前,国家及各地方政府建筑节能政策相继酝酿、出台,节能产品层出不...
工程名称蝶景湾 D-1 区 D1#-D7#楼工程交底部位墙体植筋、砌块砌筑施工施工单位湖北海厦建设工程有限公司日期2014 年 6 月 6 日交底...
湘潭万达广场项目墙体洞眼封堵施工方案(方案编号:CSCEC2B-XTWD-172)编制:审核:批准:中国建筑第二工程局有限公司湘潭万达广场总承包项...
技术交底记录表 C2-1编 号018工程名称交 底 日 期施工单位分项工程名称模 板交底提要墙体模板施工技术交底交底内容: 一、材料要求U...
墙体节能工程施工岗前培训记录工程名称:振兴·温莎小镇小区 #楼工程培训主题:建筑工人墙体节能工程施工岗前培训时 间: 年 月 日 ...
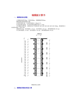
墙模板计算书 一、墙模板基本参数 计算断面宽度350mm,高度3000mm,两侧楼板厚度0mm。 模板面板采纳普通胶合板。 内龙骨布置15道,内龙...
墙 体 材 料 购 销 合 同合同编号:NO。[墙材]需方: (简称甲方)供方: (简称乙方)为了法律规范墙体材料购销行为,保护供需双...
技术交底记录表 C2-1编 号018工程名称交 底 日 期施工单位分项工程名称模 板交底提要墙体模板施工技术交底交底内容: 一、材料要求U...
目 录1、编制依据...................................................12、工程概况.....................................................

