3DBIM 放样机器人系统是与 BIM 系统联动的测量放线设备。该系统由电子测角、电子测距、电子计算和数据存储等组成,可同时进行自动测角、...
精装修工程放线工程技术技术交底课件目录CATALOGUE•精装修工程放线技术概述•精装修工程放线技术流程•精装修工程放线技术要点•精装修工...
建筑工程施工放线环节建筑工程土建施工阶段放线,大致分为建筑物定位、土方开挖、基础施工和主体施工放线等阶段,另外在浅谈一下建筑物沉降...
五步放线施工法一、什么叫五步放线施工法一、什么叫五步放线施工法装饰施工单位中标以后,进场与土建单位移交的轴线或主控制线以及各楼层标...
五步放线施工法一、什么叫五步放线施工法一、什么叫五步放线施工法装饰施工单位中标以后,进场与土建单位移交的轴线或主控制线以及各楼层标...
施工测量放线报验单工程名称:********************改造安置房1#住宅楼编号:致监理单位:******根据合同要求,我们已完成****************...
定位和测量放线施工方案第一节编制依据1、《城市测量规范》(CJJ/T8--2011);2、《工程测量规范》(GB50026—2007);3、《建筑变形测量规...
建筑物定位放线一、施工测量前的准备工作二、建筑物的定位测量三、建筑物的放线四、建筑物的轴线投测一、施工测量前的准备工作熟悉设计图纸...
施工测量放线申请表工程名称:漯河军分区翻建机关食堂及官兵宿舍楼致:漯河市正源建设监理有限公司(监理单位)根据合同约定,我单位已完成...
一、项目概况:本项目为会所室内精装修工程,总建筑面积约为4979m2,地下1层,地上3层,工4层,建筑高度11.6m。其中地下1层主要包含健身房...
市政道路工程测量放线测量放线是市政道路工程很重要的一项技术工作,贯穿于施工的全过程,从施工前的准备,到施工过程,到施工结束以后的竣...
市政道路工程施工测量放线方法与技巧测量放线是市政道路工程很重要的一项技术工作,贯穿于施工的全过程,从施工前的准备,到施工过程,到施...
滨州国昌实验幼儿园综合楼测量放线监理细则滨州鲁宏建设工程监理有限公司一、工程概况:滨州国昌实验幼儿园综合楼,总用地面积43300平方米...
一、工程定位工程定位,一般包括两个内容,一个是平面位置定位,一个是标高定位。1、根据场地上建筑物主轴线控制点或其它控制点,将房屋外...
天邑宏御花园24#楼目录一、施工程序二、控制原则三、施工准备四、工程平面控制网五、工程定位测量七、工程重点部位的测量控制方法六、工程...
目录一、工程概况:..................................................1二、测量仪器的配备及使用情况....................................
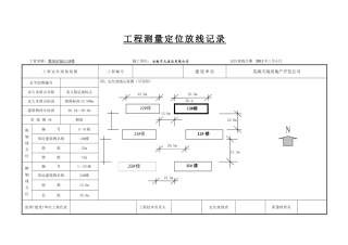
工程测量定位放线记录工程名称:繁瑞星城D13#楼施工单位:安徽中元建设有限公司定位放线日期2011年1月6日工程定位放线依据工程编号建设单位...
测量全站仪放线全过程图1为宾得全站仪PTS-V2,图2为尼康C-100全站仪,图3为智能全站仪GTS-710,图4为蔡司EltaR系列工程全站仪,图5为徕卡TP...
定位和测量放线施工方案一、施工前的准备工作1、人员准备:本工程设测量管理员1名负责本工程与测量有关的工作,测量员2名负责施工过程中的...
御园项目一标段测量放线施工方案目录一、工程概况.......................................................................................

