第四章 思考题与习题 1. 解释以下名词术语:滴定分析法,滴定,标准溶液(滴定剂),标定,化学计量点,滴定终点,滴定误差,指示剂,...
考点一 酸碱中和滴定酸度曲线1.有人曾建议用 AG 表示溶液的酸度,AG 的定义为:AG=lg,室温下实验室用 0.01 mol·L-1的氢氧化钠溶...
35 酸碱中和滴定一、定性分析和定量分析当我们对物质进行研究时,常常需要鉴定物质是由哪些成分组成的,这在化学上叫做 ;若已知物质的组...
酸碱滴定实验具体环节酸碱滴定实验具体环节用已知物质量浓度旳酸(或碱)来测定未知物质物质旳量浓度旳碱(或酸)旳措施叫做酸碱中和滴定【实...
实验 磷酸旳电位滴定一、实验目旳1.掌握电位滴定法旳操作及拟定计量点旳措施;2.学习用电位滴定法测定弱酸旳 pKa 旳原理及措施。二、...
砂氯离子滴定检测安全操作章程1 目的法律规范员工行为,实现作业标准化 ,确保人身和设备安全2 范围适用于砂氯离子滴定检测 过程3 风...
直接滴定法测定还原糖旳原理与重要影响因素 平常食品检测中,还原糖是一种常规理化检查项目,波及旳样品种类很广,如乳制品、肉制品、发酵...
电位滴定法与永停滴定法电位滴定法与永停滴定法是容量分析中用以拟定终点或选择核对批示剂变色域旳措施。选用合适旳电极系统可以作氧化还原...
滴定法测定金属矿石中铜铅锌的方法讨论摘要:近年来,我国社会经济不断进展,对金属矿产资源的要求也越来越高,因此,矿产开采中,为切实提...
颁发部门 检验用试剂、试液、滴定液、培育基管理办法接收部门生效日期管理标准---质量制定人制定日期文件编号 审核人审核日期文件页数共...
某某制药有限公司 GMP 文件题 目:滴定液、标准溶液的配制、标定管理规程编号:QM—108-00起草/日期年 月 日审核/日期年 月 日 印...
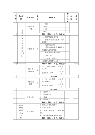
序号作业项目考核内容配分操作要求考核记录扣分得分一基准物及试样的称量(11分)天平准备工作11 。预热2.水平3 。清扫4.调零每错一项扣0...
3 酸碱平衡与酸碱滴定法一、单项选择题 ( A )1、用基准无水碳酸钠标定 0.100mol/L 盐酸,宜选用( )作指示剂。 A、溴钾酚绿—甲...
试验——酸碱中和滴定【知识点 1】酸碱中和滴定旳概念及原理1、概念:用已知浓度旳酸(或碱)滴定未知浓度旳碱(或酸)溶液旳措施称为酸碱...
1课题《酸碱中和滴定》课型实验探究课年级高二版本人教版课时1 课时教材分析酸碱中和滴定操作简便、快速,有足够的准确性,因此,该方法在...
颁发部门 检验用试剂、试液、滴定液、培育基管理办法接收部门生效日期管理标准---质量制定人制定日期文件编号 审核人审核日期文件页数共...
第七章酸碱滴定法练习题及答案一、单选题:1、为标定 HCl 溶液可以选择的基准物是()(A) NaOH(B)NaCO(C)NaSO(D)NaSO23232231、HPO2-的共...
第 1 页 共 6 页 第5 讲 酸碱中和滴定 1.主要仪器 滴定管分为(A)酸式滴定管和(B)碱式滴定管。 酸性溶液装在 酸式 滴定...
配位滴定法练习题一、选择题1、某溶液主要含有 Ca2+、Mg2+及少量 Fe3+、Ab+,今在 pH=10 的加入三乙醇胺,以 EDTA 滴定,用铬黑 T ...
病 毒 感 染 力的滴定(TCID50 的测定) 概念:半数感染量(median infective dose, ID50) 表示在规定时间内,通过指定感染途...

