1塔吊桩基承载力计算书(附件一)湖畔美居工程施工期间,用2台塔式起重机,型号:TC5613,安装位置见施工平面图。一、TC5613附着式塔机在附...
第1页共27页编号:时间:2021年x月x日书山有路勤为径,学海无涯苦作舟页码:第1页共27页编制说明根据自治区交通厅公路建设项目精细化管理的...
扩建机动车辆用车锁等产品项目施工方案扩建机动车辆用车锁等产品项目桩基工程施工方案(桩基工程)江苏通力建设工程有限公司1扩建机动车辆...
金华“体育中心·体育馆”工程旁站记录监理台帐浙江江南工程管理股份有限公司金华“体育中心·体育馆”工程项目监理部JNJL/QR/ZN-05/T1/1.0...
淮北城市百万棚户区改造及配套商业C1#楼(淮北国购广场)CFG桩基专项施工方案编制:合肥建工集团程有限公司二O一一年十二月三十一日工程汇...
宁波大碶疏港公路延伸段桩基检测工程招标文件招标单位:宁波市大碶疏港高速公路有限公司招标代理单位:宁波联众工程造价咨询有限公司2006年...
桩基施工组织设计方案目录第一章工程概况……………………………………………………………041.1编制依据…………………………………………...
中国核工业芜湖基础工程公司地大·橡树园管桩基础工程ZhongguoHegongyeWuhuJichuGongchenGongsi施工组织设计工程编号:WJ-2009-04-20地大·...
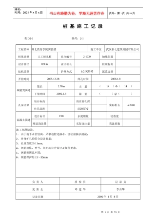
第1页共53页编号:时间:2021年x月x日书山有路勤为径,学海无涯苦作舟页码:第1页共53页桩基施工记录表D2-3编号:2-1工程名称湖北教育学院...
CB11施工放样报验单(承包[]放样号)合同名称:致:根据施工合同要求,我方已完成的施工放样工作,请贵方核验。附件:施工放样资料序号或位...
施工测量放样报验单工程名称:施工标段:编号:致(项目监理机构):根据合同要求,我单位已完成南溪特大桥35#墩墩柱桩基的施工测量放样工...
目录一、技术标总说明二、施工组织设计第一章编制说明...................................................................................
档号:档案馆号:案卷题名:编制单位:起止日期:密级:保管期限:本工程共:卷本案卷为第卷江苏省建设工程质量监督总站监制目录序号编号名称...
第1页共51页编号:时间:2021年x月x日书山有路勤为径,学海无涯苦作舟页码:第1页共51页第一章综合说明针对本工程的地理环境、桩型、施工特...
第1页共49页科玛化妆品(苏州)有限公司新建自用仓库及包装车间项目施工组织设计施工单位:苏州第一建筑集团有限公司施工单位:苏州第一建...
肇花高速公路第九合同段桩基首例工程开工报告目录一、工程概况..............................................1二、计划工期................
第1页共88页编号:时间:2021年x月x日书山有路勤为径,学海无涯苦作舟页码:第1页共88页更多资料请访问.(.....)更多企业学院:...../Shop...
银百高速(G69)甜永段TYSY3合同段寺沟大桥桩基施工方案路港集团有限公司银百高速(G69)甜永段TYSY3项目经理部二0一七年七月目录一、编制...
前滩39-01地块项目桩基及围护施工组织设计目录1.编制依据................................................................................
1总则1.0.1为了在桩基设计与施工中贯彻执行国家的技术经济政策,做到安全适用、技术先进、经济合理、确保质量、保护环境,制定本规范。1.0....

