电脑桌面
添加小米粒文库到电脑桌面
安装后可以在桌面快捷访问

桩基施工评定表格格式VIP免费

桩基施工评定表格格式_第1页
1/13
桩基施工评定表格格式_第2页
2/13
桩基施工评定表格格式_第3页
3/13
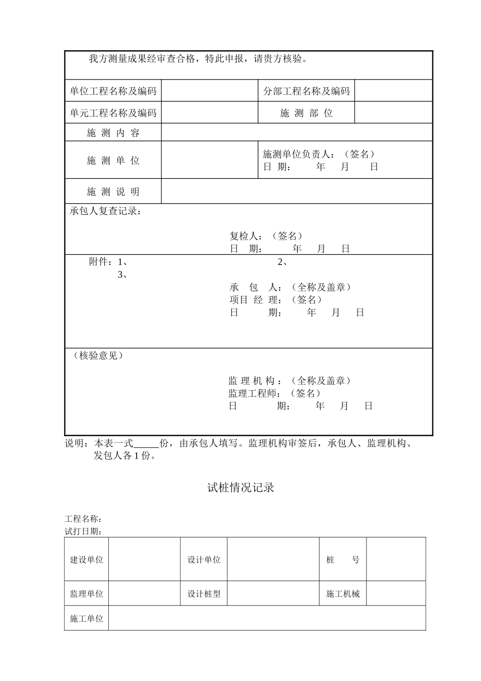
CB11施工放样报验单(承包[]放样号)合同名称:致:根据施工合同要求,我方已完成的施工放样工作,请贵方核验。附件:施工放样资料序号或位置工程或部位名称放样内容备注自检结果:承包人:(全称及盖章)技术负责人:项目经理:日期:核验意见:监理机构:监理工程师:日期:年月日说明:本表一式份,由承包人填写,监理机构审核后,承包人2份,监理机构、发包人各1份。桩基平面图CB13施工测量成果报验单(承包【】测量号)合同名称:合同编号:致:(监理机构)我方测量成果经审查合格,特此申报,请贵方核验。单位工程名称及编码分部工程名称及编码单元工程名称及编码施测部位施测内容施测单位施测单位负责人:(签名)日期:年月日施测说明承包人复查记录:复检人:(签名)日期:年月日附件:1、2、3、承包人:(全称及盖章)项目经理:(签名)日期:年月日(核验意见)监理机构:(全称及盖章)监理工程师:(签名)日期:年月日说明:本表一式份,由承包人填写。监理机构审签后,承包人、监理机构、发包人各1份。试桩情况记录工程名称:试打日期:建设单位设计单位桩号监理单位设计桩型施工机械施工单位试打情况:灌注桩控制标准:施工单位:日期:20年月日监理单位:日期:20年月日建设单位:日期:20年月日设计单位:日期:20年月日桩基混凝土浇筑开仓报审表(承包[20]开仓号)合同名称:单位工程名称分部工程名称地基处理分部工程单元工程名称单元工程编码申报主要工序具备情况备料情况已准备就绪意见成孔情况已钻孔完成钢筋制安已完成制安清孔已清孔完成细部结构已处理清楚砼系统准备已准备就绪其它已准备就绪附:自检资料混凝土浇筑准备就绪,请审批。承包人:(全称及盖章)项目经理:日期:20年月日监理机构意见□同意开仓□不同意开仓,应整改附:存在问题:监理机构:(全称及盖章)监理工程师:日期:年月日说明:本表一式份,由承包人填写,监理机构审签后,承包人、监理机构、发包人各1份。钻孔灌注桩原始记录工程名称:施工单位:施工日期:年月日分项工程名称Ф1000钻孔灌注桩墩台号LYG-GQ1#桩孔号1-#设计桩长(m)设计孔底标高(m)护筒顶标高(m)设计桩径(m)设计桩顶标高(m)地面标高(m)钻孔方式钻机型号日期时间钻孔进尺(m)地质情况泥浆相对密度孔径、竖直度检查情况备注起止本次累计技术负责人:质检员:记录员:现场监理:日期:水下混凝土灌注施工记录工程名称:施工单位:编号:分项工程名称Ф1000钻孔灌注桩墩台号:LYG-GQ1#桩孔号:1-#施工日期设计桩长(m)设计孔底标高(m)护筒顶标高(m)设计桩径(m)终孔孔底标高(m)设计桩顶高(m)砼设计强度(Mpa)C30钢筋骨架长(m)钢筋骨架顶标高(m)灌注时孔底标高(m)灌注时泥浆相对密度气温(℃)混凝土配合比(kg/m3)水泥砂碎石水外加剂362758102618064计算砼用量(m3)实际砼用量(m3)首盘砼用量(m3)砼坍落度(cm)导管编节情况导管总长(m)灌注情况备注时间灌注砼体积(m)砼面深度(m)导管底深度(m)导管埋入砼深度(m)导管拆除数量起止节数长度(m)技术负责人:质检员:记录员:现场监理:日期:钻孔灌注桩基施工终孔申请单概述工程名称孔桩号桩号设计桩长(m)设计孔底标高(m)设计桩径(m)护筒直径(m)地质柱状图施工单位意见单位名称施工单位技术负责人(签字)监理(质检)意见单位名称监理工程师(签字)勘察单位意见单位名称勘察工程师(签字)设计单位意见实际桩长(m)实际孔底标高(m)是否终孔专业工程师年月日业主意见单位名称业主代表(签字)年月日灌注桩钢筋工序三检表单位工程名称单元工程量分部工程名称地基处理分部工程检验日期年月日单元工程名称、部位评定日期年月日序号检查项目质量标准检验结果1受力钢筋的品种、级别、规格和数量符合设计要求2钢筋焊接或机械连接接头质量符合规范要求3钢筋的表面质量平直、洁净,不应有伤痕、油污、片状老锈和麻点4钢筋笼吊放质量符合设计要求,不碰孔壁,固定牢固序号检测项目允许偏差(mm)偏差值123456789101钢筋笼制作安装主筋间距±102箍筋间距±203直径±104长度±1005保护层±206安置高程±50检查结果共检测点,其中合格点,合格率%检查全部符合要求,各项指标均...

1、当您付费下载文档后,您只拥有了使用权限,并不意味着购买了版权,文档只能用于自身使用,不得用于其他商业用途(如 [转卖]进行直接盈利或[编辑后售卖]进行间接盈利)。
2、本站所有内容均由合作方或网友上传,本站不对文档的完整性、权威性及其观点立场正确性做任何保证或承诺!文档内容仅供研究参考,付费前请自行鉴别。
3、如文档内容存在违规,或者侵犯商业秘密、侵犯著作权等,请点击“违规举报”。

碎片内容

桩基施工评定表格格式

您可能关注的文档

确认删除?
VIP
微信客服
  • 扫码咨询
会员Q群
  • 会员专属群点击这里加入QQ群
客服邮箱
回到顶部