电脑桌面
添加小米粒文库到电脑桌面
安装后可以在桌面快捷访问

桩基施工记录VIP免费

桩基施工记录_第1页
1/53
桩基施工记录_第2页
2/53
桩基施工记录_第3页
3/53
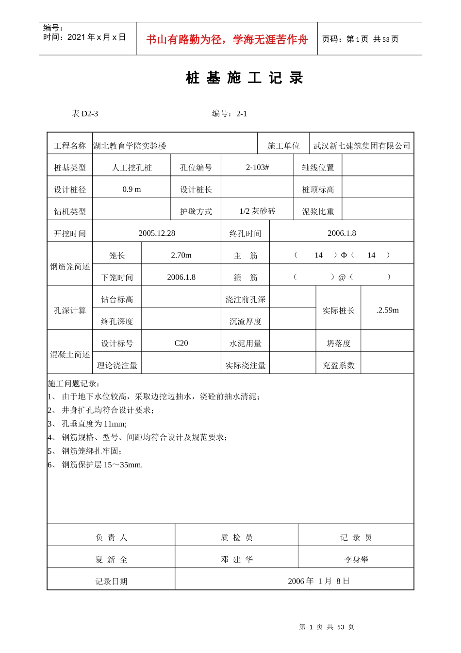
第1页共53页编号:时间:2021年x月x日书山有路勤为径,学海无涯苦作舟页码:第1页共53页桩基施工记录表D2-3编号:2-1工程名称湖北教育学院实验楼施工单位武汉新七建筑集团有限公司桩基类型人工挖孔桩孔位编号2-103#轴线位置设计桩径0.9m设计桩长桩顶标高钻机类型护壁方式1/2灰砂砖泥浆比重开挖时间2005.12.28终孔时间2006.1.8钢筋笼简述笼长2.70m主筋(14)Φ(14)下笼时间2006.1.8箍筋()@()孔深计算钻台标高浇注前孔深实际桩长.2.59m终孔深度沉渣厚度混凝土简述设计标号C20水泥用量坍落度理论浇注量实际浇注量充盈系数施工问题记录:1、由于地下水位较高,采取边挖边抽水,浇砼前抽水清泥;2、井身扩孔均符合设计要求;3、孔垂直度为11mm;4、钢筋规格、型号、间距均符合设计及规范要求;5、钢筋笼绑扎牢固;6、钢筋保护层15~35mm.负责人质检员记录员夏新全邓建华李身攀记录日期2006年1月8日第2页共53页第1页共53页编号:时间:2021年x月x日书山有路勤为径,学海无涯苦作舟页码:第2页共53页本表由施工单位填写,城建档案馆、建设单位、施工单位各保存一份。桩基施工记录表D2-3编号:2-2工程名称湖北教育学院实验楼施工单位武汉新七建筑集团有限公司桩基类型人工挖孔桩孔位编号2-104#轴线位置设计桩径0.9m设计桩长桩顶标高钻机类型护壁方式1/2灰砂砖泥浆比重开挖时间2005.12.29终孔时间2006.1.8钢筋笼简述笼长2.70m主筋(14)Φ(14)下笼时间2006.1.8箍筋()@()孔深计算钻台标高浇注前孔深实际桩长.2.89m终孔深度沉渣厚度混凝土简述设计标号C20水泥用量坍落度理论浇注量实际浇注量充盈系数施工问题记录:7、由于地下水位较高,采取边挖边抽水,浇砼前抽水清泥;8、井身扩孔均符合设计要求;9、孔垂直度为10mm;10、钢筋规格、型号、间距均符合设计及规范要求;11、钢筋笼绑扎牢固;12、钢筋保护层20~30mm.负责人质检员记录员夏新全邓建华刘金国记录日期2006年1月8日第3页共53页第2页共53页编号:时间:2021年x月x日书山有路勤为径,学海无涯苦作舟页码:第3页共53页本表由施工单位填写,城建档案馆、建设单位、施工单位各保存一份。桩基施工记录表D2-3编号:2-3工程名称湖北教育学院实验楼施工单位武汉新七建筑集团有限公司桩基类型人工挖孔桩孔位编号2-105#轴线位置设计桩径0.9m设计桩长桩顶标高钻机类型护壁方式1/2灰砂砖泥浆比重开挖时间2005.12.30终孔时间2006.1.8钢筋笼简述笼长2.70m主筋(14)Φ(12)下笼时间2006.1.8箍筋()@()孔深计算钻台标高浇注前孔深实际桩长2.28m终孔深度沉渣厚度混凝土简述设计标号C20水泥用量坍落度理论浇注量实际浇注量充盈系数施工问题记录:13、由于地下水位较高,采取边挖边抽水,浇砼前抽水清泥;14、井身扩孔均符合设计要求;15、孔垂直度为11mm;16、钢筋规格、型号、间距均符合设计及规范要求;17、钢筋笼绑扎牢固;18、钢筋保护层30~35mm.负责人质检员记录员夏新全邓建华李身攀第4页共53页第3页共53页编号:时间:2021年x月x日书山有路勤为径,学海无涯苦作舟页码:第4页共53页记录日期2006年1月8日本表由施工单位填写,城建档案馆、建设单位、施工单位各保存一份。桩基施工记录表D2-3编号:2-4工程名称湖北教育学院实验楼施工单位武汉新七建筑集团有限公司桩基类型人工挖孔桩孔位编号2-106#轴线位置设计桩径0.9m设计桩长桩顶标高钻机类型护壁方式1/2灰砂砖泥浆比重开挖时间2006.1.1终孔时间2006.1.8钢筋笼简述笼长3.00m主筋(14)Φ(16)下笼时间2006.1.8箍筋()@()孔深计算钻台标高浇注前孔深实际桩长.2.70m终孔深度沉渣厚度混凝土简述设计标号C20水泥用量坍落度理论浇注量实际浇注量充盈系数施工问题记录:19、由于地下水位较高,采取边挖边抽水,浇砼前抽水清泥;20、井身扩孔均符合设计要求;21、孔垂直度为13mm;22、钢筋规格、型号、间距均符合设计及规范要求;23、钢筋笼绑扎牢固;24、钢筋保护层20~30mm.负责人质检员记录员第5页共53页第4页共53页编号:时间:2021年x月x日书山有路勤为径,学海无涯苦作舟页码:第5页共53页夏新全邓建华邢珍祥记录日期2006年1月8日本表由施工单位填写,城建档案馆、建设单位、...

1、当您付费下载文档后,您只拥有了使用权限,并不意味着购买了版权,文档只能用于自身使用,不得用于其他商业用途(如 [转卖]进行直接盈利或[编辑后售卖]进行间接盈利)。
2、本站所有内容均由合作方或网友上传,本站不对文档的完整性、权威性及其观点立场正确性做任何保证或承诺!文档内容仅供研究参考,付费前请自行鉴别。
3、如文档内容存在违规,或者侵犯商业秘密、侵犯著作权等,请点击“违规举报”。

碎片内容

桩基施工记录

您可能关注的文档

确认删除?
VIP
微信客服
  • 扫码咨询
会员Q群
  • 会员专属群点击这里加入QQ群
客服邮箱
回到顶部