’×32=16’)1、燃烧的基本要素有可燃物、助燃物、点火源;燃烧是一种氧化还原化学反应。2、自燃分为受热自燃、自热自燃;压力和自燃点呈...
防火隔断设施原理及应用防火卷帘:应用范围:各类公共建筑,需要做防火分区的场所,代替防火墙。多用于:酒店、商场、厂房、体育馆、写字楼...
1甲级防火防盗入户门的技术要求德阳希望城2号地块商住楼的入户门根据设计要求为甲级防火防盗门(代号为FM甲1021),现结合设计要求及实际情...
1/10题号题干答案AA0033划分可燃液体火灾危险等级的依据是()。A.闪点B.燃点C.自燃点AAA0035任何人发现火灾时,都应当采取什么措施?(...
1/2防火防爆及消防安全检查表检查人:检查时间:目的对生产过程中可能存在的火灾隐患、有害危险因素、缺陷等进行查证,查找不安全因素和不...
.word可编辑..专业.专注.防火门(防火卷帘门)供应及安装技术要求和管理要求编制日期审核日期审批日期日期修订状态修改内容修改人审核人审...
1/9防火演练方案为了增强师生火险发生时的自我保护能力,提高防火安全意识,传授学生基本的防火灭火方法,我校将组织全体师生进行了防火安...
防火重点部位灭火和应急疏散预案(一)灭火和应急疏散预案部署示意图(也可用文字说明)根据火情决定是否需要全面疏散客人,疏散命令由总指...
一、防火检查制度第一条单位防火检查分为四级管理责任制。分别由消防安全责任人、消防安全管理人、部门负责人和员工负责完成。第二条消防安...
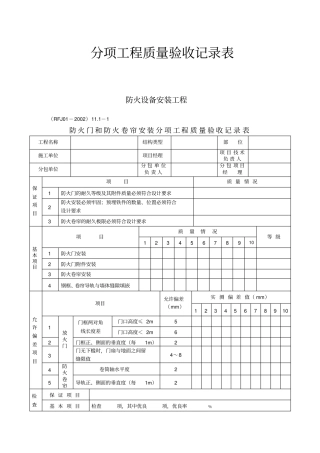
分项工程质量验收记录表防火设备安装工程(RFJ01-2002)11.1-1防火门和防火卷帘安装分项工程质量验收记录表工程名称结构类型部位施工单位...
防火疏散设计在建筑设计的作用摘要:近些年来,伴随着人们安全意识的高度提升,防火疏散逐渐成为建筑设计的重点内容,例如对于建筑结构、空...
防火巡查记录本单位名称:建档时间:填表说明1、检查次数:①消防安全重点单位防火巡查每日至少一次。②公众聚集场所在的防火巡查应当至少...
防火开学第一课观后感
防火检查、巡查制度第一条防火巡查、检查是消防安全管理的重要手段之一,为及时发现单位生产施工等各项活动中可能存在的隐患、有害、危险因...
宁一完小防火、防震应急预案为了防止火灾、破坏性地震给学校师生生命、财产造成损失,我校本着对学生生命和学校财产高度负责的态度,切实做...
防火电缆桥架分为三种型号:槽式、托盘式、梯式一、防火桥架涂层及涂层厚度规范防火桥架分为薄涂型和厚涂型两类,产品必须经过国家检测机构...
目录防火应急预案1、编制说明编制目的为保障施工现场的消防安全、人民生命财产安全和施工的顺利进行,根据《中华人民共和国消防条例》和上...
防火安全检查记录表防火检查记录检查类别检查时间检查人检查部门受检部位受检人容检查内检查情况用火、用电、人员住宿有无违章情况燃油、燃...
防火卷帘门施工方案编制:时间:审核:时间:批准:时间:年月日目录一、工程概况........................................-1-二、编制参考...
-1-特级防火卷帘门及钢质隔热防火门采购及安装合同甲方(需方):乙方(供方):根据《中华人民共和国合同法》等有关法律规定,并结合本工...

