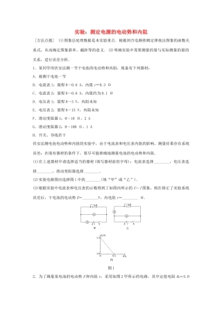
第5讲实验:测定电源的电动势和内阻基础巩固1.(2016北京理综,19,6分)某兴趣小组探究用不同方法测定干电池的电动势和内阻,他们提出的实验方...
第4讲实验:把电流表改装成电压表基础巩固1.(2017北京海淀期末,11)利用如图所示的电路测量一个满偏电流为300μA,内阻rg约为100Ω的电流表的...
第2讲闭合电路欧姆定律基础巩固1.关于电动势下列说法中正确的是()A.对于给定的电源,移动正电荷非静电力做功越多,电动势就越大B.电动势大,说...
选修3-1第二章恒定电流一、选择题1.一根粗细均匀的导线,当其两端电压为U时,通过的电流是I,若将此导线均匀拉长到原来的2倍时,电流仍为I...
专题十恒定电流挖命题【考情探究】考点考向5年考情预测热度考题示例学业水平关联考点素养要素部分电路的基本概念和规律运用电流的定义式及...
恒定电流一、单项选择题1.如图1所示,电源电动势为E,内电阻为r.当滑动变阻器的触片P从右端滑到左端时,发现电压表V1、V2示数变化的绝对值...
恒定电流一、选择题(本大题共12小题,每小题5分,共60分。在每小题给出的四个选项中,1~8题只有一项符合题目要求;9~12题有多项符合题目要...
第八章恒定电流一、选择题(每小题6分,共60分)1.(2015·武汉四校联考)如图所示,两个电阻串联后接在电路中a、b两点,已知a、b两点间电压不变。...
65实验的拓展与创新[方法点拨](1)结合闭合电路欧姆定律、串并联电路特点,去理解电路,找出测量量与已知量间的关系.(2)熟练掌握基本实验的...
64实验:练习使用多用电表[方法点拨](1)欧姆表工作原理是解题关键.(2)多用表电流挡、电压挡与欧姆挡共用一个表头,使用电流挡、电压挡时要...
63实验:测定电源的电动势和内阻[方法点拨](1)图象法处理数据是本实验重点.根据闭合电路欧姆定律找出图象的函数关系式,从而确定图象斜率...
62实验:描绘小灯泡的伏安特性曲线[方法点拨](1)本实验要求电压必须从0开始变化,所以滑动变阻器要用分压式接法.(2)仪器选择要首先保证安...
61实验:测定金属的电阻率[方法点拨]伏安法测金属丝电阻时,电压不要求从0开始,仪器合适时滑动变阻器一般用限流式接法.金属丝电阻一般较...
60闭合电路的欧姆定律的理解和应用[方法点拨](1)可从闭合电路电势升高、降低角度理解闭合电路欧姆定律.(2)较复杂电路可由各节点电势的高低...
59部分电路及其规律[方法点拨](1)欧姆定律是分析串并联电路的基础,是电表改装的基础.把表头当作一个会读出自己两端电压和流过自己电流的...
第4讲实验八:描绘小灯泡的伏安特性曲线1.(6分)描绘小电珠的伏安特性曲线的实验电路如图所示,所用小电珠的额定电压是3.8V。关于该实验的系统...
第3讲实验七:测定金属的电阻率1.(12分)(2015·黑龙江绥化青冈一中三模)写出如图所示的游标卡尺和螺旋测微器的读数。(1)游标卡尺的读数为52....
第2讲电路、闭合电路欧姆定律一、选择题(每小题6分,共60分)1.(2015·黑龙江绥化青冈一中三模)如图所示,已知直流电动机M的电阻是R,电源的内...
电学创新实验[方法点拨](1)结合闭合电路欧姆定律、串并联电路特点,去理解电路找出测量量与已知量间的关系.(2)熟练掌握基本实验的原理、实...
实验:练习使用多用电表[方法点拨](1)欧姆表工作原理是解题关键.(2)多用电表电流挡、电压挡与欧姆挡共用一个表头,使用电流电压挡时要保证...

