电脑桌面
添加小米粒文库到电脑桌面
安装后可以在桌面快捷访问

高考物理一轮题复习 第八章 恒定电流章末滚动练试题VIP免费

高考物理一轮题复习 第八章 恒定电流章末滚动练试题_第1页
1/8
高考物理一轮题复习 第八章 恒定电流章末滚动练试题_第2页
2/8
高考物理一轮题复习 第八章 恒定电流章末滚动练试题_第3页
3/8
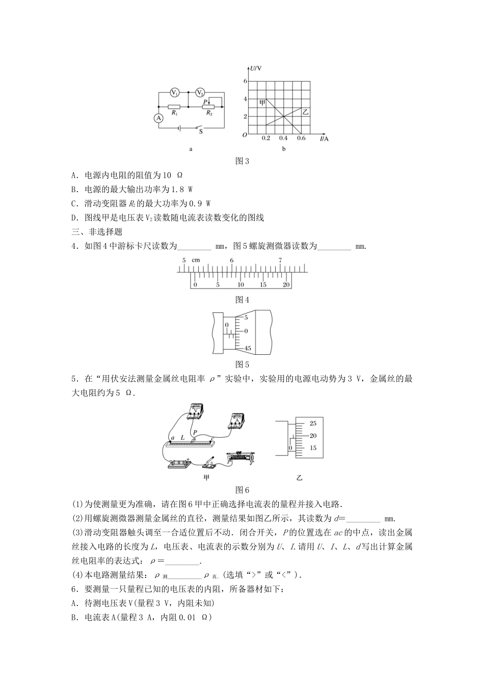
恒定电流一、单项选择题1.如图1所示,电源电动势为E,内电阻为r.当滑动变阻器的触片P从右端滑到左端时,发现电压表V1、V2示数变化的绝对值分别为ΔU1和ΔU2,下列说法中正确的是()图1A.小灯泡L1、L3变暗,L2变亮B.小灯泡L2、L3变暗,L1变亮C.ΔU1<ΔU2D.ΔU1>ΔU22.如图2所示的电路中.电源电动势为E,内阻为R,L1和L2为相同的灯泡,每个灯泡(阻值恒定不变)的电阻和定值电阻相同,阻值均为R,电压表为理想电表,K为单刀双掷开关,当开关由1位置打到2位置时,下列说法中正确的是()图2A.L1亮度不变,L2将变暗B.L1将变亮,L2将变暗C.电源内阻的发热功率将变小D.电压表读数将变小二、多项选择题3.在如图3a所示的电路中,R1为定值电阻,R2为滑动变阻器,电表均为理想电表.闭合开关S,将滑动变阻器的滑片P从最右端滑到最左端,两个电压表读数随电流表读数变化的图线如图b所示.则()图3A.电源内电阻的阻值为10ΩB.电源的最大输出功率为1.8WC.滑动变阻器R2的最大功率为0.9WD.图线甲是电压表V2读数随电流表读数变化的图线三、非选择题4.如图4中游标卡尺读数为________mm,图5螺旋测微器读数为________mm.图4图55.在“用伏安法测量金属丝电阻率ρ”实验中,实验用的电源电动势为3V,金属丝的最大电阻约为5Ω.图6(1)为使测量更为准确,请在图6甲中正确选择电流表的量程并接入电路.(2)用螺旋测微器测量金属丝的直径,测量结果如图乙所示,其读数为d=________mm.(3)滑动变阻器触头调至一合适位置后不动.闭合开关,P的位置选在ac的中点,读出金属丝接入电路的长度为L,电压表、电流表的示数分别为U、I.请用U、I、L、d写出计算金属丝电阻率的表达式:ρ=________.(4)本电路测量结果:ρ测________ρ真.(选填“>”或“<”).6.要测量一只量程已知的电压表的内阻,所备器材如下:A.待测电压表V(量程3V,内阻未知)B.电流表A(量程3A,内阻0.01Ω)C.定值电阻R(阻值2kΩ,额定电流50mA)D.蓄电池E(电动势略小于3V,内阻不计)E.多用电表F.开关K1、K2,导线若干有一同学利用上面所给器材,进行如下实验操作:(1)首先,用多用电表进行粗测,选用“×100”倍率,操作方法正确.若这时刻度盘上的指针位置如图7所示,则测量的结果是________Ω.图7(2)为了更精确地测出此电压表内阻,该同学设计了如图8所示的甲、乙实验电路,你认为其中较合理的电路图是________.其理由是________________________.图8(3)在图9中,根据你选择的电路把实物连接好.图9(4)用你选择的电路进行实验时,请简述实验步骤:________________________;用上述所测量的符号表示电压表的内阻RV=________.7.常用的电压表、电流表和欧姆表都是由小量程的电流计G(表头)改装而成的.从电路的角度看,表头就是一个电阻,同样遵从欧姆定律.表头与其他电阻的不同仅在于通过表头的电流是可以从刻度盘上读出来的.(1)用满偏电流为100μA的灵敏电流计和电阻箱改装成电压表.先用如图10所示的电路测量电流计的内阻,先闭合S1,调节R,使电流计指针偏转到满刻度;再闭合S2,调节R′,使电流计指针偏转到满刻度,读出此时R′的阻值为1.00×103Ω.则灵敏电流计内阻的测量值Rg=________Ω.该测量值与灵敏电流计内阻的真实值比较________(填“偏大”、“偏小”或者“相等”).(2)按上问的测量值计算,将该灵敏电流计改装成量程为3V的电压表,需________(填“串联”或“并联”)阻值为R=________Ω的电阻.(3)将此灵敏电流计与定值电阻________(填“串联”或“并联”),就可以改装成电流表.把该电流表与干电池和一个定值电阻串联后,两端连接两支测量表笔,又可以做成一个测量电阻的装置.两支表笔直接接触时,电流表读数5.0mA,两支表笔与200Ω的电阻连接时,电流表的读数为3.0mA.现在把表笔与一个未知电阻连接,电流表的读数为2.5mA,这个未知电阻的阻值为______Ω.图108.一实验小组用某种导电材料制作成电阻较小的线状元件Z,并通过实验研究该元件中的电流随两端电压从零逐渐增大过程中的变化规律.(1)该小组连成的实物电路如图11所示,其中有两处错误,请在错误的连线上打“×”,并在原图上用笔画出正确的连线....

1、当您付费下载文档后,您只拥有了使用权限,并不意味着购买了版权,文档只能用于自身使用,不得用于其他商业用途(如 [转卖]进行直接盈利或[编辑后售卖]进行间接盈利)。
2、本站所有内容均由合作方或网友上传,本站不对文档的完整性、权威性及其观点立场正确性做任何保证或承诺!文档内容仅供研究参考,付费前请自行鉴别。
3、如文档内容存在违规,或者侵犯商业秘密、侵犯著作权等,请点击“违规举报”。

碎片内容

高考物理一轮题复习 第八章 恒定电流章末滚动练试题

您可能关注的文档

文章天下+ 关注
实名认证
内容提供者

各种文档应有尽有

相关文档

确认删除?
VIP
微信客服
  • 扫码咨询
会员Q群
  • 会员专属群点击这里加入QQ群
客服邮箱
回到顶部