长沙全可控涡节能离心压缩机项目一期工程施 工 组 织 设 计编制: 审核: 批准: 二〇〇四年一月十日目 录1.综合说明1.1.工程施工...
“全可控涡”节能离心压缩机项目一期工程施 工 组 织 设 计编制: 审核: 批准: 二〇〇四年一月十日目 录1.综合说明1.1.工程施工...
沈阳市某综合楼冷热源机房设计摘 要本设计为沈阳市某综合楼空调冷热源设计和空调冷热源自控设计。建筑面积为 127600m3,有地下一层,地上...
河 南 工 业 职 业 技 术 学 院Henan Polytechnic Institute毕业设计(论文)题目:基于 PLC 地风机变频调速控制系统设计班级...
Henan Polytechnic Institute毕业设计(论文)题目:基于 PLC 的风机变频调速控制系统设计班级:电气自动化技术1001姓名:邢燕强指导教...
、编制说明页脚内容 1高压离心式多节泵施工方案一.泵的名称或位号。高温热水泵 P-10801A1 二.泵的概括。住落在气化底层。主要介质高温...
1目录1总则..................................................................................................21.1适用范围.............
第五章 离心式水泵及维修知识离心泵分类、型号、工作原理及经济运行一、D 型离心泵式水泵的结构、主要零部件的材质及作用。国产 D 型多...
“全可控涡”节能离心压缩机项目一期工程施 工 组 织 设 计编制: 审核: 批准: 二〇〇四年一月十日目 录1.综合说明1.1.工程施工...
离心立式水泵安装课件目录CONTENTS• 离心立式水泵概述• 离心立式水泵的安装准备• 离心立式水泵的安装步骤• 离心立式水泵的安装注意...
个人收集整理勿做商业用途1 / 18封面作者: ZHANGJIAN 仅供个人学习,勿做商业用途个人收集整理勿做商业用途2 / 18十三五( 2016-20...
磁悬浮离心冷水机组与直燃型溴化锂冷水机组之比较一、比较条件(1)本工程系利川地区,总制冷量 Q0 为 5528KW,475 万大卡/小时。(2)...
D3DDDDDDDDDDDDDDDDDDDDDDDDDDDDDDDDDDDDDDDDDDDDDDDDDDDDDDDDDDDDDDDDDDDDDDDDDDDDUPVCDODDDDDDDDDDDDDDDDDDDDDDDDDDDDDDDDDDDDDDDDDDDDDD...
离心风机性能曲线离心风机性能曲线,即压力 p、效率耳、功率 N 与流量 Q 的关系曲线,与离心泵性能曲线的理论定性分析和实测性能曲线...
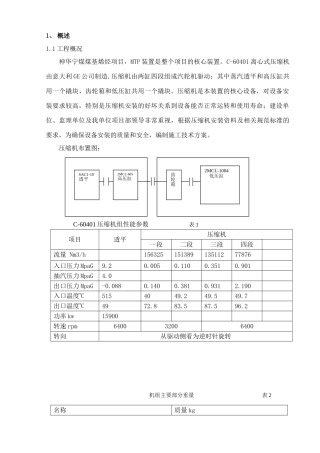
1、 概述1.1 工程概况神华宁煤煤基烯烃项目,MTP 装置是整个项目的核心装置。C-60401 离心式压缩机由意大利 GE 公司制造,压缩机由两...
目 录一、工程概况 1二、制冷系统调试准备 2三、主要附属设备调试 4四、系统试运转 6五、系统停止运行 8六、进行试运行全过程记录 8...
1、 概述1.1 工程概况神华宁煤煤基烯烃项目,MTP 装置是整个项目的核心装置。C-60401 离心式压缩机由意大利 GE 公司制造,压缩机由两...
“全可控涡”节能离心压缩机项目一期工程施 工 组 织 设 计编制: 审核: 批准: 二〇〇四年一月十日目 录1.综合说明1.1.工程施工...
离心压缩机简单原理通用课件目录CONTENTS•离心压缩机的概述•离心压缩机的结构•离心压缩机的性能参数•离心压缩机的操作与维护•离心压缩...
离心现象及其应用通用课件CATALOGUE目录•离心现象简介•离心现象的应用•离心分离技术•离心机的工作原理与种类•离心现象的未来发展与挑...

