7消费者购买过程的五阶段模型问题认知这里问题是指消费者所追求的某种需要的满足。因为需要尚未得到满足,就形成了需要解决的问题。满足的...
高三考生心理五阶段 高三考生心理五阶段 高考越来越近,面临最终的冲刺,学生们不敢怠慢,家长更心急如焚。那么,高三家长应当做些什么?...
下载后可任意编辑《广告策划》课程的五阶段渐进式教学模式《广告策划》课程的五阶段渐进式教学模式 摘要:在我国高校的广告专业中,《广告...
下载后可任意编辑《广告策划》课程的五阶段渐进式教学模式《广告策划》课程的五阶段渐进式教学模式 摘要:在我国高校的广告专业中,《广告...
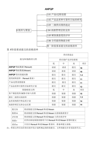
第 1 阶段要求提交的表格清单提交/审批/检查文档供应商选定供应商/产品评估级别低中高项目ANPQP 物流数据(Renault)请求请求提交16ANPQP...
六西格玛DMAIC 五阶段工具及产出详解 # Define Phase 1、项 目 背 景 项 目 开 展 的 背 景 是 什 么 ? 比 如 ,清...
高中英语学习材料(灿若寒星*制作整理)阶段综合检测(五)(时间:100分钟;分数:120分)第Ⅰ卷第一部分:阅读理解(共两节,满分40分)第一节(...
司法考试五阶段复习参考计划(启蒙篇)第一阶段根底复习阶段(2月1日—5月31日)第二阶段真题演练阶段(6月1日—6月20日)第三阶段法条剖析...
企业成长五阶段理论格瑞纳企业成长五阶段理论格瑞纳企业经过一段时间的稳定发展之后,就会碰到激烈的改革,激烈的改革如果能够成功的话,企...
2012暑期四升五阶段检测一、填空。(5×2分=10分)1、四十亿零二百零三万七千写作(),改写成以“万”作单位的数是(),省略亿后面的尾...
金川“五阶段”安全文化管控模式课件目录•安全文化理念•“五阶段”安全文化管控模式•金川公司安全文化实践•“五阶段”安全文化管控模式...
小学数学五阶段练习教学法实验概述一、实验课题的提出针对小学数学教学两多两少两忽视(课内教师讲得多,学生练得少;课外学生作业多,自由活...
化学选修三、选修五阶段考试题可能用到的相对原子质量:H1C12O16一、选择题(本题共有20个小题,每小题2分,共44分;每小题只有一个选项符合...
金川“五阶段”安全文化管控集成模式赵千里金川经验介绍:金川“五阶段”安全文化管控集成模式(摘要)赵千里(20XX年8月7日)一、五阶段统...

