技1-5技术交底记录2011年6月18日工程名称固始食品商住楼分部工程主体工程分项工程名称:砌筑工程交底内容:一、施工准备:1、材料及主要机...
监理旁站方案一、工程概况本工程为北京康乐园艺商住楼位于平谷区文化南街东侧丽都啤酒厂十字路口东北角。构造形式为首层二层框架构造。首层...
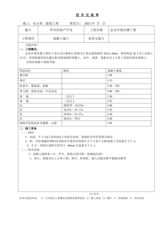
技术交底单施工:灵山第二建筑工程填发日:2021年月日建立华兴房地产开发工程名称金水岸商住楼工程工程部位混凝土施工承受交底人交底内容:...
技术交底记录鲁JJ—005工程名称济宁吉安小区47-1#商住楼施工山东大建立集团交底部位屋面工程工序名称屋面找平层分项工程交底提要:本技术交...
目录1、编制依据………………………………………………………………………………………22、工程概况………………………………………………...
目录1.编制依据......................................................12.工程概况......................................................
水泥搅拌桩工程平安技术交底工程名称“京界华府〞商住楼施工茂名中骏建立工程施工部位基坑周边施工内容水泥搅拌桩一般性内容1、严格按照施...
世纪中心1X、2X商住楼工程项目情况汇报五篇关于福利中心项目建设进度情况的汇报区民政局:为突出开发区高端养老主体特色,进一步推动全域化...
目录一、编制依据...............................................3二、工程简介...............................................3三、施...
下渡路商住楼营销策划初稿营销策划初稿二零零零年十一月九日第一篇市场概况分析报告一、国家宏观经济情况分析二、广州市物业市场发展现状三...
安全技术交底书施工:江阴房建工程名称霞客镇1#商住楼分项名称砖砌体施工班组瓦工班交底地点工地现场施工、操作规程、验收标准、平安要求、...
金都商住楼地基验槽验收汇报材料验槽验槽就是在基础开挖至设计标高后,由设计、勘察、监理、甲方共同检验基础下部土质是否符合设计条件,有...
河畔雅苑商住楼小区平安监理施行细那么安徽建鑫工程咨询有限责任第一工程监理部二○○九年四月二十八监理方针:科学、公正、诚信、守法严格...
塔坛9号商住楼物业服务方案希美河北物业服务有限公司塔坛9号商住楼物业服务方案目录一、物业公司简介二、项目概况三、物业服务内容及服务标...
第1页共5页编号:时间:2021年x月x日书山有路勤为径,学海无涯苦作舟页码:第1页共5页商住楼消防安全的探讨张军(安徽马鞍山市消防支队,2430...
第1页共31页编号:时间:2021年x月x日书山有路勤为径,学海无涯苦作舟页码:第1页共31页商业计划书项目研究报告编制时间:报告编制人员名单...
第1页共60页编号:时间:2021年x月x日书山有路勤为径,学海无涯苦作舟页码:第1页共60页商住楼消防系统施工组织设计第一章施工组织设计编制...
昌茂·朝庭(城邦)商住楼结构实体检测方案编制人:黄涛审核人:袁振飞审批人:黄雷编制单位:江苏南通二建集团有限公司编制日期:2013年2月...
冬季施工方案一、编制依据1、工程概况临淄名仕嘉园项目,位于淄博市临淄区晏婴路以南齐园路以东交叉处,总建筑面积为41000m2,其中地下5000...
某高层商住楼悬挑脚手架施工方案张育霖厦门市同安区第一建筑工程公司,福建厦门361100单位地址:厦门市同安区城西路56号联系电话:0592-789...

