软件工程师年终个人工作总结及小结 软件工程师年终个人工作总结及小结 本文简介: 软件工程师年终个人工作总结及小结 XX 年是我在公司...
必修三第二章:统计复习一、抽样方法 : (一)简单随机抽样(适用范围:总体个数较少)1、抽签法:(1)将总体中得所有个体编号(号码可以从 1 到...
结构体与共用体小结一,结构体得概念与定义1,结构体得定义struct 结构体名{ 数据类型 成员名 1; 数据类型 成员名 1; 、、、};这里数...
复习课: 第三章 简单得三角恒等变换 一、【教学目标】重点:引导学生在已有得公式基础上进行简单得三角恒等变换,体会三角变换得特点、难...
神经内科实习小结1、神经内科实习小结时间过得很快,转眼间在神经内科得一个月实习已经结束了,今日转到了呼吸消化内科。在神经内科得一个...
物质得量知识点小结有关概念:1、物质得量(n)① 物质得量就是国际单位制中七个基本物理量之一。 ② 用物质得量可以衡量组成该物质得基本...
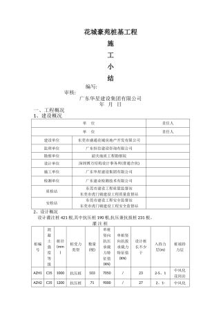
花城豪苑桩基工程施工小结 编写: 审核:广东华星建设集团有限公司年 月 日一、工程概况1、建设概况单 位责任人单 位责任人建设单位东...
嘉定南翔污水处理厂污泥处理一期工程桩基工程分部小结编写人员: 孙 成 尊敬的各领导:二、施工依据1、建设单位与施工单位签订的施工合...
挂篮法 0#块段施工总结一、概述首件 9#墩右幅 0#块,7 月 26 日开始贝雷架安装,7 月 28 日安装工字钢与方木,7 月 29 日搭设...
一月份护理工作小结一月份工作计划:1、制定护理工作计划、季安排、月重点2、制定“三基三严"培训计划3、组织护理质量管理委员会会议,明确...
1.建设工程项目管理得内涵就是:自项目开始至项目完成,通过项目策划与项目控制,以使项目得费用目标、进度目标与质量目标得以实现。2、建设工...
小学值周工作小结 小学值周工作小结ﻫ 篇一 第二周值周工作小结ﻫ 老师们、同学们:大家早上好!ﻫ 短暂得一周又在忙碌中过去了,在全校...
密度测量实验小结一、理解题目所给条件得含义1、瞧清固体与液体 “液体”-----重点测质量(先后步骤影响精度)缺器材利用水密度已知道得条...
北屯市引水入城商业步行街项目10#地基与基础工程监理总结新疆泽强工程项目管理有限公司年 月 日目 录一.工程概况二.监理评估依据三.工程...
正规院校毕业生初定专业技术资格呈报表单 位姓 名初定资格助理工程师填表时间: 年 月 日秦皇岛市职称改革领导小组办公室制填 表 说...
鲁 桥 一 中 教 学 案集备时间 : 2025.3.23 时间 : 案型 :实 施 案 编号 科目数学课题第 十 六 章 分 式 小 结...
马过河镇中医药健康服务知识宣传 咨询活动小结 为进一步让辖区村民了解中医药相关知识,提升自我保健意识,发挥中医药在基本公共卫生服务中...
2025 年一年级语文期中小结调研试题(教科版) 一、请根据字母表顺序给下列字母排序。(2分) H B Z Y W T V L ___________...
《现代 SOC 设计技术》学习小结目录 一、SO C得概念 二、前端设计与后端实现 三、可测性设计 四、软硬件协同技术 五、验证技术 ...
10 月电子商务实习总结及小结 10 月电子商务实习总结及小结-优秀范文 我有幸到淘宝网合作企业 xx 通信(集团)有限公司实习,在 8 个...

