钢筋直螺纹连接质量提高山东德信建设集团2010年3月QCQC小组成员表小组成员表小组名称月光兰庭直螺纹套筒QC小组成立时间:2009.03姓名年龄文...
授课教师朱凤授课班级1311课题名称三角螺纹的编程和仿真加工使用教具仿真模拟实验室教学目的1.掌握三角螺纹的编程2.会运用斯沃仿真软件仿真...
剖视图剖视图在学习前面的内容时,对于机件中的不可见轮廓线我们都是用虚线表示的。为了能在机件内部结构表达清楚的同时又减少图中的虚线,...
长沙市轨道交通长沙市轨道交通33号线一期工程号线一期工程直螺纹质量控制直螺纹质量控制培训材料培训材料————中铁十四局集团有限公司中...
113攻螺纹和套螺纹模块五攻螺纹和套螺纹章要求:本1.熟悉螺纹加工中常用工具及其使用方法;2.掌握螺纹加工前的工艺计算;3.掌握攻螺纹和套螺纹...
钢筋直螺纹连接施工工艺钢筋机械连接是一项新型钢筋连接工艺,被称为继绑扎、电焊之后的〃第三代钢筋接头〃,具有接头强度高于钢筋母材、速...
乐泰222胶水Loctite222螺纹锁固剂低强度,触变性粘度适用于大多数金属表面,易拆卸。用于M2,M12螺纹的锁固与密封。应用于紧固件直径为1/4"(...
THEFIRSTLESSONOFTHESCHOOLYEAR螺纹标注(公开课)课件目CONTENTS•螺纹基础知识•螺纹标注标准•螺纹参数解读•螺纹加工工艺•螺纹检测与质...
钢筋直螺纹加工及套筒购销合同合同编号:签订地点:签订时间:2012年月日甲方:地址:乙方:地址:电话:经甲乙双方友好协商,同意就建设,...
授课教师授课班级授课时间课题名称七、G32螺纹插补指令选用教材《数控车床编程与操作》技工学校、职业学校数控类一体化教材化学工业出版社...
1-螺纹副抗挤压计算把螺纹牙展直后相当于一根昜臂梁,见下图2、图3,抗掐压是指公、母螺纹牙之间的抹压应力不应超过诈用挤压应力,否则便会...
1钢筋机械连接技术规程总则1.0.1为在混凝土结构中使用钢筋机械连接,做到技术先进、安全适用、经济合理、确保质量,制定本规程。1.0.2本规...
螺纹联接和螺旋传动一选择题(1)在常用螺纹中,效率最低、自锁性最好的是C,效率较高,牙根强度较大、制造方便的是B;螺纹联接常用C,传动螺...
摘要:钢筋套筒冷挤压连接是钢筋混凝土结构施工中钢筋连接的一项新技术。目前在我国已建和在建工程中都得到了广泛的运用。关键词:钢筋套筒...
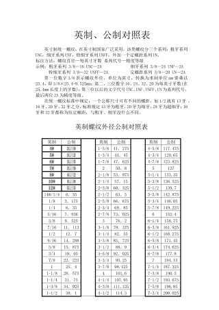
英制、公制对照表英寸制统一螺纹,在英寸制国家广泛采用,该类螺纹分三个系列:粗牙系列UNC,细牙系列UNF,特细牙系列UNFF,外加一个定螺距...
公制螺纹基本直径内螺纹公差等级外螺纹公差大径中径小径6H7H6g中径公差小径公差中径公0,差小径公差中径公差小径公差M10*1109.358.9170,+0.1...
www.bzfxw.comwww.bzfxw.comwww.bzfxw.comwww.bzfxw.comwww.bzfxw.comwww.bzfxw.comwww.bzfxw.comwww.bzfxw.comwww.bzfxw.comwww.bzfxw.com...
第十五章螺纹连接和螺旋传动15—4一牵曳钩用2个M10的普通螺钉固定于机体上,如图所示。已知接合面间的摩擦系数f=0.15,螺栓材料为Q235、强...
专业部:机械数控专业部授课人:实训项目名称授课班级及时间班级日期星期节次应到实到迟到缺席螺纹套实训子项目名称项目训练目标①了解螺纹...
((螺纹的基本知识))教案钟祥市职业高中机电教研室刘喜荣【教学目标与要求】一、知识目标1、掌握主要的基本参数:线数,旋向,大径,螺...

