下载后可任意编辑“三合一”模式提供司法保障“三合一”模式提供司法保障 沈丹 上海法院为加强环境资源司法保护案件的审理,推动审判专业...
QEO/LDX-01—2016 质 量 /环 境 /职 业健康安全 管 理 手 册 ( 依据 ISO 9001/ISO14001/OHSAS18001 标准编制) 编订: ...
下载后可任意编辑三合一标准内审员试题公司名称: 姓名: 一、选择题(每题 2 分,共 10 分) 从以下每题的几个答案中选择一个你认...
123456781. 前言电 驱 系 统 是 电 动 汽 车 三 大 核 心 系 统 之 一 , 是 车 辆 行 驶 的 主 要 驱 动系 ...
三合一管理体系有效性运行报告 公司自运行三合一管理体系至今,通过了外部审核、第三方审核、以及外部验厂审验等。整体来看,体系运行是有...
第十章颅脑疾病病人的护理习题 A1型题------------------------------------- 相同知识点:颅内压增高的病理生理(1 题) 1. 在颅内压...
下载后可任意编辑 QEO/LDX-01—2024质量/环境/职业健康安全管 理 手 册 (依据 ISO 9001/ISO14001/OHSAS18001 标准编制) 下载后...
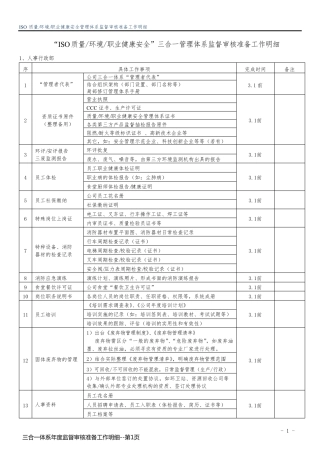
ISO 质量/环境/职业健康安全管理体系监督审核准备工作明细 - 1 - “ISO质量/环境/职业健康安全”三合一管理体系监督审核准备工作明细...
过滤、洗涤、干燥机 (罐式三合一) 产品使用说明书 温州亚光机械制造有限公司 1 一 、 设 备 用 途 LXG 型 过 滤 、 洗 ...
一 、 锥 形 三 合 一过 滤 干 燥 器 , 筒 锥 式 过 滤 洗 涤 一体 机 ,全 密 闭 筒 锥 式 反 应 过 滤 ...
①③⑥煅烧1611 干燥2988 1.三合一多功能过滤器,过滤洗涤干燥三合一设备概述 在原料药的生产过程中,无论是无菌药品还是非无 菌级药品...
耐 腐 蚀 过 滤 洗 涤 干 燥 三 合 一, 搪 玻 璃 三 合 一过 滤 器 , 真 空 密 闭过 滤 洗 涤 低 温 干 ...
过硬的质量是我们成功的目标和方向,节能、环保是我们脱颖而出取得胜利的至胜法宝。设备节能、环保也是我们公司的社会责任。公司重视人才及...
反应釜进行有物理或化学反应的容器,通过对容器的结构设计与参数配置,实现 工艺要求的加热、蒸发、冷却及低高速的混配功能,反应釜在树脂...
①③⑥煅烧1611 干燥2988 引言 在 原 料 药 生 产 过 程 中 , 物 料 结 晶 后 , 为 减 少 物 料 在 转 移过 ...
全 密 闭 结 晶 过 滤 洗 涤 三 合 一干 燥 设 备 ,真 空 密 闭 过 滤 洗 涤低 温 干 燥 机 具 有 很 多 ...
一.三合一过滤设备,真空密闭过滤洗涤低温干燥机,过滤洗涤三合一干燥机概述 ①③⑥煅烧1611 干燥2988 过滤洗涤干燥机( “三合一” ...
三合一过滤机,过滤洗涤真空干燥机,三合一多功能过滤器产品 简 介高温①③⑥煅烧1611 干燥2988 三 合 一 过 滤 机 又 称 过 ...
PROTEUS教学实验系统(单片机E型)三合一综合实验指导书1.04
PH5 三合一室内全彩LED 显示屏招标要求标准 一、整套系统要求 1.系统不仅能实现一个窗口显示多个不同信号源的功能,而且能实现二个窗口...

