辊压机系统设备现场操作规程开车前的准备及检查辅助系统减速机辅助系统检查油泵、电机地脚紧固情况有无松动检查各油管有无破损、接头有无松...
辊压机系统稳定运行的措施 水泥粉磨采用 3 套 Φ4.2m×13m 磨机配 160-140 辊压机工艺系统,生产 P·O42.5 水泥。自投产以来,由...
南昌航空大学 项目名称: 冷等静压机采购项目 招标编号: 实设邀(设)11-03-04 2011 年 3 月 14 日 2 目 录 第一章 投标人须...
篇一:成都利君辊压机技能培训学习后感 作为一名车间主任,我虽有一定的理论知识和工作经验,但在生产过程中,针对系统参数的变化,判断排...
全国化工热工设计技术中心站年会论文集29. 对背压机组某些问题的探讨徐健(吉化公司设计院)热电联合生产,使能源得到合理利用,是节约能...
增压机岗安全职责1、负责本岗位属地范围内的管理工作。2、履行安全合同书条款。遵守各项安全规章制度。3、负责本岗位设备安全运行,协助反...
仅供参考 [整理 ] 第 1 页 共 6 页安全管理文书压机安全操作、保养及技能培训日期: __________________单位: ________________...
滚压机的操作规程1、开机前检查各运动部件与否有润滑油,并在滑动面上加润滑油。2、全闭安全护罩。3、调节滚压轮的高度、宽度、压紧力与否...
辊压机安全操作规程为充分发挥辊压机的粉碎效果,确保人身、设备安全,特制订本操作规程:一、操作人员必须掌握本设备的用途,工作原理和结...
ZW-25/30型氧气压缩机使用维护说明书0355.SY编制:校对:审核:苏州制氧机有限责任公司二○○八年八月目录一、主要技术规范…………………...
前钢30000Nm3/h空分项目安装工程中压氮压机试车方案编制:审核:安全员审核:批准:浙江省工业设备安装集团有限公司二0一项目部2013年7月3...
目录概述...................................................................................2机构功能的简单分析.......................
压机每日工作报表年月日时压机号:#班别:上班总冲压次数当班总冲压次数当班产量最终压力时间周期厚度气压油温基料水份基料级配面料水份面...
第1页共9页编号:时间:2021年x月x日书山有路勤为径,学海无涯苦作舟页码:第1页共9页山东山水集团辊压机生产线非标制作安装工程施工方案江...
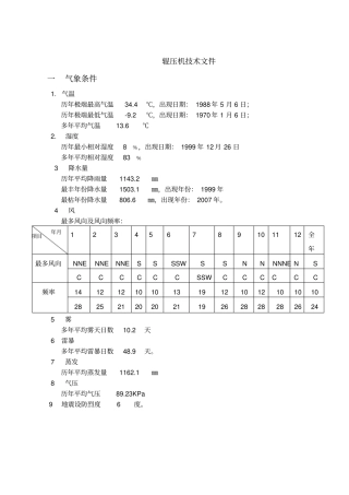
辊压机技术文件一气象条件1.气温历年极端最高气温34.4℃,出现日期:1988年5月6日;历年极端最低气温-9.2℃,出现日期:1970年1月6日;多年...
阿克苏天山多浪水泥有限责任公司辊压机操作规程1.目的本规程旨在统一操作思想,树立安全第一的观点,力求做到物料粉碎、粉磨的优质、稳产、...
XYG120-45型辊压机技术参数一、技术参数1、设备名称XYG120-45型辊压机2、用途用于粉碎水泥熟料3、数量1台4、物料名称水泥熟料等5、综合水份...
目录1、一般平安要求:........................................................22、主要技术规格........................................
3机械原理课程设计说明书设计题目:专用精压机专业:班级:姓名:学号:指导教师:目录1设计任务...........................................
仪表气源空压站技术标书工程名称:山西华鑫肥业股份有限公司18·60项目买方:山西华鑫肥业股份有限公司用途:空气干燥、增压输送山西华鑫肥...

