电脑桌面
添加小米粒文库到电脑桌面
安装后可以在桌面快捷访问

辊压机通用施工技术方案VIP免费

辊压机通用施工技术方案_第1页
1/11
辊压机通用施工技术方案_第2页
2/11
辊压机通用施工技术方案_第3页
3/11
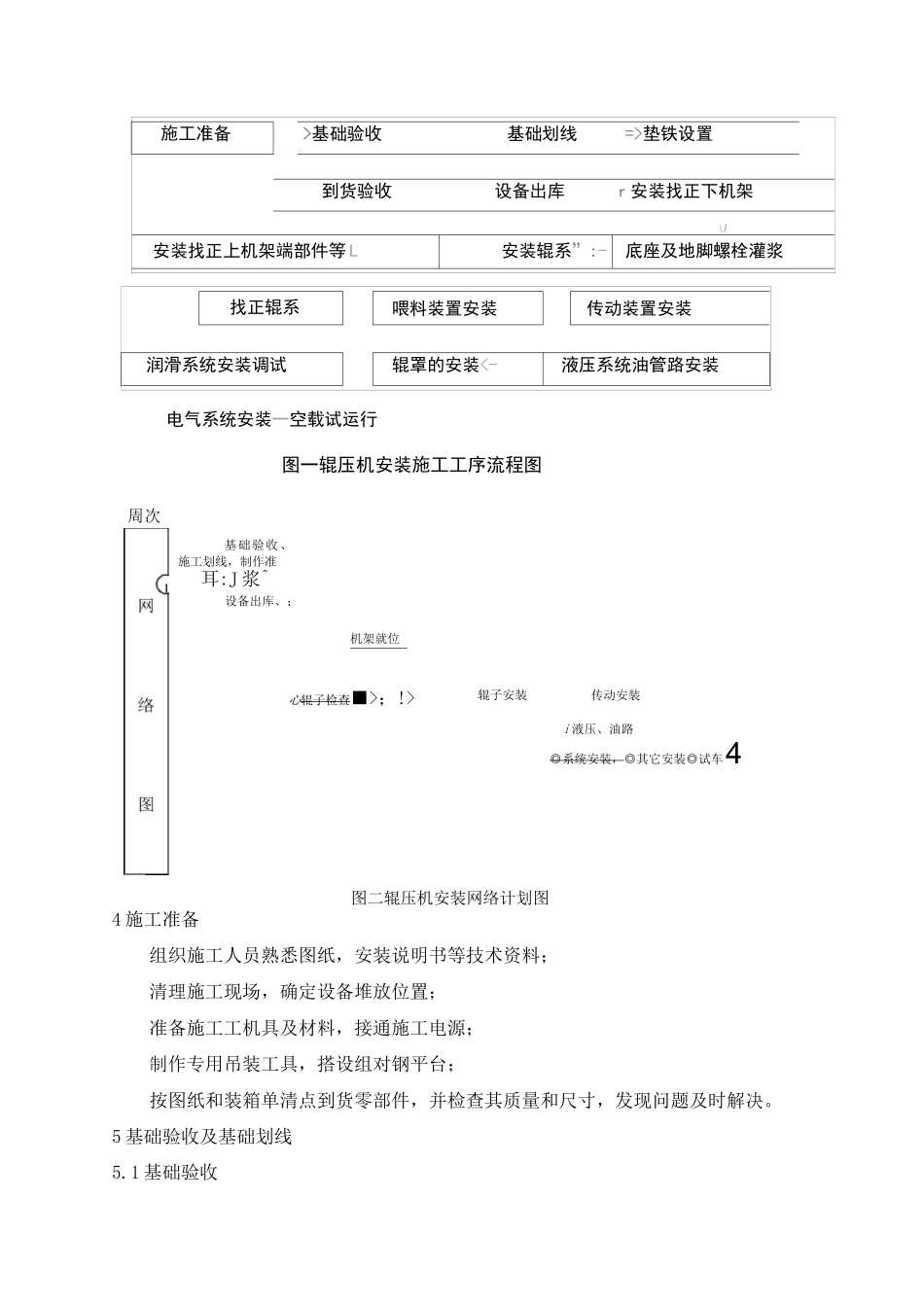
辊压机通用施工技术方案1概述近年来,辊压机这种设备被广泛地运用于水泥粉磨系统和生料粉磨系统中。由于辊压机体形较大,而且大多数部件是散件进厂,结构较复杂,对安装技术要求高,质量控制要求严。安装质量的优劣,直接关系到辊压机能否正常运行,因此施工中采用先进的施工方法和检测手段,严格控制每一道施工工序的安装质量,是确保辊压机安装质量的关键。2辊压机的结构特点辊压机是由两个速度相同、彼此平行相对回转的辊子组成,物料由上部喂料口卸下,进入辊间缝隙,在高压研磨力的作用下,便通过辊隙的物料受到挤压,变成密实的充满缝的扁平料饼,这种扁平料饼强度极低,并含有大量细粉,使之再送入球磨,这样能提高球磨粉磨的效率,单位能耗大幅度降低。辊压机主要由电动机、行星减速器、辊系、机架、扭矩支承、液压系统、润滑系统、喂料装置、辊罩、电气自动化控制系统等组成。辊压机的传动采用双传动的传递方式,其两个辊轴分别由电动机经万向联轴器、行星减速机带动。行星减速机安装在扭矩支承上,与辊子间采用缩紧盘联接。辊系分为活动辊系和固定辊系,两个辊系都安装在机架上,活动辊系可在机架导轨上作水平运动,活动辊系两端共有两个(或四个)平行油缸对辊系的轴承座施加压力,该压力通过辊系作用在通过两辊轴间的物料上,使物料被破碎粉磨,并最终被压成料饼。液压系统由液压缸、液压站、蓄能器、阀件等组成。(详见厂家提供图纸)3辊压机安装施工工序流程图(见图一)和施工网络计划图(见图二)施工准备>基础验收基础划线=>垫铁设置到货验收设备出库r 安装找正下机架\J安装找正上机架端部件等 L安装辊系”:-底座及地脚螺栓灌浆找正辊系喂料装置安装传动装置安装润滑系统安装调试辊罩的安装<-液压系统油管路安装电气系统安装一空载试运行图一辊压机安装施工工序流程图周次基础验收、施工划线,制作准耳:J 浆^设备出库、;机架就位心辊子检查■>;!>辊子安装传动安装i 液压、油路◎系统安装,◎其它安装◎试车4图二辊压机安装网络计划图4 施工准备组织施工人员熟悉图纸,安装说明书等技术资料;清理施工现场,确定设备堆放位置;准备施工工机具及材料,接通施工电源;制作专用吊装工具,搭设组对钢平台;按图纸和装箱单清点到货零部件,并检查其质量和尺寸,发现问题及时解决。5 基础验收及基础划线5.1 基础验收在设备安装前,必须对照土建施工图、安装施工图和现场实际尺寸对设备基础进行验收,以便确认设备基础有无问题,...

1、当您付费下载文档后,您只拥有了使用权限,并不意味着购买了版权,文档只能用于自身使用,不得用于其他商业用途(如 [转卖]进行直接盈利或[编辑后售卖]进行间接盈利)。
2、本站所有内容均由合作方或网友上传,本站不对文档的完整性、权威性及其观点立场正确性做任何保证或承诺!文档内容仅供研究参考,付费前请自行鉴别。
3、如文档内容存在违规,或者侵犯商业秘密、侵犯著作权等,请点击“违规举报”。

碎片内容

辊压机通用施工技术方案

您可能关注的文档

确认删除?
VIP
微信客服
  • 扫码咨询
会员Q群
  • 会员专属群点击这里加入QQ群
客服邮箱
回到顶部