电脑桌面
添加小米粒文库到电脑桌面
安装后可以在桌面快捷访问

辊压机设备招标技术文件VIP专享VIP免费

辊压机设备招标技术文件_第1页
1/12
辊压机设备招标技术文件_第2页
2/12
辊压机设备招标技术文件_第3页
3/12
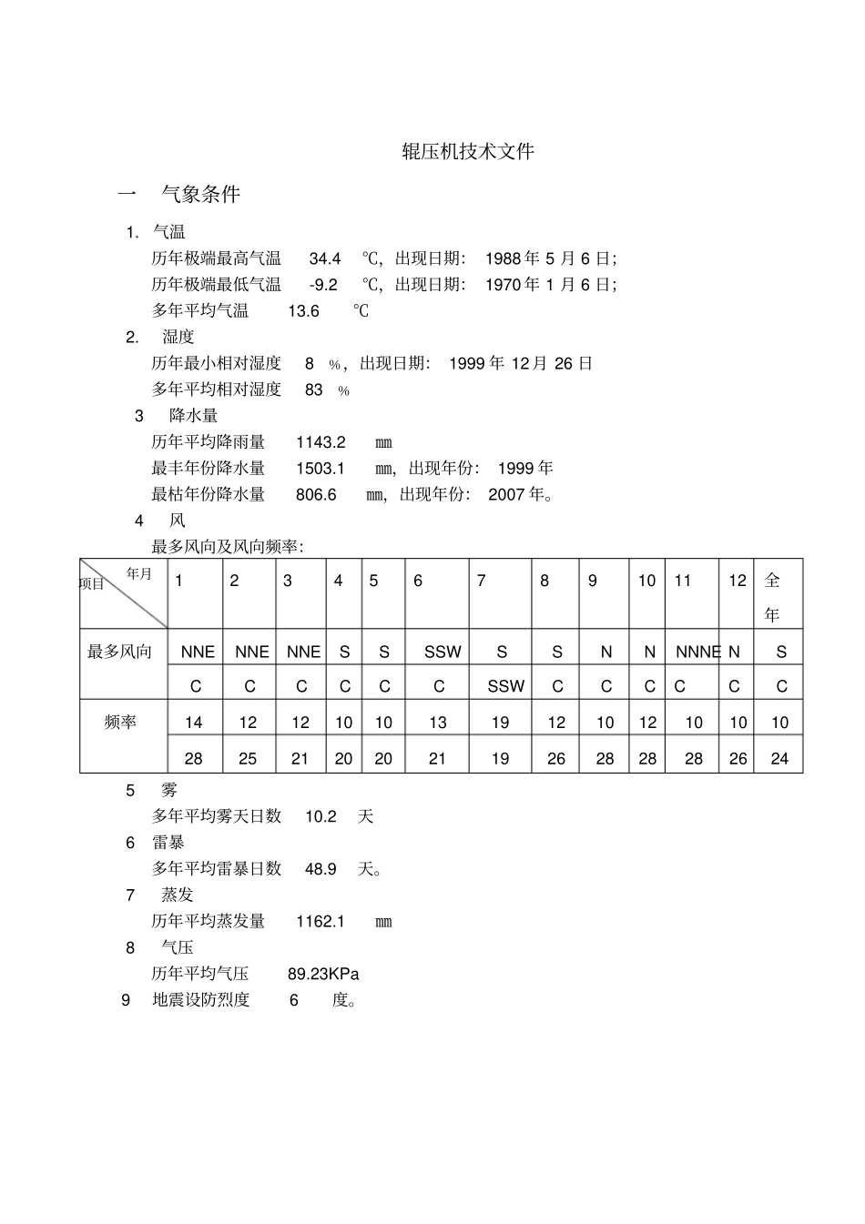
辊压机技术文件一气象条件1.气温历年极端最高气温34.4℃,出现日期:1988年5月6日;历年极端最低气温-9.2℃,出现日期:1970年1月6日;多年平均气温13.6℃2.湿度历年最小相对湿度8﹪,出现日期:1999年12月26日多年平均相对湿度83﹪3降水量历年平均降雨量1143.2㎜最丰年份降水量1503.1㎜,出现年份:1999年最枯年份降水量806.6㎜,出现年份:2007年。4风最多风向及风向频率:123456789101112全年最多风向NNENNENNESSSSWSSNNNNNENSCCCCCCSSWCCCCCC频率14121210101319121012101010282521202021192628282826245雾多年平均雾天日数10.2天6雷暴多年平均雷暴日数48.9天。7蒸发历年平均蒸发量1162.1㎜8气压历年平均气压89.23KPa9地震设防烈度6度。项目年月2二技术文本一)、技术规格及要求1、水泥辊压机设备工艺设备数据表(水泥辊压机设备)编号:买方名称:项目名称:技术要求:辊子主体为45#锻钢,加工调质处理,辊子表面堆焊有耐磨材料,一次堆焊使用寿命为8000小时以上,补焊寿命为3000小时以上。技术条件用于粉碎水泥熟料备注设备名称辊压机配水泥磨机Φ3.2×13m(筒体内径×长度)设备数量(台)1套工作介质水泥熟料混合料等生产能力110t/h(p.o42.5水泥)电机减速机生产厂家(德国SEW)综合水份≤1~1.5%入料粒度Dmax≤80mm通过量335t/h出料粒度<2mm,占60%以上工作制度连续电压10000V辊压机主轴材质轴承辊子表面堆焊方式辊子表面耐磨材料辊子使用时间液压系统德国博世-力士勒电气控制安全防护设施设备重量主电机KW其它2、V型选粉机设备工艺设备数据表(V型选粉机设备)编号:买方名称:项目名称:技术要求:V型选粉机的能耗低、磨损率低、分级效果好,应在工艺设计中严防铁块等异物进入设备。技术条件用于粉碎水泥混合料的筛选备注3设备名称V型选粉机设备数量(台)1套工作介质熟料﹑炉渣、石膏﹑混合材等混合物生产能力100-110t/h风量140000m3/h设备阻力:kPa最大喂料量550T/h最大生产能力T/h壳体厚度壳体材料灰斗厚度灰斗材料灰斗斜度打散隔板材料打散隔板硬度打散隔板使用寿命壳体衬板材料壳体衬板硬度壳体衬板使用寿命安全防护设施其它二)、供货范围及主要零部件规格和要求2.1辊压机供货范围及主要零部件规格(具体供货范围由供货商根据产品确定)①主机:包括轴系机架、进料装置、扭拒支撑、液压系统、润滑系统;②主传动部分:包括减速机、联轴节(含与电机联轴器)、底座(含主电机底座);辊压机主电机单独订货。③其它;包括辊压机控制柜、地脚螺栓(含电机)、冷却装置、耐磨补焊焊条10kg、随机专用工具等。每台套主要包括:1)主机架材质:规格:供货商确定数量:1套2)主轴——主轴轴体材质:调质硬度:数量:2根——辊套材质:表面:耐磨材料堆焊,使用时间大于8000h4数量:2根3)轴承座材质:数量:4件4)主轴承(瑞典SKF)型号:供货商确定数量:4套5)减速机型号:数量:2套生产厂家:-6)主电机:7)型号;数量:2台7)万向节传动轴数量:2套8)电机底座数量:2件9)液压系统型号:数量:1套电动机:1台生产厂家:德国博世-力士勒10)地脚螺栓数量:全套11)自动干油润滑系统数量:1套生产厂家:--12)参数检测内容:(1)位移检测型号规格:数量:2套生产厂家:(2)主轴承温度检测型号规格:数量:4个生产厂家:--(3)减速机温度检测型号规格:数量:2个生产厂家:--(4)液压系统压力检测5型号规格:0~20MPa4~20mA(两线)数量:1套生产厂家:德国EMB公司(5)主电机电流检测(业主单独订货)型号规格:JA1(两路)0~5AAC4~20mADC220V数量:2套生产厂家:--13)电气控制(1)高压综合启动柜型号规格:数量:2套生产厂家:(2)水电阻控制柜型号规格:主要配置:数量:2套生产厂家:--14)辊压机控制柜(1)型号规格:主要配置:西门子触摸屏TP270,可编程控制器S7-300数量:1套生产厂家:(2)机旁控制箱型号规格:数量:1套生产厂家:(3)现场端子盒型号规格:数量:1个生产厂家:(4)辊压机制造厂需提供含减速机、电动机的设备总装图。(5)除此之外还应包括能保证该设备长期、安全、正常运转,并达到下面所要求的技术参数所必须的随机附件、地脚螺栓、专用维修...

1、当您付费下载文档后,您只拥有了使用权限,并不意味着购买了版权,文档只能用于自身使用,不得用于其他商业用途(如 [转卖]进行直接盈利或[编辑后售卖]进行间接盈利)。
2、本站所有内容均由合作方或网友上传,本站不对文档的完整性、权威性及其观点立场正确性做任何保证或承诺!文档内容仅供研究参考,付费前请自行鉴别。
3、如文档内容存在违规,或者侵犯商业秘密、侵犯著作权等,请点击“违规举报”。

碎片内容

辊压机设备招标技术文件

确认删除?
VIP
微信客服
  • 扫码咨询
会员Q群
  • 会员专属群点击这里加入QQ群
客服邮箱
回到顶部