. . 停 车 场 管 理 系 统 需 求 分 析 报 告 院 ( 系 ) : 机 械 工 程 学 院 专 业 : 交 通 设 备 ...
停车场系统及道闸系统技术解决方案 一、 停车场系统介绍 本系统一般由系统服务器、管理工作站、入口控制机、出口控制机、入口道闸、出口...
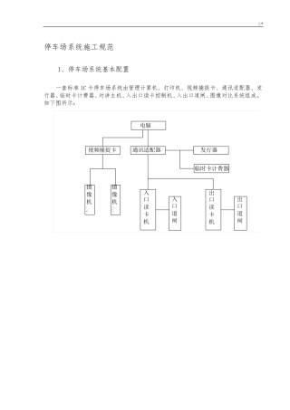
停车场系统施工规范 一、停车场系统基本配置 一套标准 IC 卡停车场系统由管理计算机、打印机、视频捕捉卡、通讯适配器、发行器、临时卡...
-* 停车场系统施工规范 1、停车场系统基本配置 一套标准 IC 卡停车场系统由管理计算机、打印机、视频捕捉卡、通讯适配器、发行器、临...
通道管理设计方案书 客户名称: 项目编号:AWER-20100427 车辆管理方案 为了实现对车辆人行出入的安全管理,保障财产安全,创造一种有...
1 停 车 场 收 费 软 件 使 用 说 明 2 第一章 概述 系统特点 本系统采用最新编程技术,界面友好,方便易用。 功能齐...
第 1 页 共 1 3 页 停车场收费管理制度 第一章 总则 1.1 目的 为保障物业管理费用正常收缴,维护公司利益,提高服务品质,规范...
非接触式卡停车场管理系统 用户使用手册 本手册并不包含非接触式卡停车场管理系统功能的全部内容,今后对于手册内容的修改,将不再单独通...
1 停车场管理系统 需求分析与概要设计 说明书 实验名称:停车场管理系统 2 目录 一 引言 1.1、目的 1.2、背景 1.3、参考资料 1...
第一步:接线 收到停车场设备之后,第一步要做的工作就是接线,需要接的线有220V 强电线以及RS485 通讯线、控制板开闸信号线三种; 1.2...
附录 源代码 1. 头文件 Car.h #ifndef CAR #define CAR #include
停车场管理系统 设 计 方 案 目录 第一章 概述 ............................................................... 2 1.1 传统...
停车场管理系统设计方案及管理要点 根据建筑设计规范,现代大型建筑物必须设置停车场,以保障车辆安全、方便公众使用。为了使地面有足够的...
《数据结构》课程设计 停 车 场 管 理 系 统 班级:********* 指导教师:*** 学号:*********** 姓名:*** 小组成员:***** *...
学号 《高级语言程序设计》 课程设计报告 题目: 停车场管理系统的设计 专业: 计算机科学与技术 班级: 13 级(3)班 姓名: ...
停车场管理系统测试用例设计报告 1 、 引言 1 .1 目的 本文档提供了停车场管理系统项目测试的用例规格及设计。 本文档的读者是测试...
停车场管理系统施工资料(道闸及车牌识别摄像机) 1 停车场管理系统施工资料 (道闸及车牌识别摄像机高清抓拍) 停车场管理系统施工资...
[键入文字] 1 停车场管理系统 设 计 方 案 [键入文字] 2 背 景 ...............................................................
停 车 场 管 理 系 统 施 工 方 案 1、停 车 场 管 理 系 统 的部件安装 1.1 入口读卡机的安装 对 感 应 式 读 ...
停车场管理系统 工程技术标准 工程名称 停车场管理系统施工工程 编号 一、 工作内容 适用于新建、扩建及改建的公用和民用建筑物内停...

