压缩机单机试车方案聚乙烯装置压缩机、冷冻机单机试车方案1一、概述聚乙烯装置内压缩机共5台,冷冻机1台。其中22c480、21/22c470是往复对置...
选煤厂单机试车总结转眼间单机试车工作告一段落。单机试车不仅是对选煤厂建设完工后的初步验收工作,同时也是对各厂家在调试过程中存在设备...
尿素水联动试车方案目录一、编制依据和编制原则――――――――――――――――――2二、水联动试车目的―――――――――――――――...
尿素水联动试车方案目录一、编制依据和编制原则――――――――――――――――――2二、水联动试车目的―――――――――――――――...
技术交底书交底名称试车线轨道工程技术交底编制审核一、说明本交底一式四份,一份供现场领工员现场监督作业使用,一份供质检员现场检查使用...
**公司万吨/年甲基聚醚项目(二期万吨)总体试车方案编制:审核:编制日期:年月日目录1.方案编制目的为了组织协调生产线各装置之间包括上...
中国石油化工总公司石油化工建设项目生产准备与投料试车工作制度(送审稿)一九九七年五月第一章总则第1.0.1条为加强石油化工建设项目管理...
11试车难点及对策由于乙烯工程各装置规模大,工艺流程复杂,项目涉及面广,国产化设备多,加上人员结构年轻化,并且从来没有乙烯裂解等装置...
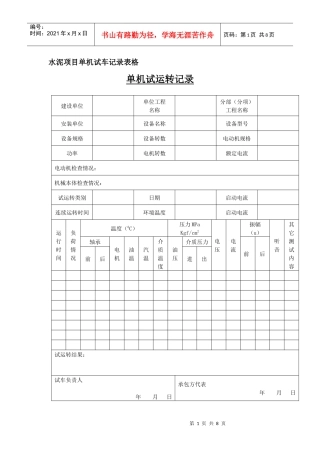
第1页共8页编号:时间:2021年x月x日书山有路勤为径,学海无涯苦作舟页码:第1页共8页水泥项目单机试车记录表格单机试运转记录建设单位单位...
硫回收联动试车方案硫回收联动试车一、装置原始开车前的准备:原始开车即新装置建好后第一次试运行过程。1.系统检查:1)检查工艺管道,确...
电动、手动桥式起重机及手动葫芦安装试车方案一、工程概况:1、延迟焦化装置露天栈桥设置2台16吨防爆抓斗桥式起重机。型号是BQZ16.00,跨度...
內層製程試車作業規範一、目的---------------------------------------------------------------1二、說明------------------------------...
溶解乙炔生产充装及年医用氧气充装项目试生产方案一、建设项目施工完成情况公司溶解乙炔生产充装及医用氧气充装项目已于日前建设完毕,设备...
化学工业大型装置生产准备及试车工作规定颁发部门:化工部发布日期:1988-05-03生效日期:1988-05-03第一章总则第一条生产准备及试车工作是...
设备单机试车记录工程名称:湘潭市教育局两院办公楼试车日期:2009年10月5日共1页第1页分项工程名称:空调水系统安装子分部工程名称:空调...
内蒙古易高煤化科技有限公司电气车间试车开车方案操作规程管理制度目录汇总2009年11月18日试车方案目录汇编装置:电气间车序号方案编号方案...
压合制程试车作业规范一、目的---------------------------------------------------------------1二、说明------------------------------...
中国石油化工总公司建设项目生产准备与试车规定第一章总则第一条为加强石油化工建设项目生产准备工作,确保投料试车一次成功,使建设项目投...
压缩机单机试车方案聚乙烯装置压缩机、冷冻机单机试车方案1一、概述聚乙烯装置内压缩机共5台,冷冻机1台。其中22c480、21/22c470是往复对置...
余热发电系统试车方案编制:审核:批准:编制单位:2000t/d水泥生产线工程余热发电系统试车方案施工组织设计(方案)报审表a-2工程名称:...

