1 2016 学年第一学期高一英语期中考试 2016.11 (时间 90 分钟 总分 100 分) 第I 卷 (74 分) I. Listening Comprehension...
协办部门工作内容主办部门协办部门现状图落实地块具体位置及周边情况发展中心规划设计条件落实规划条件,了解限制性条件发展中心现场踏勘对...
工程经济 第三章 建设工程估价 1、工程估价是对建设工程项目投资所做的测算 不同阶段的测算其详细程度和准确度有差别 2、项目总投资的...
第 1 课春嗡 wēng朗润 lǎng rùn酝酿 yùn niàng卖弄 mài nîng喉咙 hïu lïng应和 yìng hâ嘹亮 liáo liàng烘托 ...
天津师范大学继续教育学院考试试卷2015 级考试试卷(A卷)科目:教育测量与评价专业:教育学函授站:姓名:学号:班级:题号分数一二三四...
《贵州省仿古建筑工程计价定额》贵州2016定额说明(重要)
1 / 14 1 咏叹调《啊,满园鲜花》选自()。1.0 分 A、《费加罗的婚礼》 B、《图兰朵》 C、《梦游女》 D、《茶花女》 正确答案:...
Copyright © 2016huguyue.ucas 神经科学 2016 年知识点总结和“考题”(国科大) 1 赫荣乔 一、导论 1. 大脑与感觉和认知有关,...
• 《 现 代 城 市 生 态 与 环 境 学 》 期 末 考 试 ( 20) 姓 名 : xxx 班 级 : 2 班 成 绩 : 92.0...
《深圳市普通中小学校建设标准指引》(深发改[2016]494号)
.《支气管哮喘防治指南(2016 年版)》要点随着经济高速发展和工业化进程,以及人们生活方式的改变,我国支气管哮喘(简称哮喘)的患病率...
2018 年初中历史会考模拟试题(二)说明:1、本卷分 I 卷和 II 卷,其中 I 卷为选择题,II 卷为非选择题;2、本卷满分 100 分,...
1 / 15 附: (一)民事判决书 1.民事判决书(第一审普通程序用) XXXX 人民法院 民事判决书 (XXXX)……民初……号 原告:XXX...
2016 年10 月高等教育自学考试全国统一命题考试 Java 语言程序设计(一) 试卷 (课程代码 04747) 本试卷共9 页,满分l00 分,考...
ISO/TS 9002:2016, IDT ISO9001:2015 质量管理体系 理解、实施、应用指南 Guidelines for the Understand, implement and app...
ISO/TS16949:2016 草案版中文翻译版 TEAHNICAL 技术 ISO/TS SPECIFICATION 规范 16949 质量管理体系— 汽车生产件及相关服务件组...
部门涉及程序主要工作要点总经理管理评审控制程序管理评审计划/通知/人员签到表/会议手工记录/打印整理记录管理评审会议召开/会议讨论详细...
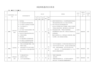
风险和机遇评估分析表 类别: ■质量 □环境 ■过程 序号 风险和机遇来源(内部/外部) 风险和机遇来源内容 风险分析 管理措施 ...
过程所有者销售部经理过 程 类 别市 场 营 销过 程 名 称 C1 市场营销8.1运行策划和控制;8.1.1补充;8.1.2保密;8.2产品和服务...
IATF16949:2016 考试题01 姓名 部门 成绩 一、 填空题(每空 1 分,共 20 分) 1.汽车 QMS 标准唯一允许的删减是 ISO 9001...

