危险点管理制度1主题内容本法律规范对易燃易爆危险点定点分级原则、分级标准、管理程序、规定及检查作出了规定。2引用标准GB2894-88 安全...
危险点的查找与预控危险点预控就是对电力生产中的每项工作,根据作业内容、工作方法、环境、人员情况、设备实际等去分析、查找可能导致人为...
危险点分析预控工作实施办法第一章 总则第一条:危险点是指在作业中有可能发生危险的地点、部位、场所、工器具或动作等。假如生产过程当中...
危险点分析控制在变电所的应用一、变电运转工作特别性的本身就存在潜在的危险源变电运转人员在正常工作中,由于其供电的特别性,每天都在高...
危险源防范安全技术措施1、物体打击 物体打击事故是指物体在重力或其它外力的作用下产生运动,打击人体造成人身伤亡事故;一旦遭受物体打...
危险源防范及检查安全管理制度编制目的:识别本公司的危险源,评价其影响和危险程度,确定重大危险源,以便实行措施进行有效的控制。达到安...
危险源辩识和风险评价管理制度1、目的为了确定危险源、某一特定危险情况,并通过评估其风险大小,来确定本公司的安全状态、可容许风险,从...
危险源辩识、风险评价与控制措施程序1 范围为了辩识和评价矿山范围以内的职业健康安全危险源,并评价其风险程度,进行风险分级,通过实施...
危险源辨识风险评价控制第一节基本项规定第十条持续辨识办公、施工生产、生活区域内常规和非常规活动、设施、工程产品或运转条件中存在的危...
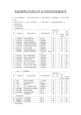
危险源辨识风险评价及风险控制措施清单 注:现行控制措施中:A—制定目标管理方案;B—制定管理程序、标准或规章;C—制定专项技术方案;D...
危险源辨识考试卷答案(3页)Good is good, but better carries it.精益求精,善益求善。重大危险源考试卷(一)、填空题,每空 2.5 ...
危险源辨识与管理制度为了加强安全生产管理,推动危险源识别、评价及监督管理制度的实施,提高对事故的防范能力和对重大危险源的控制力,有效...
危险源辨识控制程序1.目的辨识职业健康安全的危险源,评价其风险程度及级别,并确定更新重大风险因素从而进行有效控制。2.适用范围本程序适...
危险源辨识和风险评价程序1.0 危险源辨识和风险评价2.0 工作活动分类2.1 根据施工生产的特点,可按以下几个方面进行工作活动的分类:a)...
危险源辨识及风险控制管理办法一、危险源的分类、分级及辨识方法 危险源定义 :危险源是指可能造成人员损害、疾病、财产损失或工作环境破...
危险源辨识与预控措施第一条 为仔细做好风电工程建立过程平安管理工作,防止各类事故的发 生,特制定本规定。第二条 危险点是指在建立施...
危险源辨识及控制管理程序1 目的与适用范围1。1 本程序用来辨识四川进展生产作业公司(以下简称公司)在工作活动过程和场所中的危险源,并...
危险源辨识及应对措施(7页)Good is good, but better carries it.精益求精,善益求善。中铁电气化局三公司济青项目部危险源辨识及应...
一 、编制依据1、《张承高速承德段 T J 7 合同段合同文件》、施工图纸及技术法律规范。2、现行《公路工程技术标准》、《公路桥涵施工...
危险源辨识与风险评价表2025 版(LEC评价法)(25页)Good is good, but better carries it.精益求精,善益求善。部门/项目施工场地: ...

