校长在办学水平评估反馈会上的发言 校长在办学水平评估反馈会上的发言 1 尊敬的各位领导、各位专家、各位同仁: 大家好! 首先请允许...
水平二:四年级低单杠与游戏单元教学计划单兀教学内容低单杠:仰卧悬垂、屈腿悬垂摆动、屈体悬垂单兀教学目标⑴ 能主动参与练习,对低单杠...
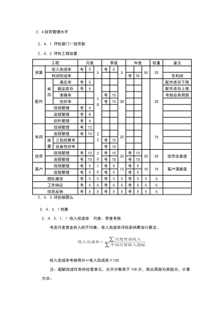
2.4 效劳管理水平2.4.1 评估部门-效劳部2.4.2 评估工程设置工程月度季度年度权重备注预算收入完成率考55考55 5520 利润完成率 ...
普通话水平测试用普通话词语表(表一)序号字词拼音字词拼音字词拼音字词拼音字词拼音1-5阿ā阿姨āyí挨āi挨ái矮ǎi6-10爱ài爱国àigu...
普通话水平测试用普通话词语表(表一)序号字词拼音字词拼音字词拼音字词拼音字词拼音1-5阿ā阿姨āyí挨āi挨ái矮ǎi6-10爱ài爱国àigu...
1 阿 ā 2 阿姨 āyí 3 挨 āi 4 挨 ái5 矮 ǎi 6 爱 ài 7 爱国 àiguó 8 爱好 àihào9 爱护 àihù 10 爱...
1阿ā2阿姨 āyí3挨āi4挨ái5矮ǎi6爱ài7爱国 àiguó8爱好àihào9爱护àihù10爱情 àiqíng11爱人 àiren12安ān13安定āndìng1...
普通话水平测试用必读轻声词语表(新大纲)说 明 1、本表根据《普通话水平测试用普通话词语表》编制。 2、本表供普通话水平测试第二项—...
普 通 话 水 平 测 试 用 必 读 轻 声 词 语 表普 通 话 水 平 测 试 用 儿 化 词 语 表普 通 话 的 轻 声...
一 、 普 通 话 水 平 测 试 用 必 读 轻 声 词 语表1.本 表 根 据 《 普 通 话 水 平 测 试 用 普 通话 词...
普通话水平测试用常用必读轻声词语表1爱人 àiren2案子 ànzi3巴掌 bāzhɑnɡ4把子 bǎzi5把子 bàzi6爸爸 bàbɑ7白净 báijinɡ8...
普通话水平测试用儿化词语表说 明 1、本表参照《普通话水平测试用普通话词语表》及《现代汉语词典》编制,加 * 的是以上二者未收,根据...
普通话水平测试常用儿化音词语表ɑ>ɑr刀把儿 dāobàr 号码儿 hàomǎr 戏法儿 xìfǎr 在哪儿 zàinǎr 找茬儿 zhǎochár 打...
普通话水平测试实施纲要词汇表一.txt 机会就像秃子头上一根毛,你抓住就抓住了,抓不住就没了。我和你说了 10 分钟的话,但却没有和你产...
ɑ>ɑr刀把儿 dāobàr 号码儿 hàomǎr 戏法儿 xìfǎr 在哪儿 zàinǎr 找茬儿 zhǎochár 打杂儿 dǎzár 板擦儿 bǎncā...
老师水平测试动员会领导讲话 各位老师: 学业水平测试很快就要来临了,对于我们学校的状况来说,情势相当严峻。一方面是我们学校的基础很...
老师提升师德水平培训心得体会老师提升师德水平培训心得体会 经受了 x 月 xx 日的 xx 学校老师入职培训,自己的心得要从"德'字谈起...
政协履职水平学习材料 为了使新一届广阔政协委员对人民政协有一个全面的认识,特别是对人民政协的性质、地位、作用、特点、主要职能等有一...
提高科室医疗技术水平医院骨科重点专科建设自查报告 我县人民医院骨科于 2024 年 10 月由第一骨科医院援建成立。2024 年申请县级重点...
提升生产现场 6S 管理水平专项方案 3 篇 提升生产现场 6S 管理水平专项方案 1 企业的竞争就是企业现场竞争,建立健全的现场管理制...

