电 气 施 工 图 设 计 文 件 审 查 要 点 一 、 深 度 要 求 1 总 则 1.1 本 要 求 适 用 于 新 建 、改 ...
配电箱符号 高压开关柜 AH 高压计量柜 AM 高压配电柜 AA 高压电容柜 AJ 低压电力配电箱柜 AP 低压照明配电箱柜 AL 应急电力配...
配电箱符号 序号 名 称 符号(字母) 备注 1 高压开关柜 AH 2 高压计量柜 AM 3 高压配电柜 AA 4 高压电容柜 AJ 5 低压...
大唐湘潭发电有限责任公司外包施工 #4 机组超低排放MGGH 改造工程 电气施工改造四措两案 工程名称: 承包方编制人: 承包方技术负责...
WWTP 电气自控方案说明 一) 总体方案 WWTP 电气自控系统严格按照标电气准设计,采取的自控方案是:HMI+PLC 控制 方案,其总体控制框图...
电气设备常用文字符号 一、基本文字符号 符号 描述 符号 描述 符号 描述 C 电容器 EH 发热器件 EL 照明电 EV 空气调节器 F...
电气敷设及安装原则工艺 1、 电缆的的选择 1.1 船上安装的全部电缆必须是经相应船级社认可的船用电缆,所有电缆和电气设备的外接电缆至...
1 电气故障检修的一般方法 • 检修前的故障调查 当工业机械发生电气故障后,切忌盲目随便动手检修。在检修前,通过问、看、听、摸来了...
1 电气改造 1.1 配电柜安装施工方案 施工工艺流程 设备拆除→设备开箱检查→设备搬运→柜(盘)稳装→柜(盘)二次线配线→试验调整→...
.. 甲 、 丙 楼 综 合 整 治 项 目 电 气 安 装 工 程 施 工 方 案 .. 1、 编 制 依 据 1.1《 住 宅 设 计...
. 页脚 甲、丙楼 综合整治项目 电气安装工程施工方案 . 页脚 1、编制依据 1.1《住宅设计规》GB50096-2011。 1.2《住宅建筑规》GB5...
电 气 操 作票实施细则 目 录 1. 总 则 -------------------------------------------1 2. 倒 闸 操 作 的 基 本 要 求...
Q/CSG 1 0006 — 2004 1 电 气 操 作 导 则 Q/CSG 1 0006-2004 2004-03-01 发布 2004-06-01实施 中国南方电网有限责任公...
电气操作导则 (QCSG10006—2004).txt你看得见我打在屏幕上的字,却看不到我掉在键盘上的泪!自己选择45°仰视别人,就休怪他人 135°俯视...
电气插座型号图片
危险点分析及预控制度 为了加强公司“两票”管理,严格执行“两票三制”,确保安全生产,根据有关规定及公司要求,结合我公司电气倒闸操作实际...
湖北大别山电厂一期工程 #1 机组及公用 DCS 电气系统 控制逻辑 中南电力设计院 2007 年 2 月 目 录 1 DCS 的监控范围 ....
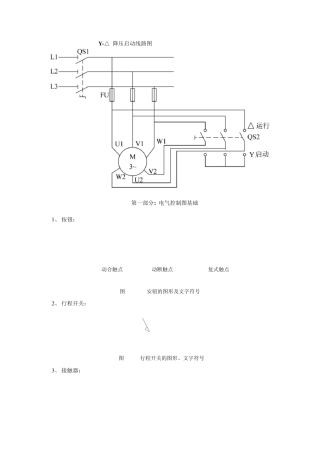
电气控制技术试题库 一、判断题(每题 2分,共 20分) 1. 低压电器指工作在直流1200V 、交流1500V 以下的各种电器。错 2. 所有的...
一 、 判 断 题 01、 一 项 工 程 的 电 气 工 程 图 一 般 由 首 页 、 电 气 系 统 图 及 电 气 原 理 ...
电气控制试题 一、填空题 1、低压电器通常指工作在交流( )V 以下,直流( )V 以下的电路中,起到连接、( )、( )和调节作用...

