高压接地线介绍适用于线路、变电站和发电厂施工,为防止临近带电体产生静电感应触电或误合闸时保证安全之用高压接地线图片高压接地线组成和...
直流±1500v高压短路接地线石家庄百鼎电气有限公司产品资料JDX-1500V地铁系统专用检修用接地线公司简介石家庄百鼎电气有限公司是经国家工...
百鼎电气小编:张翠15383715228高压接地棒简介百鼎电气技术提供1、高压接地棒组成:由绝缘操作棒和接地线夹组成。绝缘操作棒由绝缘性能极佳...
第1页共43页编号:时间:2021年x月x日书山有路勤为径,学海无涯苦作舟页码:第1页共43页隐蔽工程(接地线埋设)签证记录表工程名称:山东华...
第1页共14页编号:时间:2021年x月x日书山有路勤为径,学海无涯苦作舟页码:第1页共14页中华人民共和国能源部部标准SD332—89携带型短路接...
携带型短路接地线课件•概述•结构与原理•设计与制造•使用与操作方法•常见问题及解决方案•发展趋势与展望01概述定义和作用定义携带型短...
卓资风电场接地线管理制度风电场防洪工作管理制度第一章总则第一条为了强化防汛管理工作,使防汛工作规范化、制度化,根据《中华人民共和国...
卓资风电场接地线管理制度电场运维班组管理制度1范围本标准规定北镇风电场班组建设工作的管理职能、管理内容与要求、检查与考核。2管理职能...
杜绝挂接地线中常见的不正确行为(作者:李金雄)引言挂接地线(指临时接地线)是电气工作中常使用的一项重要安全技术措施,特别是准备在服...
一次DCS系统接地线松动的分析2000年4月,安顺电厂1号机组由于DCS系统6号端子柜接地线松动,导致机组停运达4天之久。1机组跳闸经过2000年4月...
卓资风电场接地线管理制度卓资风电场岗位职责1总则1.1为了保证卓资风电场各项安全生产工作的顺利进行。为了保证各项生产指标的顺利完成,根...
输电线路停电检修时接地线挂接的安全要求输电线路检修时线路工人在作业过程中的安全早已引起电力部门的重视。只有在停电线路上挂好接地线后...
架空输电线路接地线防腐技术接地线入土时,在地面表层与接地线接触处最易锈蚀,这是因为地面表层处的接地线易受潮且暴露在外,与空气中的氧...
卓资风电场接地线管理制度1、总则风电场消防管理制度消防安全是保障全公司安全稳定、持续发展和职工生命财产安全的一项重要工作。消防工作...
携带型接地线管理制度1目的为规范运行人员对携带型接地线的使用与维护行为,特制定本制度。2定义本办法所称的携带型接地线管理制度是指运行...
卓资风电场接地线管理制度1主题内容与适用范围1.1为了加强对临时接地线的安全管理,杜绝带电挂地线和带地线送电等恶性电气误操作事故的发生...
精品文档你我共享AAAAAA10kV线路停电挂设和拆除接地线作业指导书编写:年月日审核:年月日批准:年月日作业负责:作业日期年月日时至年月日...
中华人民共和国能源部部标准SD332—89携带型短路接地线技术标准中华人民共和国能源部1989-03-27发布1989-10-01实施1总则1.1本标准适用于已...
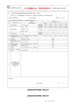
第1页共34页编号:时间:2021年x月x日书山有路勤为径,学海无涯苦作舟页码:第1页共34页基础接地线埋设隐蔽工程签证单基础接地线埋设隐蔽工...
卓资风电场接地线管理制度卓资风电场岗位职责1总则1.1为了保证卓资风电场各项安全生产工作的顺利进行。为了保证各项生产指标的顺利完成,根...

